电脑桌面
添加小米粒文库到电脑桌面
安装后可以在桌面快捷访问

实验三单相变压器空载和短路实验

实验三单相变压器空载和短路实验_第1页
1/9
实验三单相变压器空载和短路实验_第2页
2/9
实验三单相变压器空载和短路实验_第3页
3/9
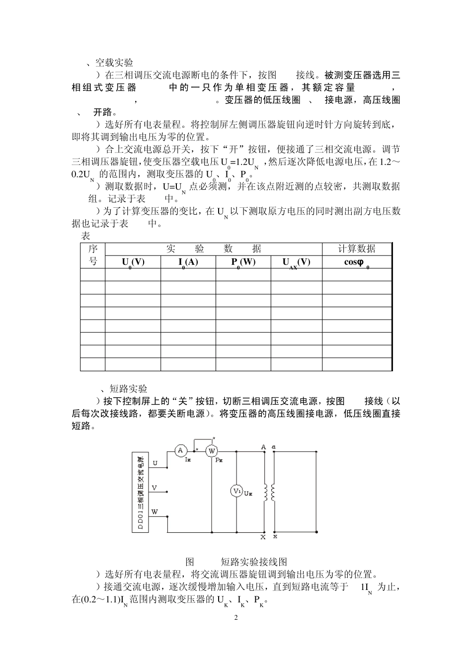
上海开放大学 电气传动技术及应用 实 验 三 单相变压器空载和短路实 验 实验报告 分 校:_ _ _ _ _ _ _ _ _ _ _ 班 级:_ _ _ _ _ _ _ _ _ _ _ _ _ _ _ _ _ _ 学生姓名:_ _ _ _ _ _ _ _ _ _ _ _ _ _ _ _ _ _ 学 号:_ _ _ _ _ _ _ _ _ _ _ _ _ _ _ _ _ _ 实验成绩:_ _ _ _ _ _ _ _ _ _ _ _ _ _ _ _ _ _ 批阅教师:_ _ _ _ _ _ _ _ _ _ _ _ _ _ _ _ _ _ 实验日期 年 月 日 1 实验三 单相变压器空载和短路实验 一、实验目的 1、通过空载和短路实验测定变压器的变比和参数。 2、通过负载实验测取变压器的运行特性。 二、实验项目 1、空载实验 测取空载特性 U0=f(I0),P0=f(U0) , cosφ0=f(U0)。 2、短路实验 测取短路特性 UK=f(IK),PK=f(IK), cosφK=f(IK)。 3、负载实验(选做) (1)纯电阻负载 保持 U1=UN,cosφ2=1 的条件下,测取 U2=f(I2)。 (2)阻感性负载 保持 U1=UN,cosφ2=0.8 的条件下,测取 U2=f(I2)。 三、实验方法 1、实验设备 序号 型 号 名 称 数 量 1 D33 交流电压表 1件 2 D32 交流电流表 1件 3 D34-3 单三相智能功率、功率因数表 1件 4 DJ11 三相组式变压器 1件 5 D42 三相可调电阻器 1件 6 D43 三相可调电抗器 1件 7 D51 波形测试及开关板 1件 2、屏上排列顺序 D33、D32、D34-3、DJ11、D42、D43 图 3-1 空载实验接线图 I0XU0V1DD01三相调压交流电源WAV2UAXx**UVW55VA2 3、空载实验 1)在三相调压交流电源断电的条件下,按图3-1接线。被测变压器选用三相组式变压器DJ11中的一只作为单相变压器,其额定容量 PN=77W,U1N/U2N=220/55V,I1N/I2N=0.35/1.4A。变压器的低压线圈a、x接电源,高压线圈A、X开路。 2)选好所有电表量程。将控制屏左侧调压器旋钮向逆时针方向旋转到底,即将其调到输出电压为零的位置。 3)合上交流电源总开关,按下“开”按钮,便接通了三相交流电源。调节三相调压器旋钮,使变压器空载电压U0=1.2UN ,然后逐次降低电源电压,在1.2~0.2UN 的范围内,测取变压器的U0、I0、P0。 4)测取数据时,U =UN 点必须测,并在该点附近测的点较密,共测取数据7-8组。记录于表3-1中。 5)为了计算变压器的变比,在UN 以下测取原方电压的同时测出副方电压数据也记录于表3-1中。 表3-1 序号 实 验 数 ...

1、当您付费下载文档后,您只拥有了使用权限,并不意味着购买了版权,文档只能用于自身使用,不得用于其他商业用途(如 [转卖]进行直接盈利或[编辑后售卖]进行间接盈利)。
2、本站所有内容均由合作方或网友上传,本站不对文档的完整性、权威性及其观点立场正确性做任何保证或承诺!文档内容仅供研究参考,付费前请自行鉴别。
3、如文档内容存在违规,或者侵犯商业秘密、侵犯著作权等,请点击“违规举报”。

碎片内容

实验三单相变压器空载和短路实验

小辰8+ 关注
实名认证
内容提供者

出售各种资料和文档

确认删除?
VIP
微信客服
  • 扫码咨询
会员Q群
  • 会员专属群点击这里加入QQ群
客服邮箱
回到顶部