电脑桌面
添加小米粒文库到电脑桌面
安装后可以在桌面快捷访问

实验二十八三相交流电路电压、电流的测量

实验二十八三相交流电路电压、电流的测量_第1页
1/9
实验二十八三相交流电路电压、电流的测量_第2页
2/9
实验二十八三相交流电路电压、电流的测量_第3页
3/9
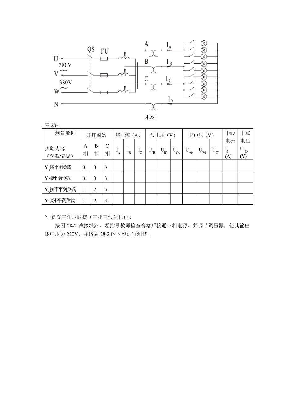
实验二十八 三相交流电路电压、电流的测量 一、实验目的 1. 掌握三相负载作星形联接、三角形联接的方法, 验证这两种接法下线、相电压及线、相电流之间的关系。 2. 充分理解三相四线供电系统中中线的作用。 二、原理说明 1. 三相负载可接成星形(又称“Y”接)或三角形(又称"△"接)。当三相对称负载作Y形联接时,线电压Ul 是相电压Up 的3 倍。线电流Il 等于相电流Ip,即 Ul=PU3, Il=Ip 在这种情况下,流过中线的电流I0=0, 所以可以省去中线。 当对称三相负载作△形联接时,有 Il=3 Ip, Ul=Up。 2. 不对称三相负载作Y 联接时,必须采用三相四线制接法,即 Yo 接法。而且中线必须牢固联接,以保证三相不对称负载的每相电压维持对称不变。 倘若中线断开,会导致三相负载电压的不对称,致使负载轻的那一相的相电压过高,使负载遭受损坏;负载重的一相相电压又过低,使负载不能正常工作。尤其是对于三相照明负载,无条件地一律采用Y0 接法。 3. 当不对称负载作△接时,Il≠3 Ip,但只要电源的线电压Ul 对称,加在三相负载上的电压仍是对称的,对各相负载工作没有影响。 三、实验设备 序号 名 称 型号与规格 数量 备注 1 交流电压表 0~450V 1 2 交流电流表 0~5A 1 3 万用表 1 自备 4 三相自耦调压器 1 5 三相灯组负载 220V,15W 白炽灯 9 HE-17 6 电门插座 3 屏上 四、实验内容 1. 三相负载星形联接(三相四线制供电) 按图 28-1 线路组接实验电路。即三相灯组负载经三相自耦调压器接通三相对称电源。将三相调压器的旋柄置于输出为 0V 的位置(即逆时针旋到底)。经指导教师检查合格后,方可开启实验台电源,然后调节调压器的输出,使输出的三相线电压为 220V,并按下述内容完成各项实验,分别测量三相负载的线电压、相电压、线电流、相电流、中线电流、电源与负载中点间的电压。将所测得的数据记入表 28-1 中,并观察各相灯组亮暗的变化程度,特别要注意观察中线的作用。 图28-1 表28-1 测量数据 实验内容 (负载情况) 开灯盏数 线电流(A) 线电压(V ) 相电压(V ) 中线电流I0 (A) 中点电压U N 0 (V ) A 相 B 相 C 相 IA IB IC U AB U BC U CA U A0 U B0 U C0 Y 0接平衡负载 3 3 3 Y 接平衡负载 3 3 3 Y 0接不平衡负载 1 2 3 Y 接不平衡负载 1 2 3 2. 负载三角形联接(三相三线制供电) 按...

1、当您付费下载文档后,您只拥有了使用权限,并不意味着购买了版权,文档只能用于自身使用,不得用于其他商业用途(如 [转卖]进行直接盈利或[编辑后售卖]进行间接盈利)。
2、本站所有内容均由合作方或网友上传,本站不对文档的完整性、权威性及其观点立场正确性做任何保证或承诺!文档内容仅供研究参考,付费前请自行鉴别。
3、如文档内容存在违规,或者侵犯商业秘密、侵犯著作权等,请点击“违规举报”。

碎片内容

实验二十八三相交流电路电压、电流的测量

您可能关注的文档

确认删除?
VIP
微信客服
  • 扫码咨询
会员Q群
  • 会员专属群点击这里加入QQ群
客服邮箱
回到顶部