电脑桌面
添加小米粒文库到电脑桌面
安装后可以在桌面快捷访问

室内外停车场设计规范

室内外停车场设计规范_第1页
1/32
室内外停车场设计规范_第2页
2/32
室内外停车场设计规范_第3页
3/32
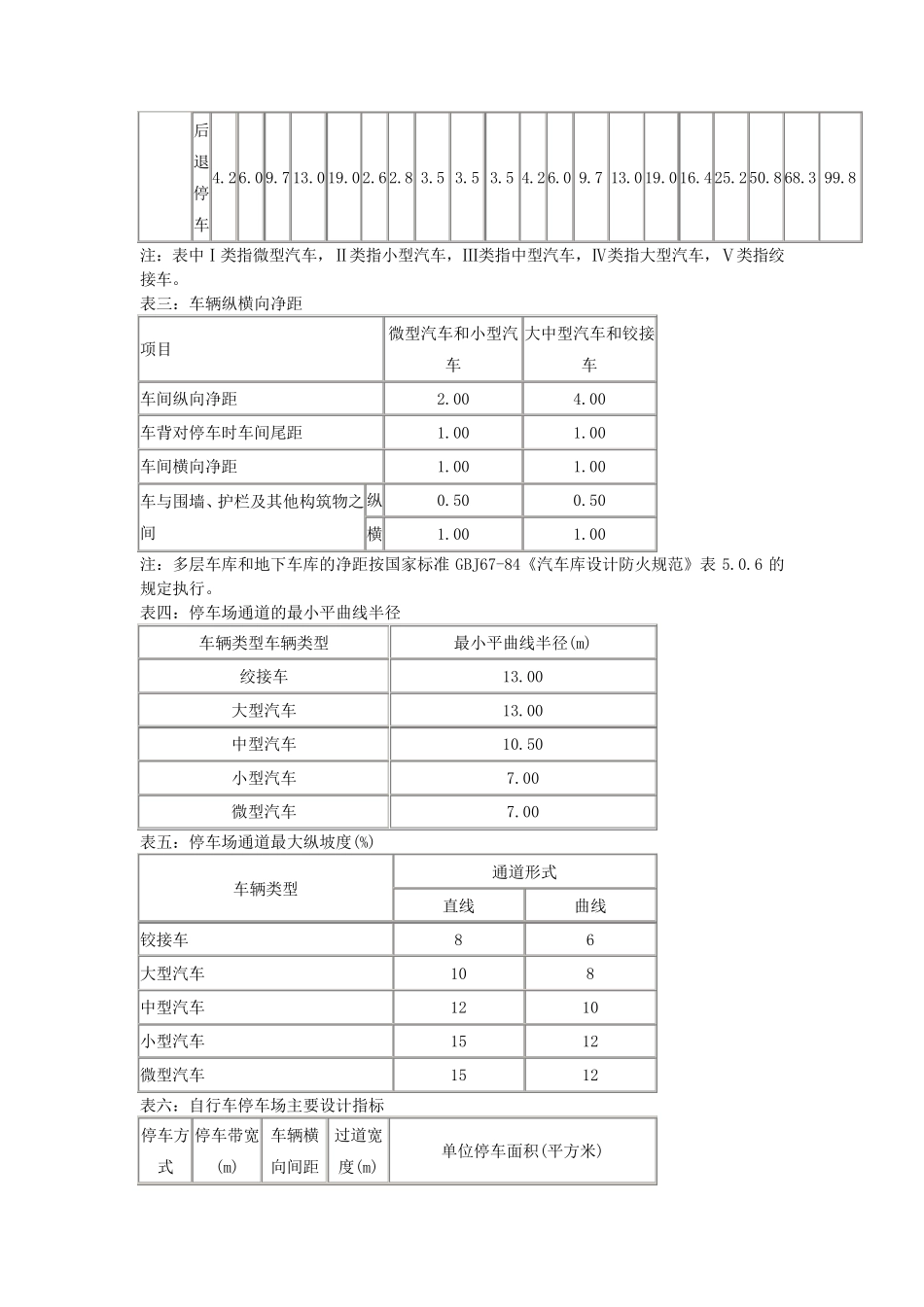
一 停车场设计规范 停车场规划设计规则(试行) 颁布单位公安部/建设部 颁布日期881003 实施日期890101 第一条 本规则适用于大、中城市和重点旅游区停车场的规划设计,小城市可参照执行。 第二条 专用和公共建筑配建的停车场原则上应在主体建筑用地范围之内。 第三条 机动车停车场内必须按照国家标准 GB5768-86《道路交通标志和标线》设置交通标志,施划交通标线。 第四条 机动车停车场的出入口应有良好的视野。出入口距离人行过街天桥、地道和桥梁、隧道引道须大于50 米;距离交叉路口须大于八十米。 第五条 机动车停车场车位指标大于50 个时,出入口不得少于2 个;大于500 个时,出入口不得少于3 个。出入口之间的净距须大于10 米,出入口宽度不得小于7 米。 公共建筑配建的机动车停车场车位指标,包括吸引外来车辆和本建筑所属车辆的停车位指标。 第六条 机动车停车场内的停车方式应以占地面积小、疏散方便、保证安全为原则。主要停车方式见图一。 第七条 机动车停车场车位指标,以小型汽车为计算当量。设计时,应将其他类型车辆按表一所列换算系数换算成当量车型,以当量车型核算车位总 指标。 第八条 机动车停车场主要设计指标应不小于表二规定 。 第九 条 在停车场内停放 的机动车之间的净距应不小于表三规定 。 第十条 机动车停车场内的主要通道宽度不得小于6 米。 第十一条 机动车停车场通道的最 小平 曲 线半 径 应不小于表四规定 。 第十二条 机动车停车场通道的最 大纵 坡 度应不大于表五规定 。 第十三条 自 行车停车场原则上不设在交叉路口附 近 。出入口应不少于二个,宽度不小于2.5米。 第十四条 自 行车停车方式应以出入方便为原则。主要停车方式见图二。 第十五条 自 行车停车场主要设计指标应不小于表六规定 。 第十六条 公共自 行车停车场的停车位指标是 指吸引外来自 行车的停车位指标。 专用自 行车停车场的停车位指标应不小于本单位职 工 人数的 30%。 第十七条 各 类建筑配建的停车场车位指标应不小于表七至 表十八规定 。 第十八条 各 省 、自 治 区、直 辖 市公安交通管 理 部门 和城市规划部门 可结 合 当地实际 情 况 制定 细 则,报 当地人民 政 府 批 准,并 报 公安部和建设部备 案 。 第十九 条 本规则由 公安部和建设部负 责 解 释 。 第二十条 本规定 自 1989 年 1 月 1 日施行。...

1、当您付费下载文档后,您只拥有了使用权限,并不意味着购买了版权,文档只能用于自身使用,不得用于其他商业用途(如 [转卖]进行直接盈利或[编辑后售卖]进行间接盈利)。
2、本站所有内容均由合作方或网友上传,本站不对文档的完整性、权威性及其观点立场正确性做任何保证或承诺!文档内容仅供研究参考,付费前请自行鉴别。
3、如文档内容存在违规,或者侵犯商业秘密、侵犯著作权等,请点击“违规举报”。

碎片内容

室内外停车场设计规范

您可能关注的文档

确认删除?
VIP
微信客服
  • 扫码咨询
会员Q群
  • 会员专属群点击这里加入QQ群
客服邮箱
回到顶部