电脑桌面
添加小米粒文库到电脑桌面
安装后可以在桌面快捷访问

家具玻璃检验

家具玻璃检验_第1页
1/6
家具玻璃检验_第2页
2/6
家具玻璃检验_第3页
3/6
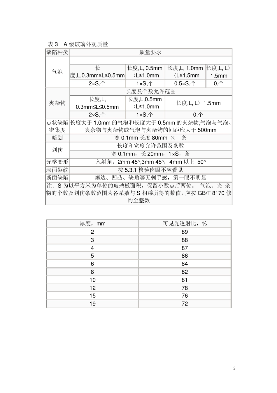
1 家私制造有限公司 玻璃检验标准 1 范围 本标准规定了无色透明浮法玻璃的分类、要求、检验方法、检验规则、标志、包装、运输和贮存。 本标准适用于外协普通清片玻璃、钢化玻璃、夹胶玻璃、铁线玻璃、银镜、灰 玻、水晶玻璃。 2 引用标准 下列标准所包含的条文,通过在本标准中引用而构成为本标准的条文。本标准批准执行时,所示版本均为有效。所有标准都会被修订,使用本标准的各方应探讨使用下列标准最新版本的可能性。 GB/T 1216-1985 外径千分尺(neq ISO 3611:1978)GB/T 2680-1994 家具玻璃 可见光透射比、 太阳光直接透射比、太阳能总透射比、紫外线透射比及有关窗玻璃参数的测定(neq ISO 9050:1990)GB/T 8170-1987 数值修约规则 JB/T 7979-1995 塞尺 3 分类 3.1 玻璃按用途分为柜类级、围身级、收银级。 3.2 玻璃按厚度分为以下种类:2mm、3mm、4mm、5mm、6mm、8mm、10mm、12mm、15mm、19mm、29mm。 4 要求 4.1 玻璃应为正方形或长方形及异形。 其长度和宽度尺寸允许偏差应符合表1规定。表 1 尺寸允许偏差(mm) 厚度 尺寸允许偏差 尺寸小于 300 尺寸 300 以上 2,3,4 ±0.5 ±1 5,6 ±1 8,10 ±0.5 ±1 12,15 ±1 ±1 异形 ±2 ±3 4.2 玻璃的厚度允许偏差应符合表 2 规定,同一片玻璃厚薄差,厚度 2mm、3mm 为 0.1mm;厚度 4mm、5mm、6mm、8mm、10mm、0.3mm 。 4.3 玻璃的外观质量应符合表 3 的规定。表 2 厚度允许差(mm) 厚度 允许偏差 2,3,4,5,6 ±0.1 8,10 ±0.2 12 ±0.3 15 ±0.3 19 ±0.5 2 表3 A 级玻璃外观质量 缺陷种类 质量要求 气泡 长度,L,0.3mm≤L≤0.5mm 长度,L, 0.5mm〈L≤1.0mm 长度,L, 1.0mm〈L≤1.5mm 长度,L, L〉1.5mm 2×S,个 1×S,个 0.5×S,个 0,个 夹杂物 长度及个数允许范围 长度,L, 0.3mm≤L≤0.5mm 长度,L,0.5mm〈L≤1.0mm 长度,L, L〉1.5mm 2×S,个 1×S,个 0,个 点状缺陷密集度 长度大于1.0mm 的气泡和长度大于0.5mm 的夹杂物;气泡与气泡、夹杂物与夹杂物或气泡与夹杂物的间距应大于500mm 暗划 宽0.1mm 长度80mm2×S,条 划伤 长度和宽度允许范围及条数 宽0.1mm,长20mm,1×S,条 光学变形 入射角:2mm 45°;3mm 45°;4mm 以上 50° 表面裂纹 按 5.3.1 检验肉眼不应看见 断面缺陷 爆边、凹凸、缺角等无刺手感,第一眼不明显 注:S 为以平方米为单位的...

1、当您付费下载文档后,您只拥有了使用权限,并不意味着购买了版权,文档只能用于自身使用,不得用于其他商业用途(如 [转卖]进行直接盈利或[编辑后售卖]进行间接盈利)。
2、本站所有内容均由合作方或网友上传,本站不对文档的完整性、权威性及其观点立场正确性做任何保证或承诺!文档内容仅供研究参考,付费前请自行鉴别。
3、如文档内容存在违规,或者侵犯商业秘密、侵犯著作权等,请点击“违规举报”。

碎片内容

家具玻璃检验

确认删除?
VIP
微信客服
  • 扫码咨询
会员Q群
  • 会员专属群点击这里加入QQ群
客服邮箱
回到顶部