电脑桌面
添加小米粒文库到电脑桌面
安装后可以在桌面快捷访问

道路面水泥混凝土施工方案VIP免费

道路面水泥混凝土施工方案_第1页
1/11
道路面水泥混凝土施工方案_第2页
2/11
道路面水泥混凝土施工方案_第3页
3/11
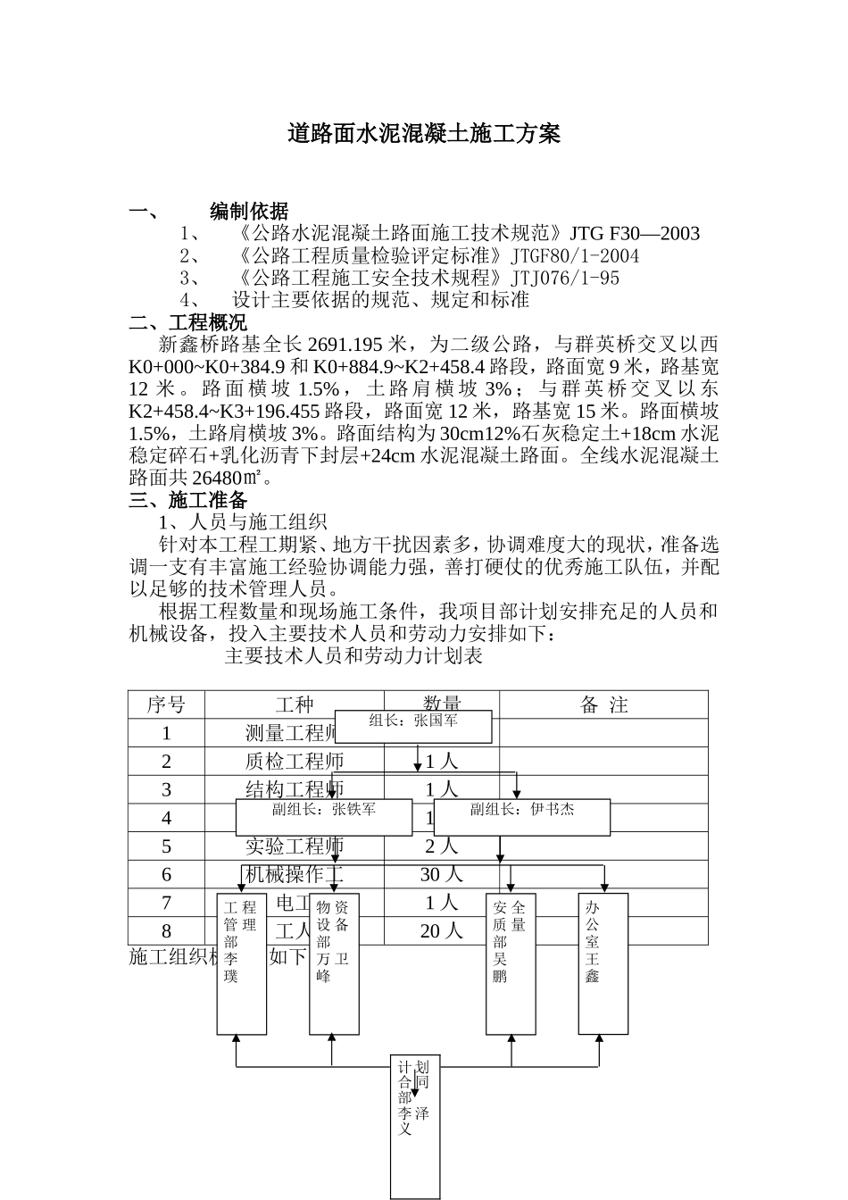
道路面水泥混凝土施工方案道路面水泥混凝土施工方案一、编制依据1、《公路水泥混凝土路面施工技术规范》JTGF30—20032、《公路工程质量检验评定标准》JTGF80/1-20043、《公路工程施工安全技术规程》JTJ076/1-954、设计主要依据的规范、规定和标准二、工程概况新鑫桥路基全长2691.195米,为二级公路,与群英桥交叉以西K0+000~K0+384.9和K0+884.9~K2+458.4路段,路面宽9米,路基宽12米。路面横坡1.5%,土路肩横坡3%;与群英桥交叉以东K2+458.4~K3+196.455路段,路面宽12米,路基宽15米。路面横坡1.5%,土路肩横坡3%。路面结构为30cm12%石灰稳定土+18cm水泥稳定碎石+乳化沥青下封层+24cm水泥混凝土路面。全线水泥混凝土路面共26480㎡。三、施工准备1、人员与施工组织针对本工程工期紧、地方干扰因素多,协调难度大的现状,准备选调一支有丰富施工经验协调能力强,善打硬仗的优秀施工队伍,并配以足够的技术管理人员。根据工程数量和现场施工条件,我项目部计划安排充足的人员和机械设备,投入主要技术人员和劳动力安排如下:主要技术人员和劳动力计划表序号工种数量备注1测量工程师3人2质检工程师1人3结构工程师1人4安全工程师1人5实验工程师2人6机械操作工30人7电工1人8工人20人施工组织机构图如下:工程管理部李璞物资设备部万卫峰安全质量部吴鹏办公室王鑫副组长:张铁军副组长:伊书杰组长:张国军计划合同部李泽义2、机械设备配备计划投入设备见下表:主要机械设备表名称型号单位数量备注全站仪拓普康102台1水准仪DS3台1振动梁台1滚筒台1吸浆机台1抹面机台1抹光机台1压纹器台1切缝机台1发电机组30KW台2振动棒台2钢筋切断机1钢筋调直机13、材料的准备及其性能检验(1)、水泥:水泥的物理性质和化学性质要符合国家标准,并且每一批水泥都应有质保书。并且按照公路工程质量检验评定标准要求的频率进行自检。(2)、砂:质地坚硬、耐光、洁净、符合规定级配,细度模量在2.5以上。含泥量(冲洗法)不大于3%,有机含量(比色法)不深与标准溶液的颜色。路基一队(3)、碎石:质地坚硬、耐光、洁净、符合规定级配,最大粒径不应超过31.5mm。石料的等级强度大于Ⅱ级,压碎值符合规范规定,针、片状颗粒含量大于15%,含泥量(冲洗法)不大于1%。(4)、根据施工进度计划,组织好各种材料的进场。并对已进场的砂、碎石、水泥、钢筋要进行各种性能检验,若有不符合要求的,应另选或采取补救措施。(5)、混合料配合比检验和调整A、工作性的检验和调整,按设计配合比取样试拌,测定其工作性,必须时还应通过试铺检验,如测得其工作性低于要求,则保持水灰比不变适当增加水泥用量。每次调整加入少量材料,重复试验。直至符合要求为止。B、强度的检验,按工作性符合要求的配合比,适当增减水泥用量,配置3组配合比的新拌混凝土试件,并测定其实际密度。到规定龄期后测定其强度。如实测强度未能达到要求的配合强度时,可采用提高水泥标号、减小水灰比或改善粒料级配等措施。C、通过选择不同水量、不同水灰比、不同砂率或不同粒料级配等配制混合料,通过比较,从中选择经济合理的方案。D、施工现场砂和石子的含水量经常变化,必须逐班测定、并调整其实际用量。四、水泥混凝土路面施工方案(一)、施工放样(1)、在路面基层验收合格后进行施工放样工作,直线每段20米一桩,曲线段每4米一桩(与模板长度同)。同时要设胀缝,缩缝,锥坡转折点等中心桩,并相应在路边各设一边桩。(2)、根据放好的中心线及边桩,在现场核对施工图的砼分块线。对于曲线段,必须保持横向分块线与路中心线垂直。(3)、测量放样必须经常复核,做到勤测,勤核、勤纠偏。(二)、路面基层处理(1)、所有挤碎、隆起、空鼓的基层应清除,并使用素砼重铺,同时设胀缝板横向隔开,胀缝板应与路面胀缝和缩缝上下对齐。(2)、当基层产生非扩展性温缩,干缩裂缝时,应进行密封防水。(3)、基层产生较大纵向扩展裂缝时,应分析原因,采用有效的路基稳固措施进行处理。(4)、对部分地段的基层需要进行大面积填补时,应以水泥稳定碎石作为基层。(三)、安装模板(1)、模板必须具有足够的强度和刚度,(模板的高度与砼路面等...

1、当您付费下载文档后,您只拥有了使用权限,并不意味着购买了版权,文档只能用于自身使用,不得用于其他商业用途(如 [转卖]进行直接盈利或[编辑后售卖]进行间接盈利)。
2、本站所有内容均由合作方或网友上传,本站不对文档的完整性、权威性及其观点立场正确性做任何保证或承诺!文档内容仅供研究参考,付费前请自行鉴别。
3、如文档内容存在违规,或者侵犯商业秘密、侵犯著作权等,请点击“违规举报”。

碎片内容

道路面水泥混凝土施工方案

您可能关注的文档

确认删除?
VIP
微信客服
  • 扫码咨询
会员Q群
  • 会员专属群点击这里加入QQ群
客服邮箱
回到顶部