电脑桌面
添加小米粒文库到电脑桌面
安装后可以在桌面快捷访问

导热油MSDS

导热油MSDS_第1页
1/6
导热油MSDS_第2页
2/6
导热油MSDS_第3页
3/6
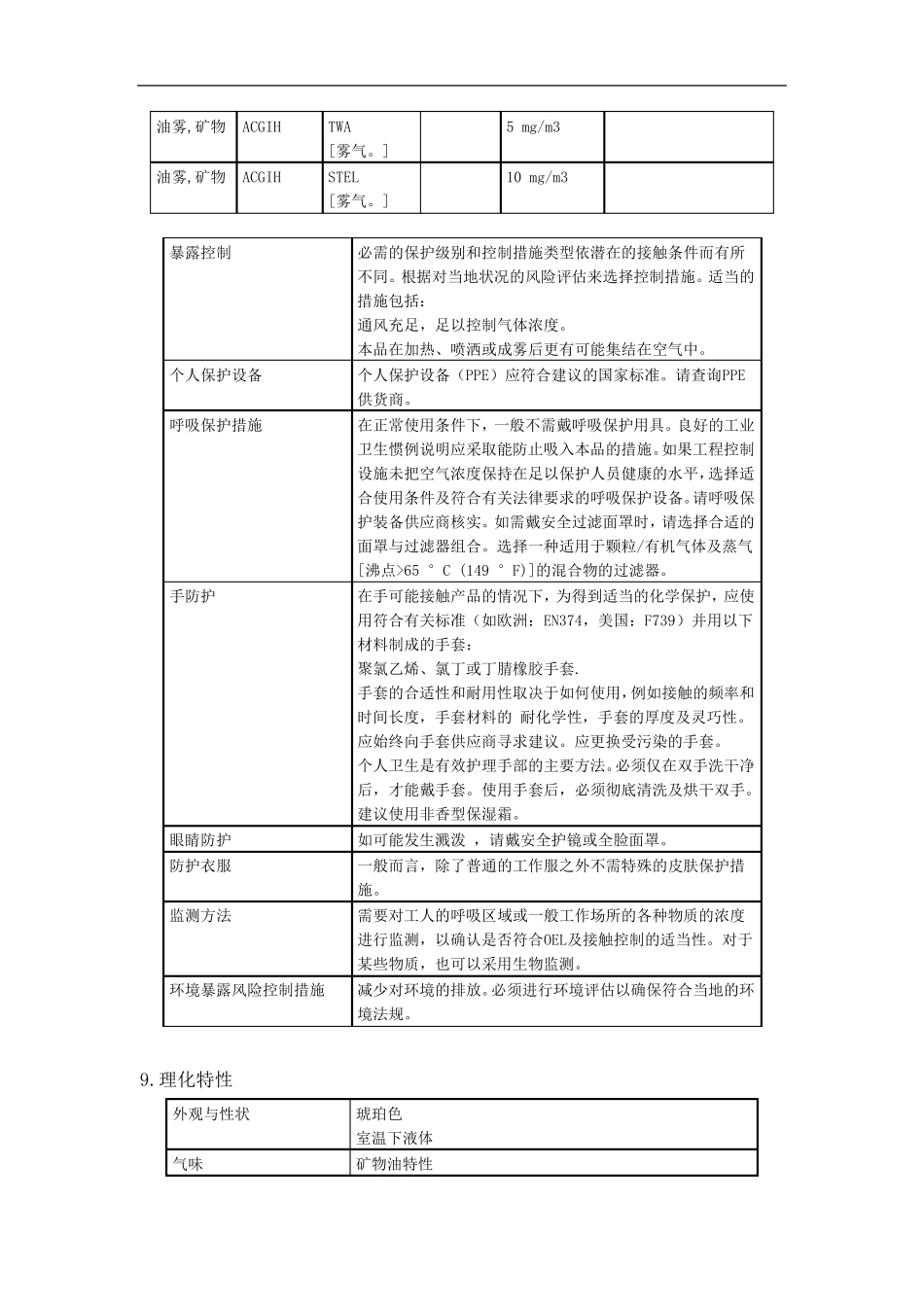
导热油安全技术说明书(SDS) 1.化学品及企业标识 化学产品中文名称 导热油 使用 导热油 2.危险性概述 中国分类 GB13690 准则之下未被划分 健康危害 在正常条件下使用不应会成为健康危险源。 长期或持续接触皮肤,而不适当清洗,可能会阻塞皮肤毛孔,导致油脂性粉刺/毛囊炎等疾病。 用过的油可能包含有害杂质。 症状及征像 油脂性粉刺/毛囊炎征兆及症状可能包括曝露的皮肤出现黑色脓包及斑点。 若摄入,可能会导致恶心、呕吐及/或腹泻。 安全危害 未被评为可燃物,但会燃烧。 环境危害 未归类为环境有害物。 3.成分/组成信息 配方组份 配方说明 深度加氢精制物和添加剂的混合物。 4.急救措施 一般信息 在正常条件下使用不应会成为健康危险源。 吸入 晕眩或反胃不太可能出现,如果发生 了 ,将 患 者 移 到 有新 鲜空 气 的地 方。若症状持续则要 求 求 助 医 生 。 接触皮肤 脱 去 污 染 衣 物。用水 冲 洗暴 露的部 位 ,并 用肥 皂 进 行 清洗。如刺激 持续,请 求 医 。在使用高 压 设 备 时 ,有可能造 成本 品注 入皮下,如发生 此 种 情 况 ,请 立 即 送 往 医 院 治 疗 ,不要 等待 ,以 免 症状恶化。 接触眼 睛 用大 量 的水 冲 洗眼 睛 。如刺激 持续,求 医 。 吞 食 不要 催 吐,用水 漱 口 并 就 医 。 医 生 须 知 对 症治 疗 。吸入肺 中可导致化学性肺 炎。长期或反复 暴 露可能造 成皮炎。高 压 注 入伤 害需 要 立 即 进 行 外 科 处 理 和/或类固 醇 类治 疗 ,以 降 低 组织 伤 害和机 能丧 失 。 5.消 防 措施 使所 有非 急救人 员 撤 离 火 区 。 特 定 的 危 险 危 险 燃 烧 物 品 可 能 包 括 : 气 载 固 体 与 液 体 微 粒 及 气 体 ( 烟 )的 复 杂 混 合 物 。 一 氧 化 碳 。 未 被 识 别 的 有 机 、 无 机 化 合 物 。 适 当 的 灭 火 介 质 泡 沫 , 洒 水 或 喷 雾 。 干 化 学 灭 火 粉 、 二 氧 化 碳 、 沙 或 泥 土 仅宜 用 于 小 规 模 火 灾 。 不 适 用 的 灭 火 物 切 勿 喷 水 。 消 防 人 员 保 护 设 备 合 适 的 保 护 装 置 包 括 在 密 封 空 间 内 接 近 起 火 点...

1、当您付费下载文档后,您只拥有了使用权限,并不意味着购买了版权,文档只能用于自身使用,不得用于其他商业用途(如 [转卖]进行直接盈利或[编辑后售卖]进行间接盈利)。
2、本站所有内容均由合作方或网友上传,本站不对文档的完整性、权威性及其观点立场正确性做任何保证或承诺!文档内容仅供研究参考,付费前请自行鉴别。
3、如文档内容存在违规,或者侵犯商业秘密、侵犯著作权等,请点击“违规举报”。

碎片内容

您可能关注的文档

确认删除?
VIP
微信客服
  • 扫码咨询
会员Q群
  • 会员专属群点击这里加入QQ群
客服邮箱
回到顶部