电脑桌面
添加小米粒文库到电脑桌面
安装后可以在桌面快捷访问

小区园林景观灯具采购技术及质量要求表

小区园林景观灯具采购技术及质量要求表_第1页
1/9
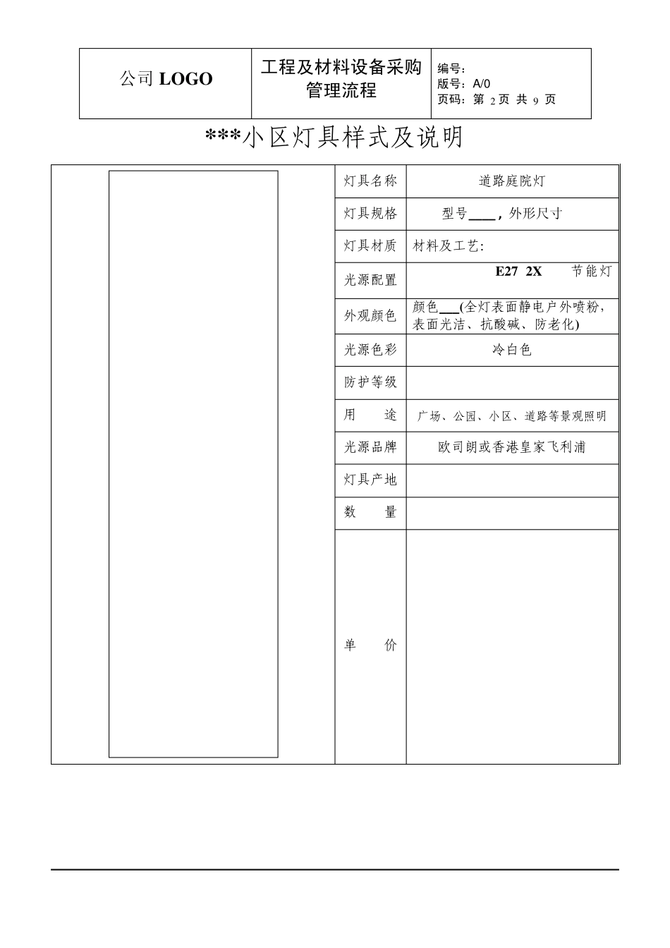
小区园林景观灯具采购技术及质量要求表_第2页
2/9
小区园林景观灯具采购技术及质量要求表_第3页
3/9
公司LOGO 工程及材料设备采购 管理流程 编号: 版号:A/0 页码:第 1 页 共 9 页 ***小区景观灯具采购技术及质量要求表 记录编号: 工程类别:施工总承包[ ] 分包工程[ ] 监理[ ] 设备材料[√ ] 采购类别:招标[ ] 议标[ ] 项目 具体说明 工程名称 ***小区景观灯具采购 工程范围 ***小区景观工程 工期要求 进场时间为 年 月 日前 质量要求 满足附件“***小区景观灯具统计表”样式及技术参数要求,符合行业标准。 技术要求 灯具样式及技术参数要求见附件“***小区景观灯具统计表”。 其它要求 ⒈ 必须按照甲方指定的时间到货;⒉货物下车费用由供方承担;⒊质保期≥2 年、且户外灯具不得有渗水及锈蚀的情况;⒋有稳定的售后服务网络、响应及时。 经办人 经办人须事先确定的事项: 1、图纸:有 [ ] 图纸目录[ ] 无[√] 由供方根据要求设计[ ]; 2、设备材料定板定样:已定[ ] 不需要[√] 根据供方提供样板定[ ]; 3、特殊技术要求:有[√] 无[ ], 如有,请填写在“其它要求”栏。 签名: 日期: 工程部经理 设计部 工程副总 总经理 注:直接签名即表示同意文件内容,签署意见表示按意见修改后同意文件内容。 附件:***小区景观灯具统计表 公司 LOGO 工程及材料设备采购 管理流程 编号: 版号:A/0 页码:第 2 页 共 9 页 ***小区灯具样式及说明 灯具名称 道路庭院灯 灯具规格 型号_ _ _ _ , 外形尺寸___ 灯具材质 材料及工艺: 光源配置 AC220V 50Hz E27 2X__W节能灯4000K 外观颜色 颜色_ _ _ (全灯表面静电户外喷粉,表面光洁、抗酸碱、防老化) 光源色彩 冷白色 防护等级 IP65 用 途 广场、公园、小区、道路等景观照明 光源品牌 欧司朗或香港皇家飞利浦 灯具产地 数 量 单 价 公司 LOGO 工程及材料设备采购 管理流程 编号: 版号:A/0 页码:第 3 页 共 9 页 ***小区景观灯具样式及说明 灯具名称 草坪灯 灯具规格 型号_ _ _ _ , 外形尺寸___ 灯具材质 材料及工艺: 光源配置 AC220V 50Hz E27 13W节能灯 3000K 外观颜色 颜色_ _ _ (全灯表面静电户外喷粉,表面光洁、抗酸碱、防老化) 光源色彩 黄色 防护等级 IP65 用 途 广场、公园、小区、道路等景观照明浦 光源品牌 欧司朗或香港皇家飞利浦 灯具产地 数 量 单 价 公司 LOGO 工程及材料设备采购 管理流程 编号: ...

1、当您付费下载文档后,您只拥有了使用权限,并不意味着购买了版权,文档只能用于自身使用,不得用于其他商业用途(如 [转卖]进行直接盈利或[编辑后售卖]进行间接盈利)。
2、本站所有内容均由合作方或网友上传,本站不对文档的完整性、权威性及其观点立场正确性做任何保证或承诺!文档内容仅供研究参考,付费前请自行鉴别。
3、如文档内容存在违规,或者侵犯商业秘密、侵犯著作权等,请点击“违规举报”。

碎片内容

小区园林景观灯具采购技术及质量要求表

确认删除?
VIP
微信客服
  • 扫码咨询
会员Q群
  • 会员专属群点击这里加入QQ群
客服邮箱
回到顶部