电脑桌面
添加小米粒文库到电脑桌面
安装后可以在桌面快捷访问

2025年哈工大机械设计大作业五轴系部件设计

2025年哈工大机械设计大作业五轴系部件设计_第1页
1/16
2025年哈工大机械设计大作业五轴系部件设计_第2页
2/16
2025年哈工大机械设计大作业五轴系部件设计_第3页
3/16
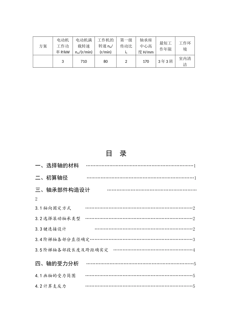
大作业设计阐明书课程名称: 机械设计 设计题目: 设计带式运送机中的 齿轮传动高速轴的轴系部件 机械设计作业任务书题目:设计带式运送机中 的高速轴的轴系部件 题号:5.1.5设计原始数据:机器工作平稳、单向回转、成批生产,其他数据如表所示 。方案电动机工作功率 P/kW电动机满载转速nm/(r/min)工作机的转速 nw/(r/min)第一级传动比i1轴承座中心高度 H/mm最短工作年限工作环境37108021703 年 3 班室内清洁目 录一、选择轴的材料 ……………………………………………………………1二、初算轴径 ……………………………………………………………1三、轴承部件构造设计 …………………………………………………23.1 轴向固定方式 ……………………………………………………………23.2 选择滚动轴承类型 ……………………………………………………………23.3 键连接设计 ………………………………………………………23.4 阶梯轴各部分直径确定…………………………………………………………33.5 阶梯轴各部段长度及跨距确实定 ……………………………………………4四、轴的受力分析 ……………………………………………………………54.1 画轴的受力简图 ……………………………………………………………54.2 计算支反力 ……………………………………………………………54.3 画弯矩图 ……………………………………………………………64.4 画转矩图 ……………………………………………………………6五、校核轴的弯扭合成强度……………………………………………………8六、轴的安全系数校核计算……………………………………………………9七、键的强度校核………………………………………………………………10八、校核轴承寿命………………………………………………………………11九、轴上其他零件设计…………………………………………………………12十、轴承座构造设计……………………………………………………………12十一、轴承端盖(透盖)………………………………………………………13参照文献 ………………………………………………………………13目录一、选择轴的材料................................................................................1二、初算轴径........................................................................................1三、轴承部件的构造设计.............

1、当您付费下载文档后,您只拥有了使用权限,并不意味着购买了版权,文档只能用于自身使用,不得用于其他商业用途(如 [转卖]进行直接盈利或[编辑后售卖]进行间接盈利)。
2、本站所有内容均由合作方或网友上传,本站不对文档的完整性、权威性及其观点立场正确性做任何保证或承诺!文档内容仅供研究参考,付费前请自行鉴别。
3、如文档内容存在违规,或者侵犯商业秘密、侵犯著作权等,请点击“违规举报”。

碎片内容

2025年哈工大机械设计大作业五轴系部件设计

您可能关注的文档

确认删除?
VIP
微信客服
  • 扫码咨询
会员Q群
  • 会员专属群点击这里加入QQ群
客服邮箱
回到顶部