电脑桌面
添加小米粒文库到电脑桌面
安装后可以在桌面快捷访问

钢筋混凝土的单向板肋梁楼盖设计

钢筋混凝土的单向板肋梁楼盖设计_第1页
1/13
钢筋混凝土的单向板肋梁楼盖设计_第2页
2/13
钢筋混凝土的单向板肋梁楼盖设计_第3页
3/13
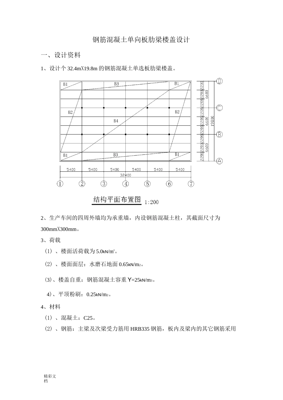
精彩文档钢筋混凝土单向板肋梁楼盖设计一、设计资料1、设计个 32.4mX19.8m 的钢筋混凝土单选板肋梁楼盖。2、生产车间的四周外墙均为承重墙,内设钢筋混凝土柱,其截面尺寸为300mmX300mm。3、荷载(1) 、楼面活荷载为 5.0kN/m'。(2) 、楼面面层:水磨石地面 0.65kN/m2。(3)、楼盖自重:钢筋混凝土容重 Y=25kN/m3。4)、平顶粉刷:0.25kN/m2。4、材料(1) 、混凝土:C25。(2) 、钢筋:主梁及次梁受力筋用 HRB335 钢筋,板内及梁内的其它钢筋采用精彩文档HPB235。二、板的计算板按考虑塑性内力重分布方法计算。L2200板厚 h 三一==55mm,对工业建筑楼盖,要求 h±70mm,故取板厚4040h=80mm。1111次梁截面高度应满足 h=()L=()X5400mm=(300〜450)1812181211mm,考虑到楼面活荷载比较大,故取次梁截面高度 h=400mm。梁宽 b=()3211h=(一〜—)X400mm=(133〜200)mm,取 b=180mm。板的尺寸及支承情况见32图 1-1。(1)荷载计算楼面面层0.65kN/m280mm 厚的钢筋混凝土现浇板0.08X25=2.00kN/m2平顶粉刷0.25kN/m2恒何载标准值2.90kN/m2恒荷载设计值g=1.2X2.90kN/m2=3.48kN/m2活荷载设计值q=1.3X5.0kN/m2=6.5kN/m2合计g+q=9.98kN/m2(2)计算简图板的计算跨度0.18边跨 I=(2.2-0.12-—)m=1.99mn2a0.12h0.08In=i+=(1.99+)m=2.05m>I+=(1.99+)m=2.03m0n22n22故取 I0=2.03m中间跨 I0=I=(2.2-0.18m=2.02m0n精彩文档跨度差 2.032.02=0.5%v10%,可按等跨连续板计算内力,取 1m 宽板带作为计 2.02算单元,计算简图见图 1-2。精彩文档(3)弯矩设计值连续板各截面弯矩设计值见表 1-3。表 1-3 连续板各截面弯矩计算截面边跨跨中离端第二支座离端第二跨跨中中间支座弯矩计算系数 a111111111614M=a(g+q)1—X9.98X1-_X9.98X1—X9.98X1-—X9.98X11111614I02/kN.m2.032=3.742.032=-3.742.022=2.552.022=-2.91(4)承载力计算 b=1OOOmm,h=80mm,h0=(80-20)mm=60mm,钢筋采用HPB235级(fy=210N/mm2),混凝土采用 C25(fy=11-9N/mm2),a我。各截面配筋见表 1-4。90199H?°2020CDCD寸」U图 1-2 板的计算简图CC、11主梁截面高度 h=(15〜10)X6600mm=(440〜660)mm,取主梁截面高度取 b=250mm。次梁的尺寸及精彩文档表 1-4 板的配筋计算板带部位边区板带(①〜②、⑥〜⑦轴线间)中间区板带(②〜⑤轴线间)板带部位截面边跨跨中离端第二支座离端第二跨跨中中间跨跨中中间支座边跨跨中离端第二支座离端第二跨跨中中间跨跨中中间支座M/kN.m3.74-3.742.55...

1、当您付费下载文档后,您只拥有了使用权限,并不意味着购买了版权,文档只能用于自身使用,不得用于其他商业用途(如 [转卖]进行直接盈利或[编辑后售卖]进行间接盈利)。
2、本站所有内容均由合作方或网友上传,本站不对文档的完整性、权威性及其观点立场正确性做任何保证或承诺!文档内容仅供研究参考,付费前请自行鉴别。
3、如文档内容存在违规,或者侵犯商业秘密、侵犯著作权等,请点击“违规举报”。

碎片内容

钢筋混凝土的单向板肋梁楼盖设计

您可能关注的文档

确认删除?
VIP
微信客服
  • 扫码咨询
会员Q群
  • 会员专属群点击这里加入QQ群
客服邮箱
回到顶部