电脑桌面
添加小米粒文库到电脑桌面
安装后可以在桌面快捷访问

IT项目管理文档模板

IT项目管理文档模板_第1页
1/55
IT项目管理文档模板_第2页
2/55
IT项目管理文档模板_第3页
3/55
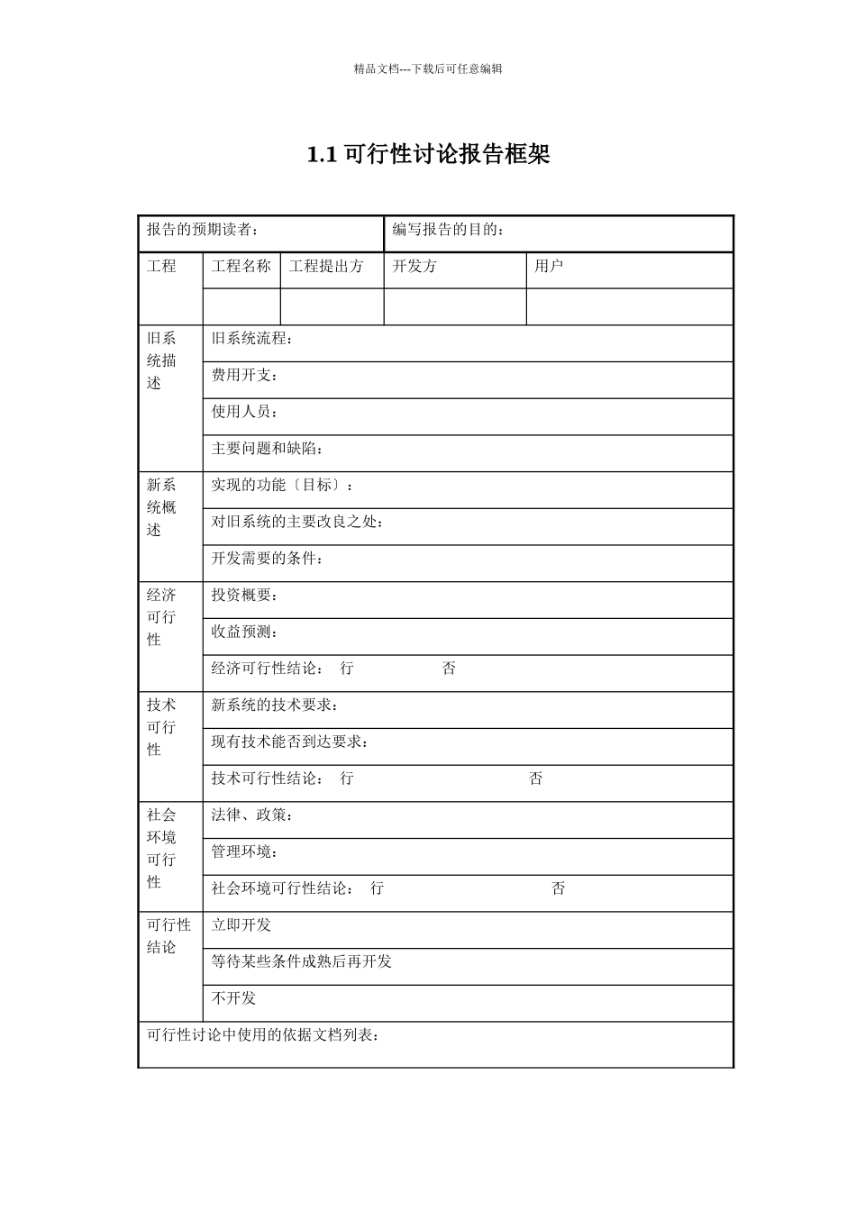
精品文档---下载后可任意编辑目 录目 录..............................................................................................................................................1第 1 局部:IT 工程启动阶段..........................................................................................................21.1 可行性讨论报告框架.........................................................................................................3工程章程..................................................................................................................................4工程整体风险水平定性分析表...............................................................................................5多工程风险情况一览表...........................................................................................................6质量保证说明书......................................................................................................................7采购程序及准购权限表...........................................................................................................8会议议程安排表......................................................................................................................9会议预算表............................................................................................................................10会议申请审批表.....................................................................................................................11会议通知表............................................................................................................................12附表一: 通知回执表.........................................................................................................13附表二:回执统计表............................................................................................................14会议签到表....................................................................................................

1、当您付费下载文档后,您只拥有了使用权限,并不意味着购买了版权,文档只能用于自身使用,不得用于其他商业用途(如 [转卖]进行直接盈利或[编辑后售卖]进行间接盈利)。
2、本站所有内容均由合作方或网友上传,本站不对文档的完整性、权威性及其观点立场正确性做任何保证或承诺!文档内容仅供研究参考,付费前请自行鉴别。
3、如文档内容存在违规,或者侵犯商业秘密、侵犯著作权等,请点击“违规举报”。

碎片内容

IT项目管理文档模板

确认删除?
VIP
微信客服
  • 扫码咨询
会员Q群
  • 会员专属群点击这里加入QQ群
客服邮箱
回到顶部