电脑桌面
添加小米粒文库到电脑桌面
安装后可以在桌面快捷访问

德标卡箍基本知识

德标卡箍基本知识_第1页
1/6
德标卡箍基本知识_第2页
2/6
德标卡箍基本知识_第3页
3/6
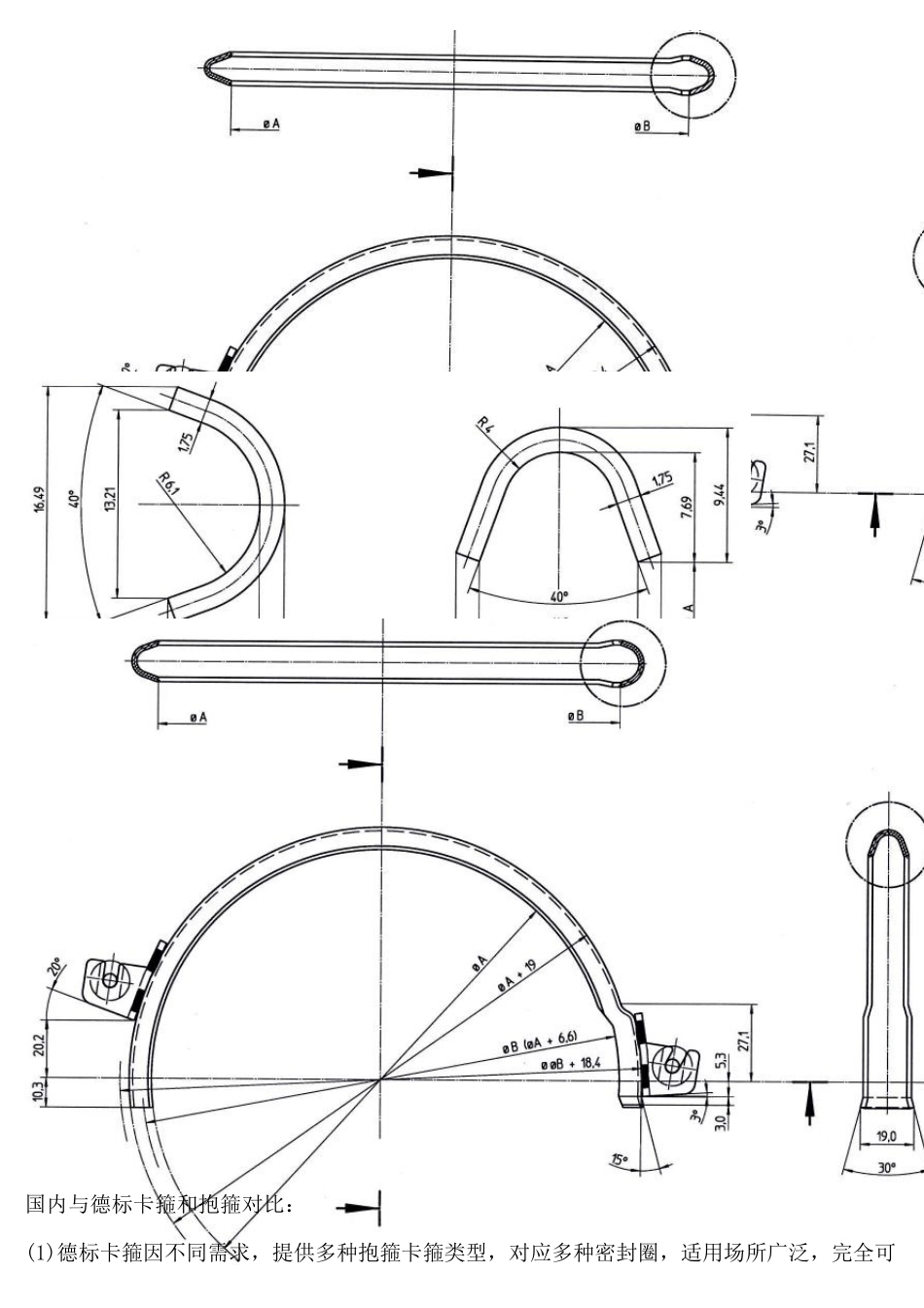
所 谓 风 管 抱 箍 、 德 标 卡 箍 , 英 文 名 clamping rings, 又 称 卡 箍 , 俗 称 为 快 速 法 兰 装 置 。 是 用 一 种 管 道 专 用 材料 抱 住 或 箍 住 另 外 一 种 管 道 材 料 的 构 件 , 它 属 于 五 金 中 的 紧 固 件 。 抱 箍 主 要 有 三 种 , 一 、 排 气 管 道 抱 箍 , 二 、通 风 管 道 抱 箍 , 三 、 除 尘 管 道 抱 箍 。 是 一 种 适 用 于 圆 形 风 管 采 用 抱 箍 式 连 接 的 无 法兰 风 管 , 由 风 管 、 抱 箍 、锁 紧 机 构 、 V 型 或 U 形 密 封 O 形 圈 组 成 , 抱 箍 呈 “ __” 型 , 对 应 抱 卡 风 管 管 端 的 凸 边 , 并 用 锁 紧 机 构 固 定 ,实 用 新 型 无 外 突 法 兰 机 构 , 利 用 抱 箍 的 弧 形 面 抱 住 风 管 管 端 的 凸 边 ( 管 口 机 械 翻 边 宽 度7MM-10MM, 管 道 壁 厚0.6-3MM) , 连 接 紧 固 , 密 封 效 果 好 , 方 便 实 用 。 应 用 于 圆 形 风 管 连 接 , 是 角 铁 圆 法兰 的 更 新 换 代 产 品 , 具有 角 铁 圆 法 兰 不 可 比 拟 的 优 点 。 标 准 组 件 设 计 , 通 过 管 件 的 灵 活 搭 配 , 以 抱 箍 , 或 者卡 箍 法 兰 等连 接 成 任意形 式 和方 向的 输送管 道 。 卡 箍 产 品 规格只要 有 :φ80、 φ90、 φ100、 φ114、 φ125、 φ140、 φ150、 φ160、φ170、 φ180、 φ200、 φ220、 φ250、 φ273、 φ300、 φ350、 φ400、 φ450、 φ500、 φ550、 φ600、 甚至 1000MM 以 上, 管 道 均按外 径算, 其他规格可 客户要 求尺寸定 制。 简称 两大类卡 箍 , 一 、 轻型 手柄式 , 内带红色气 密 胶条( 气 密 性一 般, 胶条中 间断开连 接 ) , 不 能调节大小, 定 货前一 定 要 精确管 径, 管 径偏差 2MM会影响使用 , 材 质有 镀锌、 不 锈钢 304, 箍 的 厚 度1.2MM。 二 、 重型 螺栓式 (推荐型 ) , 此箍 可 以 调节大小,即是 对 开两半形 两头( 单头螺栓, 一 头手柄) 内六角 螺栓式 内...

1、当您付费下载文档后,您只拥有了使用权限,并不意味着购买了版权,文档只能用于自身使用,不得用于其他商业用途(如 [转卖]进行直接盈利或[编辑后售卖]进行间接盈利)。
2、本站所有内容均由合作方或网友上传,本站不对文档的完整性、权威性及其观点立场正确性做任何保证或承诺!文档内容仅供研究参考,付费前请自行鉴别。
3、如文档内容存在违规,或者侵犯商业秘密、侵犯著作权等,请点击“违规举报”。

碎片内容

德标卡箍基本知识

您可能关注的文档

确认删除?
VIP
微信客服
  • 扫码咨询
会员Q群
  • 会员专属群点击这里加入QQ群
客服邮箱
回到顶部