电脑桌面
添加小米粒文库到电脑桌面
安装后可以在桌面快捷访问

中海集团船舶安全检查报表第20期XXXX年5月26日—6

中海集团船舶安全检查报表第20期XXXX年5月26日—6_第1页
1/3
中海集团船舶安全检查报表第20期XXXX年5月26日—6_第2页
2/3
中海集团船舶安全检查报表第20期XXXX年5月26日—6_第3页
3/3
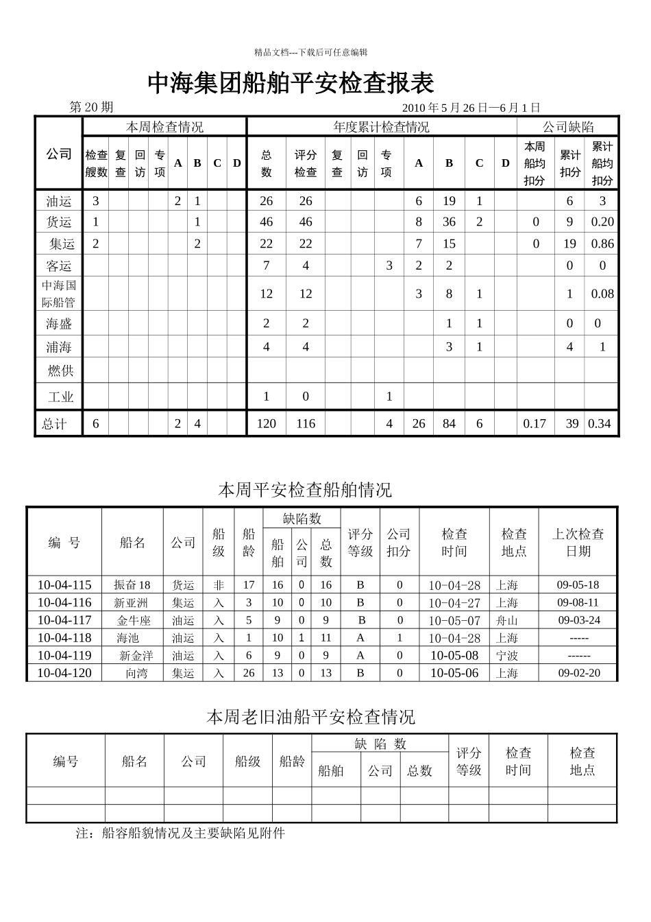
精品文档---下载后可任意编辑中海集团船舶平安检查报表 第 20 期 2010 年 5 月 26 日—6 月 1 日 公司本周检查情况 年度累计检查情况公司缺陷检查艘数复查回访专项ABCD总数评分检查复查回访专项ABCD本周船均扣分累计扣分累计船均扣分油运3212626619163货运1146468362090.20 集运2222227150190.86客运7432200中海国际船管 121238110.08海盛221100浦海443141燃供工业101总计6241201164268460.1739 0.34本周平安检查船舶情况编 号船名公司船级船龄缺陷数评分等级公司扣分检查时间检查地点上次检查日期船舶公司总数10-04-115 振奋 18货运非1716016B010-04-28上海09-05-18 10-04-116 新亚洲集运入310010B 010-04-27上海09-08-1110-04-117 金牛座油运入5909B010-05-07舟山09-03-24 10-04-118 海池油运入110111A110-04-28上海 ----- 10-04-119 新金洋油运入6909A010-05-08宁波------ 10-04-120 向湾集运入2613013B010-05-06上海09-02-20本周老旧油船平安检查情况编号船名公司船级船龄缺 陷 数评分等级检查时间检查地点船舶公司总数 注:船容船貌情况及主要缺陷见附件 精品文档---下载后可任意编辑 中海集团船舶平安检查组 振奋 18 轮:船容船貌:较洁净 船舶主要缺陷:厨房通风窗门水密胶条边框锈烂;船艏右绞缆机刹车带不能正常工作;船艏弃链器无弃链标识和操作程序,左弃链装置缺失重力锤;一号付机在滑油低压模拟试验中不能报警与停车保护;三台付机燃油泄漏报警不能工作;轮机日志记录中推力轴承温度比滑油进机温度低 7℃;一只火警报警按钮指示灯不亮、一只火灾器和厨房间升降机两只警铃故障;QSMS-4 体系文件中“大型二氧化碳灭火系统操作规程〞应增加机舱风、油应急迫断内容。 新亚洲轮:船容船貌:洁净 船舶主要缺陷:驾驶台训练手册中无船配 EPIRB 的操作说明;机舱#2 风机启闭装置重锤杆裂;油类记录簿 2010 年 4 月 5 日加装燃料油的填写数量与实际不符,C11 项填写的各残油舱容积,其中有 4 只残油舱的容积与 IOPP 证书不符;机舱#27#34 泡沫灭火器喷管与瓶体的接口松动;机舱分油机间 CO2灭火系统释放箱旁无操作程序;消防控制站内消防空气呼吸器背架与钢瓶别离〔螺丝松动脱落〕。 金牛座轮:船容船貌:洁净 船舶主要缺陷:驾驶台和舵机间未张贴应急操舵转换程序方块图;驾驶台雷达AIS、GPS 测深仪、电子海图等助航仪器无操作规程单船文件;主机旁应急操作规程描述混淆不清...

1、当您付费下载文档后,您只拥有了使用权限,并不意味着购买了版权,文档只能用于自身使用,不得用于其他商业用途(如 [转卖]进行直接盈利或[编辑后售卖]进行间接盈利)。
2、本站所有内容均由合作方或网友上传,本站不对文档的完整性、权威性及其观点立场正确性做任何保证或承诺!文档内容仅供研究参考,付费前请自行鉴别。
3、如文档内容存在违规,或者侵犯商业秘密、侵犯著作权等,请点击“违规举报”。

碎片内容

中海集团船舶安全检查报表第20期XXXX年5月26日—6

确认删除?
VIP
微信客服
  • 扫码咨询
会员Q群
  • 会员专属群点击这里加入QQ群
客服邮箱
回到顶部