电脑桌面
添加小米粒文库到电脑桌面
安装后可以在桌面快捷访问

悬挑式卸料平台技术交底

悬挑式卸料平台技术交底_第1页
1/8
悬挑式卸料平台技术交底_第2页
2/8
悬挑式卸料平台技术交底_第3页
3/8
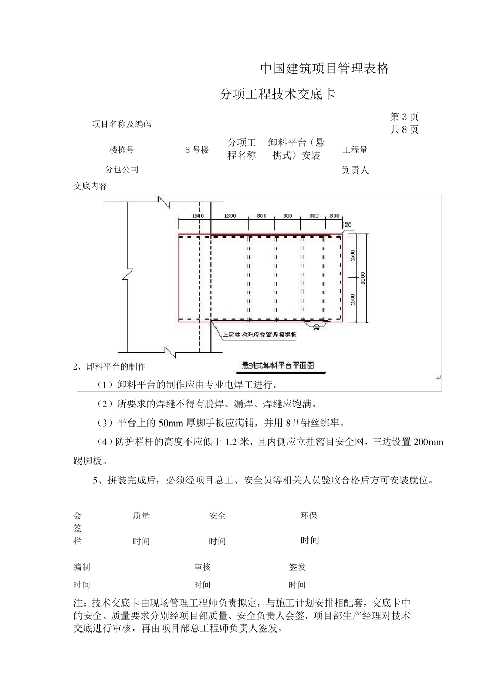
中 国 建 筑 项 目 管 理 表 格 分 项 工 程 技 术 交 底 卡 项 目 名 称 及 编 码 第 1 页 共 8 页 楼 栋 号 分 项 工程 名 称 卸 料 平 台 ( 悬挑 式 ) 安 装 工 程 量 分 包 公 司 负 责 人 交 底 内 容 一 、 工 程 概 况 泰 达 服 务 外 包 产 业 园 8 号 楼 工 程 施 工 过 程 中 , 根 据 高 层 的 结 构 特 点 及 现 场 实 际 情 况 , 为了 较 好 地 解 决 各 楼 层 周 转 材 料 的 垂 直 运 输 问 题 ,在 结 构 施 工 至 3 层 搭 设 悬 挑 式 卸 料 平 台 。8 号 楼 主 体 结 构 地 上 7 层 , 建 筑 高 度 31.75m, 结 合 两 个 流 水 段 进 行 施 工 , 设 置 两 个 卸 料平 台 。 宽 度 为3.0m, 长 度6m, 见 图3.0-1 所 示 。 结 构 施 工 至3 层 开 始 搭 设 悬 挑 卸 料 平台 。 图 3.0-1 卸 料 平 台 示 意 图 二 、 构 造 及 制 作 工 艺 1、 平 台 构 造 卸 料 平 台 采 用20#槽钢制 作 , 次梁为 16#槽钢, 槽钢间距为 800mm, 上 铺50mm 厚的木板, 采 用Φ20 的 钢筋吊环, 采 用6×37Φ18 钢丝绳拉结 。 会 签 栏 质量 安 全 环保 时间 时间 时间 编 制 审核 签发 时间 时间 时间 注:技 术 交 底 卡 由现 场 管 理 工 程 师 负 责 拟 定 , 与 施 工 计 划 安 排 相 配 套 , 交 底 卡 中的 安 全、 质量 要 求 分 别 经 项 目 部 质量 、 安 全负 责 人 会签, 项 目 部 生 产 经 理 对 技 术交 底 进 行 审核, 再 由项 目 部 总 工 程 师 负 责 人 签发。 中国建筑项目管理表格 分项工程技术交底卡 项目名称及编码 第2 页 共8 页 楼栋号 分项工程名称 卸料平台(悬挑式)安装 工程量 分包公司 负责人 交底内容 会 签 栏 质量 安全 环保 时间 时间 时间 编制 审核 签发 时间 时间 时间 注:技术交底卡由现场管理工程师负责拟定,与施工计划安排相配套,交底卡中的安全、质量要求分别经项目部质量、安全负责人会签,项目部生产经理对技术交底进行审核,再由项目部总工程师负责人签发。 中国建筑项目管理表格 分...

1、当您付费下载文档后,您只拥有了使用权限,并不意味着购买了版权,文档只能用于自身使用,不得用于其他商业用途(如 [转卖]进行直接盈利或[编辑后售卖]进行间接盈利)。
2、本站所有内容均由合作方或网友上传,本站不对文档的完整性、权威性及其观点立场正确性做任何保证或承诺!文档内容仅供研究参考,付费前请自行鉴别。
3、如文档内容存在违规,或者侵犯商业秘密、侵犯著作权等,请点击“违规举报”。

碎片内容

悬挑式卸料平台技术交底

小辰4+ 关注
实名认证
内容提供者

出售各种资料和文档

确认删除?
VIP
微信客服
  • 扫码咨询
会员Q群
  • 会员专属群点击这里加入QQ群
客服邮箱
回到顶部