电脑桌面
添加小米粒文库到电脑桌面
安装后可以在桌面快捷访问

悬挑脚手架钢丝绳卸荷措施方案

悬挑脚手架钢丝绳卸荷措施方案_第1页
1/16
悬挑脚手架钢丝绳卸荷措施方案_第2页
2/16
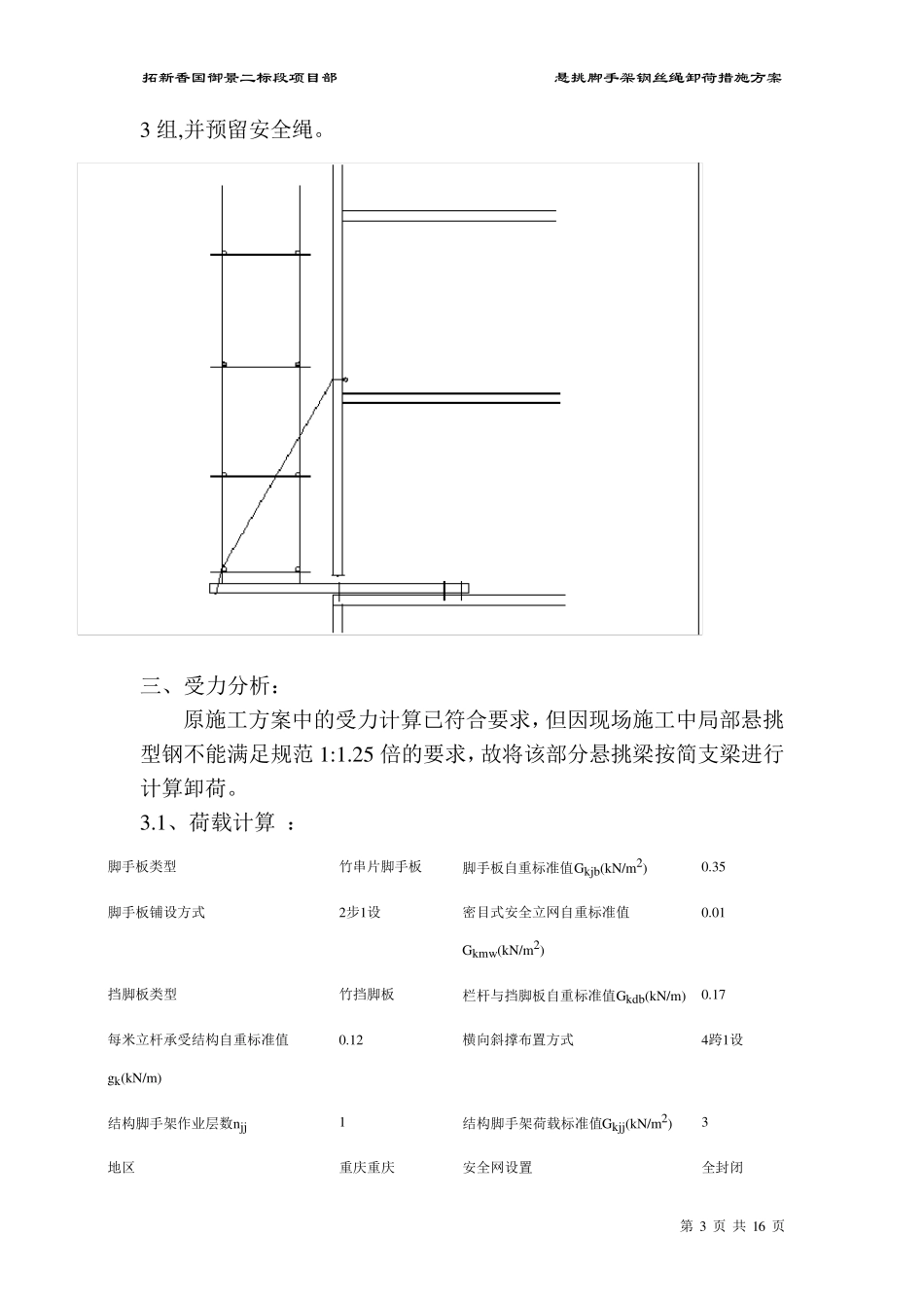
悬挑脚手架钢丝绳卸荷措施方案_第3页
3/16
拓新香国御景二标段项目部 悬挑脚手架钢丝绳卸荷措施方案 第 1 页 共 16 页 悬挑脚手架钢丝绳卸荷措施方案 一、工程概括 (一)、编制依据 1、施工图纸 香国御景二标段 25 号楼工程施工图纸。 2、引用文件 1)、现行国家、企业有关标准规范和规定、技术规程; 2)、国家建筑安装工程质量检验评定统一标准; 3)、《建筑施工扣件式钢管脚手架安全技术规范》JGJ130-2011 4)、《建筑施工安全检查评分标准》JGJ59-2011; 5)、GB/T 20118-2006 一般用途钢丝绳规范; 6)、香国御景二标段外脚手架施工方案; (二)、工程概括 拓新香国城 25 号楼位于拓新香国城项目内,25 号楼为 11 层洋房及地下车库组成,总建筑面积约 5310*2 ㎡。结构为框架剪力墙结构。建设单位为重庆拓新控股集团建筑工程有限公司,设计单位为重庆市设计院,监理单位为重庆三峡涌鸿建筑工程有限公司,施工单位为重庆拓新控股集团建筑工程有限公司。 拓新香国御景二标段项目部 悬挑脚手架钢丝绳卸荷措施方案 第 2 页 共 16 页 二 、 脚 手 架 设 计 1.根 据 原 专 项 施 工 方 案 对 本 楼 层 悬 挑 脚 手 架 的 搭 设 要 求 如 下 图 : 脚 手 架 排 数 悬 挑 脚 手 架 纵 、 横 向 水 平 杆 布 置 方 式 横 向 水 平 杆 在 上 搭 设 高 度 (m) 19.8 钢 管 类 型 Φ48×2.5 立 杆 纵 距 (m) 1.5 立 杆 横 距 (m) 0.7 立 杆 步 距 (m) 1.8 双 立 杆 计 算 方 法 不 设 置 双 立 杆 横 向 斜 撑 5跨 1设 脚 手 板 2步 1设 连 墙 件 连 接 方 式 扣 件 连 接 连 墙 件 布 置 方 式 两 步 三 跨 基 本 风 压 (kN/m2) 0.25 安 全 网 全 封 闭 悬 挑 方 式 普 通 主 梁 悬 挑 锚 固 点 设 置 方 式 压 环 钢 筋 压 环 钢 筋 直 径 d(mm) 16 主 梁 建 筑 物 外 悬 挑 长 度 Lx(mm) 1200 主 梁 外 锚 固 点 到 建 筑 物 边 缘 的 距 离a(mm) 100 主 梁 建 筑 物 内 锚 固 长 度 Lx(mm) 1600 梁 /楼 板 混 凝 土 强 度 等 级 C30 主 梁 材 料 规 格 16号 工 字 钢 主 梁 合 并 根 数 nz 1 2.香 国 御 景25 号 楼 采 用 落 地 脚 手 架 和 悬 挑 脚 手 架 分 ...

1、当您付费下载文档后,您只拥有了使用权限,并不意味着购买了版权,文档只能用于自身使用,不得用于其他商业用途(如 [转卖]进行直接盈利或[编辑后售卖]进行间接盈利)。
2、本站所有内容均由合作方或网友上传,本站不对文档的完整性、权威性及其观点立场正确性做任何保证或承诺!文档内容仅供研究参考,付费前请自行鉴别。
3、如文档内容存在违规,或者侵犯商业秘密、侵犯著作权等,请点击“违规举报”。

碎片内容

悬挑脚手架钢丝绳卸荷措施方案

您可能关注的文档

确认删除?
VIP
微信客服
  • 扫码咨询
会员Q群
  • 会员专属群点击这里加入QQ群
客服邮箱
回到顶部