电脑桌面
添加小米粒文库到电脑桌面
安装后可以在桌面快捷访问

成功制作TDA7265功放板

成功制作TDA7265功放板_第1页
1/7
成功制作TDA7265功放板_第2页
2/7
成功制作TDA7265功放板_第3页
3/7
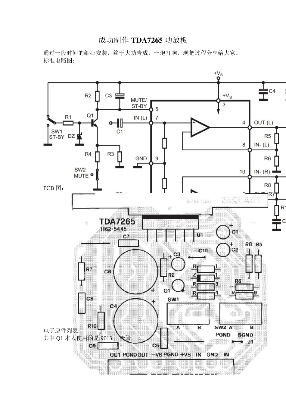
成功制作TDA7265 功放板 通过一段时间的细心安装,终于大功告成,一炮打响,现把过程分享给大家。 标准电路图: PCB 图: 电子原件列表: 其中 Q 1 本人使用的是 9013 三极管。 制作过程: 把PCB 电路图打印下来,然后贴在洞洞板上,把电子原件按图纸上的标识对应插入,然后焊接,焊好后,不要先把多余的腿剪刀掉,可以当连线用。当把所有的元器件焊好后,就可以按图纸连线,把元器件一个一个的连起来。连好后,再检查一下有没有错漏的地方,没有发现错漏,就可以通电欣赏音乐了。最后一张为本人改装具有正负电源的变压器。 上图:

1、当您付费下载文档后,您只拥有了使用权限,并不意味着购买了版权,文档只能用于自身使用,不得用于其他商业用途(如 [转卖]进行直接盈利或[编辑后售卖]进行间接盈利)。
2、本站所有内容均由合作方或网友上传,本站不对文档的完整性、权威性及其观点立场正确性做任何保证或承诺!文档内容仅供研究参考,付费前请自行鉴别。
3、如文档内容存在违规,或者侵犯商业秘密、侵犯著作权等,请点击“违规举报”。

碎片内容

成功制作TDA7265功放板

确认删除?
VIP
微信客服
  • 扫码咨询
会员Q群
  • 会员专属群点击这里加入QQ群
客服邮箱
回到顶部