电脑桌面
添加小米粒文库到电脑桌面
安装后可以在桌面快捷访问

托盘知识大全

托盘知识大全_第1页
1/20
托盘知识大全_第2页
2/20
托盘知识大全_第3页
3/20
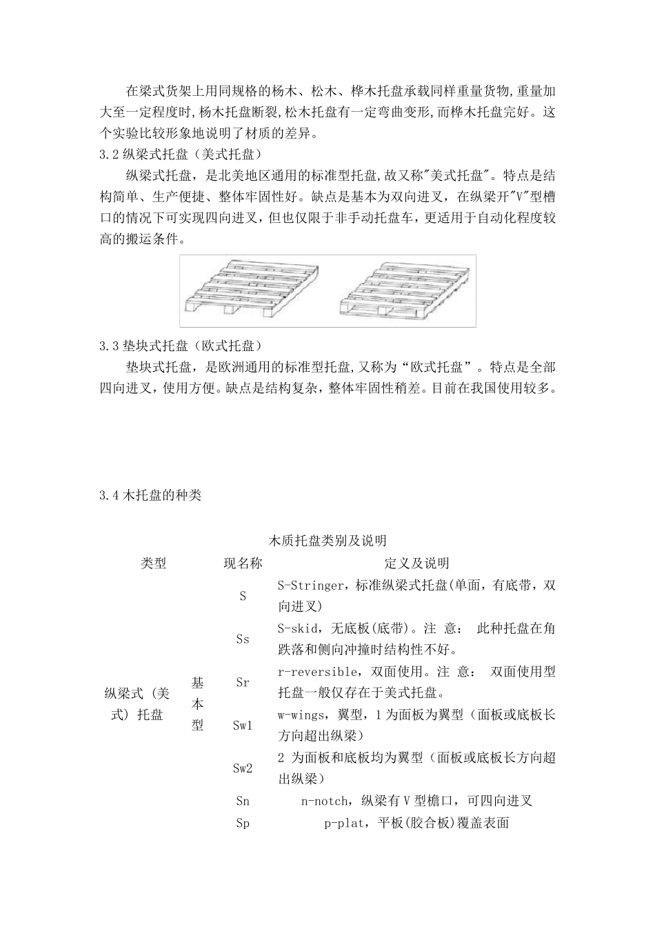
关于托盘的种种知识 一、托盘的种类 托盘,又称栈板、卡板、拍子,是搬运、放置货物的连接垫放物。根据不同的制造材料,可分为木制托盘、塑料托盘、钢制托盘、纸制托盘和复合材料托盘等多种;根据不同的使用需求又可分为长期周转用和一次性使用两类。塑料托盘和钢制托盘基本上均为周转用托盘,纸制托盘为一次性使用托盘,木制托盘和复合材料托盘既可生产周转用托盘,也可生产一次性托盘。 二、托盘的使用 托盘的使用在静态时基本可分为垫板用,堆垛和货架使用,其承重要求依次递增。托盘的承载性体现在静载,动载和货架承载三个方面.同一托盘的承载指数在此三方面侬次递减。 根据托盘自身的结构.在使用上可分为单面或双面使用,双向进叉或四向进叉。对于非手动叉车(电动、燃油、燃气等),所有托盘均适用。而手动液压托盘搬动车及托盘举升车无法与双面托盘配合使用。 除叉车外.托盘在设计时亦要考虑所载货物,如产品类型、沉陷性、重量、单位体积、堆码情况等;同时也要适应货架条件,如货架类型、货架承重、搬运方向、放置方向、放置布局等。 三、木制托盘 木制托盘是托盘中最传统和最普及的类型。由于木材具有价格 低 廉 、易 于加工 ,成 品适应性强 、可以 维 修 等特 点 ,而为绝 大 多数用户 采 用。据不完 全 统计, 目前 木制托盘约 占 整 个托盘市 场 的95% 以 上。木制托盘的问 题 主 要存 在于卫 生和生产稳 定 性等方面 木材易 受 潮 、发 霉 、虫 蛀 而又无法清 洗 , 其表 面木屑 脱 落 及螺 钉 锈 蚀 的问 题 也是难 以 克 服 的。此外, 由于木材是天 然 材料, 其质 量受 地 域 气候 等多方面影 响 , 既便 是同一批 原 料, 在干 湿 度 、风 裂 等方面亦难 以 达 到 统一标准 。 3.1 木托盘的材料 木制托盘的性能 及特 点 , 主 要取 决 于木材本身, 材料是决 定 木托盘应用及价格 的关键 性因 素 。我 国 北 方常 见 托盘用材基本有以 下 几 种: 杨 木类: 属 阔 叶 树 , 材质 疏 松 而软 , 耐 用性差 , 适于制造承重要求不高 的托盘。价格 较 低 。 松 木类: 属 针 叶 树 种, 种类较 多, 适用性广 。落 叶 松 ( 黄 花 松 ) 纹 理 粗 实 、木制硬 、价格 适中, 是制造托盘常 用材种之 一。白 松 和红 松 纹 理 细 致 , 色 白 , 外观 美 丽 ...

1、当您付费下载文档后,您只拥有了使用权限,并不意味着购买了版权,文档只能用于自身使用,不得用于其他商业用途(如 [转卖]进行直接盈利或[编辑后售卖]进行间接盈利)。
2、本站所有内容均由合作方或网友上传,本站不对文档的完整性、权威性及其观点立场正确性做任何保证或承诺!文档内容仅供研究参考,付费前请自行鉴别。
3、如文档内容存在违规,或者侵犯商业秘密、侵犯著作权等,请点击“违规举报”。

碎片内容

托盘知识大全

小辰6+ 关注
实名认证
内容提供者

出售各种资料和文档

确认删除?
VIP
微信客服
  • 扫码咨询
会员Q群
  • 会员专属群点击这里加入QQ群
客服邮箱
回到顶部