电脑桌面
添加小米粒文库到电脑桌面
安装后可以在桌面快捷访问

扭矩试题及答案

扭矩试题及答案_第1页
1/6
扭矩试题及答案_第2页
2/6
扭矩试题及答案_第3页
3/6
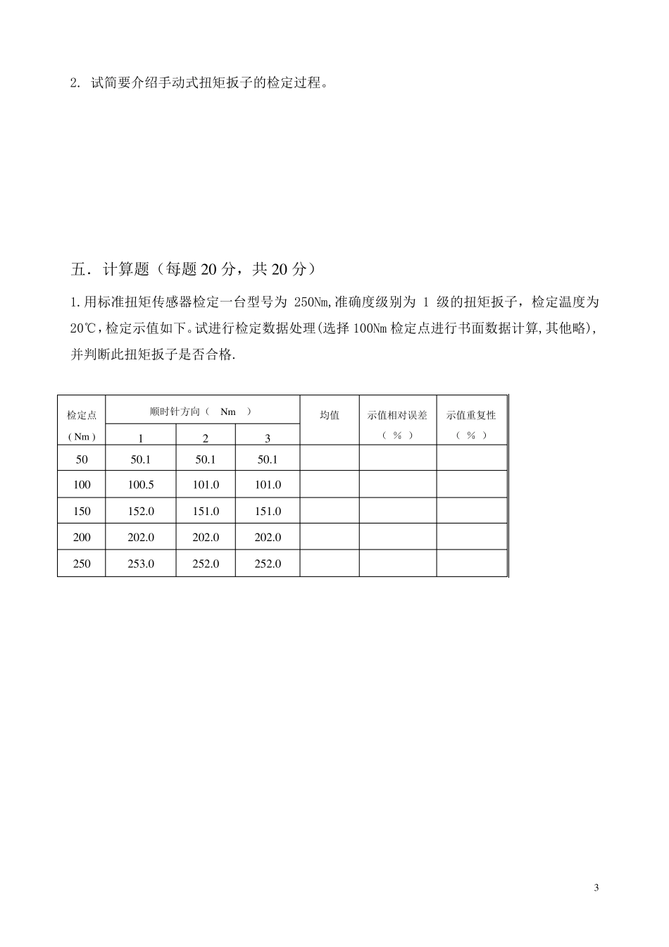
1 扭矩检定员考试试卷 姓 名 单位 分数 一、填空题(每空1 分,共20 分) 1.扭矩扳子是一种带有 机构拧紧计量器具。 2.在国际单位制中,力值单位“牛(顿)的定义是使质量为 的物体产生 加速度的力。 3.扭矩仪按工作原里一般分为 式 , 式, 式三类。 4.电子式扭矩是将被检扭矩扳子的 扳头有与扭矩传感器的棘轮孔同轴 ,当在扭矩扳子尾部直接或间接施加扭矩时,传感器受扭矩时产生相应的 ,经放大,在数字 显示出来。 5.新制造,改装和修理后的扭矩仪,需要进行 定度(或检定),两次间隔时间为 。 6.力的三要素是力的大小, , 。 7.电阻应变式力传感器的电桥一般都接成 桥形式,以增加其 。 8.扭矩扳子应在 ,相对湿度不大于 的环境下进行检定。 9.扭矩扳子按所使用的动力源一般分为手动,电动, ,和 四大类。 10. 扭矩仪的使用范围一般从量程最大值的 开始至最大值,特殊的扭矩仪不受此限制,但起点不得小于最大扭矩值的 .检定点不得少于 ,且 应均 匀 分布 。 二 、选 择 题(每题2 分,共2 0 分) 1.在检定中,标 准 装置 给 出的标 准 值的扩 展 不确 定度为被检扭矩扳子最大允 许 误 差的 。 A. 1/3-1/10 B. 1/2-1/10 C. 1/4-1/10 2.电阻应变力传感器的额 定输 出与作用力大小成 。 A. 反 比 B. 正 比 C. 无 关 3.指 针 式扭矩扳手的示值回 零 误 差 应不大于 个 分度。 A. 0.2 B. 0.5 C. 1.0 4.电阻应变式传感器配 用的测 读 仪表 ,输 入 阻抗 越 高 ,测 量准 确 度受到 的影 响 。 A.越 小 B.越 大 C.与其无 关 2 5.物体所受作用力的合力为零,则 。 A.运动速度为零 B.变形为零 C.加速度为零 6.接触式测功装置的温度检定条件为 。 A. (20 5) ℃ B. (20 10) ℃ C. (20 20) ℃ 7.非接触式测功装置的温度检定条件为 。 A. (20 5) ℃ B. (2010) ℃ C. (20 20) ℃ 8.扭矩扳子的首次检定应按其使用方向施加额定扭矩值的 进行超负荷试验。 A. 100% B. 120% C. 150% 9.准确度级别为1.0 级的扭矩仪,其示值相对误差为 。 A. 1.0 B.  0.1 C.要具体分析 10.准确度级别为10 级的扭矩扳子,指针式每个标尺的分度数不小于 。 A.10 B.20 C.30 三.判断题(每题 2 分,共 2 0 分) 1.电子式扭矩仪预热后应立即测定零...

1、当您付费下载文档后,您只拥有了使用权限,并不意味着购买了版权,文档只能用于自身使用,不得用于其他商业用途(如 [转卖]进行直接盈利或[编辑后售卖]进行间接盈利)。
2、本站所有内容均由合作方或网友上传,本站不对文档的完整性、权威性及其观点立场正确性做任何保证或承诺!文档内容仅供研究参考,付费前请自行鉴别。
3、如文档内容存在违规,或者侵犯商业秘密、侵犯著作权等,请点击“违规举报”。

碎片内容

扭矩试题及答案

您可能关注的文档

确认删除?
VIP
微信客服
  • 扫码咨询
会员Q群
  • 会员专属群点击这里加入QQ群
客服邮箱
回到顶部