电脑桌面
添加小米粒文库到电脑桌面
安装后可以在桌面快捷访问

型钢混凝土梁-钢筋混凝土柱组合节点施工工法

型钢混凝土梁-钢筋混凝土柱组合节点施工工法_第1页
1/14
型钢混凝土梁-钢筋混凝土柱组合节点施工工法_第2页
2/14
型钢混凝土梁-钢筋混凝土柱组合节点施工工法_第3页
3/14
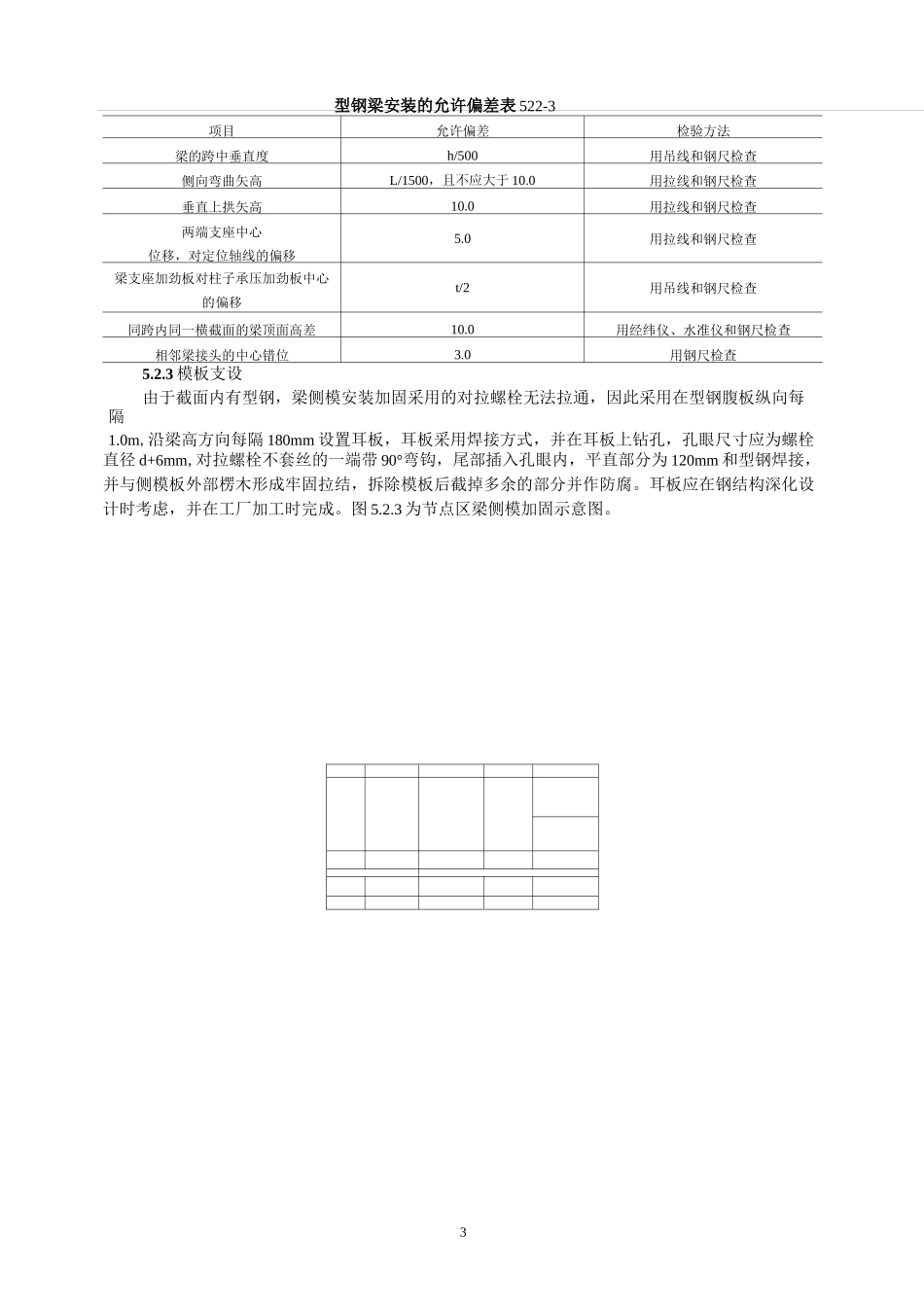
1型钢混凝土梁-钢筋混凝土柱组合节点施工工法广西建工集团第一建筑工程有限责任公司唐光暹郑毅成翠艳葛智超黄扬1.前言型钢混凝土结构是一种内配型钢的组合结构,它综合了钢筋混凝土结构及钢结构的特点,能充分发挥钢结构和钢筋混凝土结构各自材料的优点,具有承载力高,延性好,抗震性能优越等优点,成为结构工程领域重要的研究方向并在工程建设中广泛应用。型钢混凝土梁-钢筋混凝土柱组合节点是一种新型组合节点形式,国内外均未见相关文献报道。该类节点复杂,型钢的吊装定位、节点核心区钢筋绑扎、混凝土的浇筑工艺均不同于普通的钢筋混凝土节点,也与常规型钢混凝土梁柱节点有所区别。我们知道,节点是有效连接梁、柱构件并使二者共同工作的重要部分,其施工质量直接影响到整个结构的安全性,该节点的施工工艺将是施工控制的重点。我公司在施工四川省南充市泰合•青年城项目过程中,通过优化创新、方案改革,总结了型钢混凝土梁-钢筋混凝土柱组合节点施工方法。采用本工法,该工程节点施工质量满足设计要求,缩短工期,节约成本。表明本工法可推广性强,在跨度大的转换层结构及类似工程领域具有广泛的应用前景。2.工法特点2.1 应用 CAD 三维建模技术,优化型钢梁开孔位置及节点区内钢筋精确定位排布,提高型钢梁加工制作的准确性。2.2 型钢梁构件实行工厂化制作,避免了现场纠偏、补开孔的工作量,保证构件尺寸、精度及开孔位置的准确,保证了柱纵向受力钢筋能准确、顺利的穿过型钢梁。2.3 对节点区自密实混凝土进行试配,并根据试验最终确定自密实混凝土工作性控制参数范围,保证了节点区混凝土的质量。2.4 充分利用梁内型钢的结构刚度进行梁支撑系统的设计计算,梁侧模板需设对拉螺栓时,可在型钢梁腹板上设耳板,将其固定于耳板上,耳板应在钢结构深化设计时考虑并在工厂加工时完成。2.5 本工法具有施工简单、快捷、易于掌握,施工综合费用低等特点,保证了质量和施工进度,有较高的应用推广价值。3.适用范围型钢混凝土梁-钢筋混凝土柱组合节点是型钢混凝土结构中的一种新型节点形式。本工法适用于型钢混凝土梁柱节点的施工,也适用于型钢混凝土梁与钢筋混凝土梁、柱相交的结构体系。4.工艺原理型钢混凝土梁-钢筋混凝土柱组合节点具有梁内型钢吨位大、节点区钢筋和型钢布置较密等特点,实际施工中将面临型钢构件的制作安装、节点区构造复杂及混凝土浇捣困难等问题。4.1 通过对型钢混凝土梁构件中的型钢构件进行深化设计,确定节点区...

1、当您付费下载文档后,您只拥有了使用权限,并不意味着购买了版权,文档只能用于自身使用,不得用于其他商业用途(如 [转卖]进行直接盈利或[编辑后售卖]进行间接盈利)。
2、本站所有内容均由合作方或网友上传,本站不对文档的完整性、权威性及其观点立场正确性做任何保证或承诺!文档内容仅供研究参考,付费前请自行鉴别。
3、如文档内容存在违规,或者侵犯商业秘密、侵犯著作权等,请点击“违规举报”。

碎片内容

型钢混凝土梁-钢筋混凝土柱组合节点施工工法

确认删除?
VIP
微信客服
  • 扫码咨询
会员Q群
  • 会员专属群点击这里加入QQ群
客服邮箱
回到顶部