电脑桌面
添加小米粒文库到电脑桌面
安装后可以在桌面快捷访问

地下管线勘察表格

地下管线勘察表格_第1页
1/10
地下管线勘察表格_第2页
2/10
地下管线勘察表格_第3页
3/10
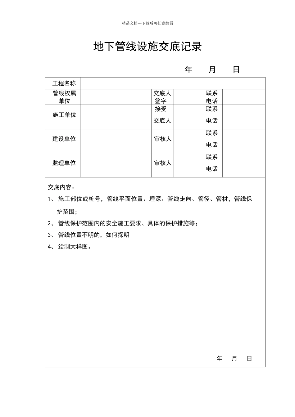
精品文档---下载后可任意编辑附件一:地下管线调查记录表 年 月 日工程名称工程详细地点建设单位联系人电话序号单位名称姓 名电 话施工现场地下管线调查情况1泰能燃气公司2埃维燃气公司3自来水公司4兴平热电公司5金泉热力公司6国信公司7 国防通讯传输局8联通公司9移动公司10电信公司11供电公司12广播电视局1314注:表中各管线权属单位内容由各单位人员现场填写。附件二:精品文档---下载后可任意编辑地下管线设施交底记录 年 月 日 工程名称管线权属单位 交底人签字联系电话施工单位接受 交底人联系电话建设单位审核人联系电话监理单位审核人联系电话交底内容:1、 施工部位或桩号,管线平面位置、埋深、管线走向、管径、管材,管线保护范围;2、 管线保护范围内的安全施工要求、具体的保护措施等;3、 管线位置不明的,如何探明4、 绘制大样图。年 月 日精品文档---下载后可任意编辑备注备注:此表一式五份,建设、监理、施工、管线权属单位、公用事业管理处各执一份。附件三:地下管线保护协议甲方:(地下管线权属单位) 联系人:地址: 电 话:乙方:(建设单位) 联系人:地址: 电 话:为确保地下管线的安全及工程项目的顺利完成,根据国家法律、法规规定,为明确双方责任,恪守信用,特签订本协议,共同遵守。一、甲方责任(一)甲方主动宣传国家保护地下管线的法律、法规。(二)甲方向乙方提供施工工作区范围及毗邻区域地下管线的名称、管径、管材、走向及准确位置: (三)甲方在确保地下管线安全前提下,配合乙方施工。当甲方发现地下管线受到损坏危险时,有权制止施工地下管线需要保护时,乙方应配合甲方实行适当的保护措精品文档---下载后可任意编辑施。(四)甲方接到乙方施工通知后,应到现场进行技术配合、指导、监护。(五)地下管线一旦发生损坏,甲方应及时进行抢修,最大程度减少损失。(六)因甲方原因造成地下管线损坏的,由甲方承担经济损失及法律责任。(七)其他: 二、乙方责任(一)乙方向甲方提供施工工作区范围、工期及概况: 乙方不得超出甲乙双方确定的施工范围施工。乙方施工危及地下管线安全的地点,应在施工范围图中明确标示。(二)乙方开工前应提前通知甲方开工时间。乙方在地下管线保护范围内施工时,必须由甲方人员在场监护。甲方监护人员不在场,禁止施工。(三)乙方负责向施工人员进行地下管线技术交底,精品文档---下载后可任意编辑教育施工人员自觉遵守国家保护地下管线的...

1、当您付费下载文档后,您只拥有了使用权限,并不意味着购买了版权,文档只能用于自身使用,不得用于其他商业用途(如 [转卖]进行直接盈利或[编辑后售卖]进行间接盈利)。
2、本站所有内容均由合作方或网友上传,本站不对文档的完整性、权威性及其观点立场正确性做任何保证或承诺!文档内容仅供研究参考,付费前请自行鉴别。
3、如文档内容存在违规,或者侵犯商业秘密、侵犯著作权等,请点击“违规举报”。

碎片内容

地下管线勘察表格

办公文档专营+ 关注
实名认证
内容提供者

大量办公文档,欢迎选择

相关文档

确认删除?
VIP
微信客服
  • 扫码咨询
会员Q群
  • 会员专属群点击这里加入QQ群
客服邮箱
回到顶部