电脑桌面
添加小米粒文库到电脑桌面
安装后可以在桌面快捷访问

地基承载力判别表

地基承载力判别表_第1页
1/4
地基承载力判别表_第2页
2/4
地基承载力判别表_第3页
3/4
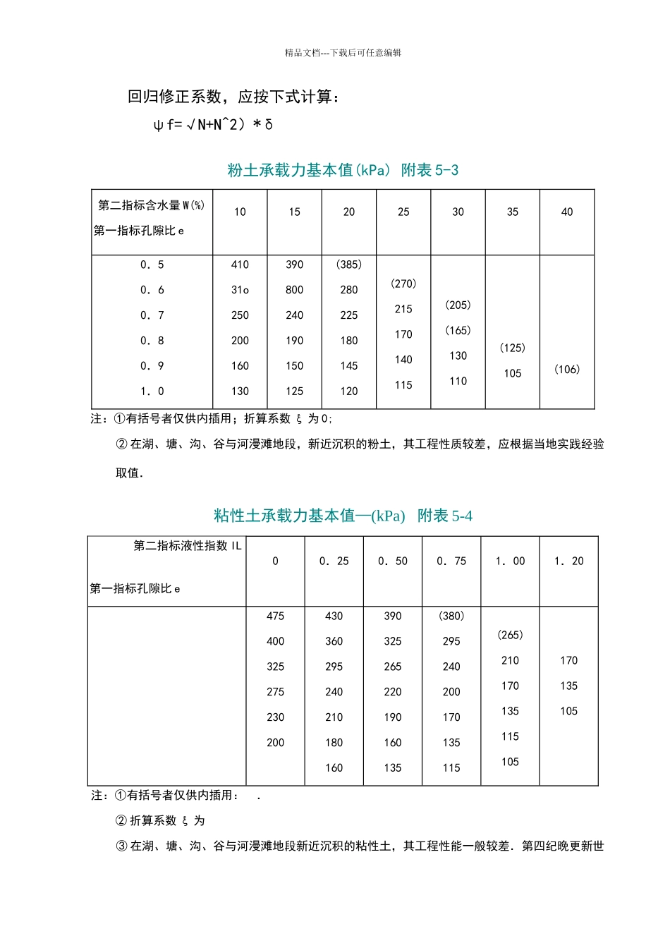
精品文档---下载后可任意编辑参考资料: 建筑地基设计法律法律规范 GB 7-89附录五土(岩)的承载力标准值 (一)当根据野外鉴别结果确定地基承载力标准值时,应符合附表 5—1、附表 5—2 的规定:岩石承载力标准值(kPa) 附表 5-1 风化程度岩石分类强风化中等风化微风化硬质岩石软质岩石500~1900200~5001500~2500700~1200≥40001500~2000注:①对于微风化的硬质岩石,其承载力加取用大于 4000kPa 时,应由试验确定 ② 对于强风化的岩石,当与残积土难于区分时按土考虑.碎石土承载力标准值(kPa) 附表 5-2 密实度土的名称稍 密中 密密 实卵 石碎 石圆 砾角 砾300~500250~400200~300200~250500~800400~700300~500250~400800~1000700~900500~700400~600 注:①表中数值适用于骨架颗粒空隙全部由中砂、祖砂或硬塑、坚硬状态的粘性土或稍湿的粉上所充填, ② 当粗颗粒为中等风化或强风化时,可按其风化程度适当降低承裁力,当颗粒间呈半胶结状时,可适当提高承裁力。(二)当根据室内物理、力学指标平均值确定地基承载力标准值时,应按下列规定将附表 5—3 至附表 5—7 中的承载力基本值乘以回归修正系数:精品文档---下载后可任意编辑 回归修正系数,应按下式计算: ψf=√N+N^2)*δ粉土承载力基本值(kPa) 附表 5-3第二指标含水量 W(%)第一指标孔隙比 e101520253035400.50.60.70.80.91.041031o250200160130390800240190150125(385)280225180145120(270)215170140115(205)(165)130110(125)105(106) 注:①有括号者仅供内插用;折算系数 ξ 为 0; ② 在湖、塘、沟、谷与河漫滩地段,新近沉积的粉土,其工程性质较差,应根据当地实践经验取值.粘性土承载力基本值—(kPa) 附表 5-4 第二指标液性指数 IL第一指标孔隙比 e00.250.500.751.001.20 475400325275230200430360295240210180160390325265220190160135(380)295240200170135115(265)210170135115105170135105 注:①有括号者仅供内插用: . ② 折算系数 ξ 为 ③ 在湖、塘、沟、谷与河漫滩地段新近沉积的粘性土,其工程性能一般较差.第四纪晚更新世精品文档---下载后可任意编辑(Q3)及其以前沉积的老粘性土,其工程性能通常较好.这些土均应根据当地实践经验取值。 沿海地区淤泥和淤泥质土承载力基本值 附表 5—5 天然含水量 W(%)36404550556575 f。(kPa)100908070605040注:对于内陆淤泥和淤泥质上,可参照使用. 红粘土承载...

1、当您付费下载文档后,您只拥有了使用权限,并不意味着购买了版权,文档只能用于自身使用,不得用于其他商业用途(如 [转卖]进行直接盈利或[编辑后售卖]进行间接盈利)。
2、本站所有内容均由合作方或网友上传,本站不对文档的完整性、权威性及其观点立场正确性做任何保证或承诺!文档内容仅供研究参考,付费前请自行鉴别。
3、如文档内容存在违规,或者侵犯商业秘密、侵犯著作权等,请点击“违规举报”。

碎片内容

地基承载力判别表

您可能关注的文档

确认删除?
VIP
微信客服
  • 扫码咨询
会员Q群
  • 会员专属群点击这里加入QQ群
客服邮箱
回到顶部