电脑桌面
添加小米粒文库到电脑桌面
安装后可以在桌面快捷访问

灌浆套筒技术参数

灌浆套筒技术参数_第1页
1/6
灌浆套筒技术参数_第2页
2/6
灌浆套筒技术参数_第3页
3/6
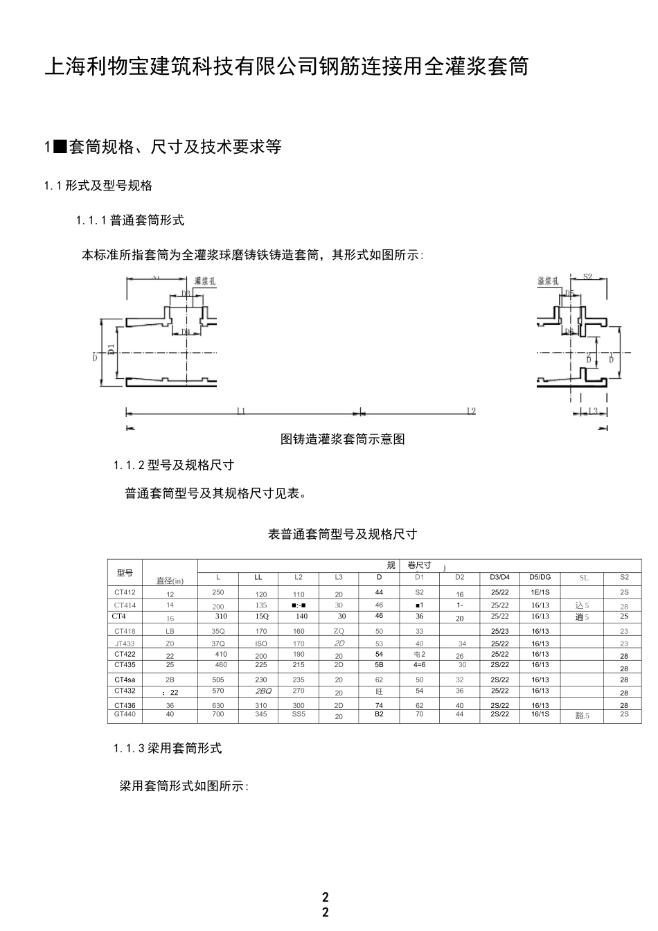
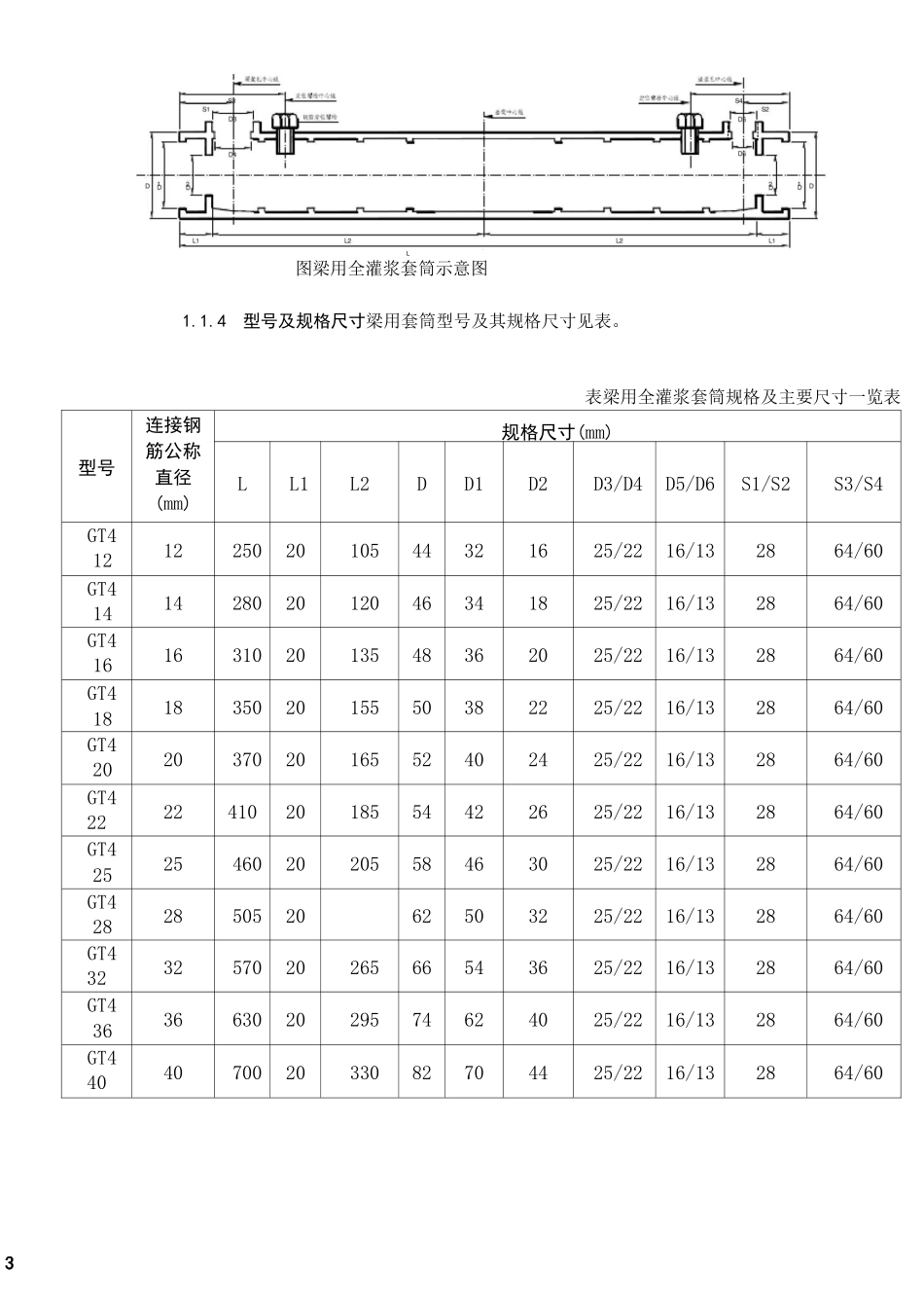
灌浆套筒(利物宝)技术参数(总 6 页)--本页仅作为文档封面,使用时请直接删除即可----内页可以根据需求调整合适字体及大小-22上海利物宝建筑科技有限公司钢筋连接用全灌浆套筒1■套筒规格、尺寸及技术要求等1.1 形式及型号规格1.1.1 普通套筒形式本标准所指套筒为全灌浆球磨铸铁铸造套筒,其形式如图所示:图铸造灌浆套筒示意图1.1.2 型号及规格尺寸普通套筒型号及其规格尺寸见表。表普通套筒型号及规格尺寸型号直径(in)规卷尺寸〔jinjLLLL2L3DD1D2D3/D4D5/DGSLS2CT412122501201102044S21625/221E/1S2SCT41414200135■:-■3046■11-25/2216/13込 528CT41631015Q1403046362025/2216/13逍 52SCT418LB35Q170160ZQ503325/2316/1323JT433Z037QISO1702D53403425/2216/1323CT422224102001902054屯 22625/2216/1328CT435254602252152D5B4=6302S/2216/1328CT4sa2B505230235206250322S/2216/1328CT432:225702BQ27020旺543625/2216/1328CT436366303103002D7462402S/2216/1328GT44040700345SS520B270442S/2216/1S豁.52S1.1.3 梁用套筒形式梁用套筒形式如图所示:3L图梁用全灌浆套筒示意图1.1.4型号及规格尺寸梁用套筒型号及其规格尺寸见表。表梁用全灌浆套筒规格及主要尺寸一览表型号连接钢筋公称直径(mm)规格尺寸(mm)LL1L2DD1D2D3/D4D5/D6S1/S2S3/S4GT412122502010544321625/2216/132864/60GT414142802012046341825/2216/132864/60GT416163102013548362025/2216/132864/60GT418183502015550382225/2216/132864/60GT420203702016552402425/2216/132864/60GT422224102018554422625/2216/132864/60GT425254602020558463025/2216/132864/60GT428285052062503225/2216/132864/60GT432325702026566543625/2216/132864/60GT436366302029574624025/2216/132864/60GT440407002033082704425/2216/132864/6041.1.5梁用分体式套筒形式图梁用分体式全灌浆套筒示意图1.1.6型号及规格尺寸梁用套筒型号及其规格尺寸见表表梁用分体式全灌浆套筒规格及主要尺寸一览表型号连接钢筋公称直径(mm)套筒各部分尺寸(mm)直螺纹钢套管尺寸(mm)LL1L2DD1D2D3/D4D5/D6S1/S2S3/S4LTDTGT418183502015550382225/2216/132864/607560GT420203702016552402425/2216/132864/608062GT422224102018554422625/2216/132864/609064GT425254602020558463025/2216/132864/6010068梁用套筒形式如图所示:5GT428285052062503225/2216/132864/6011574GT432325702026566543625/2216/132864/6013078GT...

1、当您付费下载文档后,您只拥有了使用权限,并不意味着购买了版权,文档只能用于自身使用,不得用于其他商业用途(如 [转卖]进行直接盈利或[编辑后售卖]进行间接盈利)。
2、本站所有内容均由合作方或网友上传,本站不对文档的完整性、权威性及其观点立场正确性做任何保证或承诺!文档内容仅供研究参考,付费前请自行鉴别。
3、如文档内容存在违规,或者侵犯商业秘密、侵犯著作权等,请点击“违规举报”。

碎片内容

灌浆套筒技术参数

确认删除?
VIP
微信客服
  • 扫码咨询
会员Q群
  • 会员专属群点击这里加入QQ群
客服邮箱
回到顶部