电脑桌面
添加小米粒文库到电脑桌面
安装后可以在桌面快捷访问

持续改善管理制度(2013年版)

持续改善管理制度(2013年版)_第1页
1/8
持续改善管理制度(2013年版)_第2页
2/8
持续改善管理制度(2013年版)_第3页
3/8
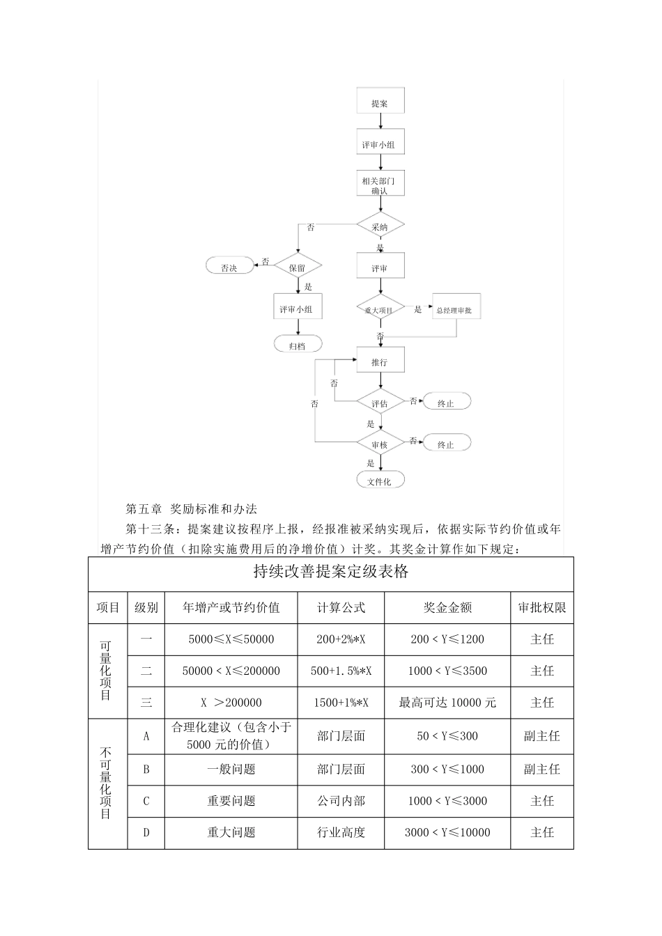
持续改善管理制度 第一章:总则 第一条 适用对象: 厦门金牌厨柜股份有限公司全体员工 第二条 目 的:公司鼓励全体员工围绕企业生产经营管理目标、提高职工综合素质、提升运营效率和服务品质工作等方面,积极向企业献计献策。为更好规范持续改善管理工作,特制定本制度。 第三条 实施原则:鼓励、支持、采纳、激励 第二章职责 第四条:全体员工都是持续改善的参与者,有权利对全公司的各项工作提出建议和立项改善。 第五条:持续改善委员会依据公司有关品质检验标准、环境品质方针及管理制度的规定,负责组织发动公司全体员工积极参与企业持续改善工作;审批建议项目的方案和奖励等级;负责领导项目的实施奖励、上报等有关工作。 第六条:持续改善委员会是公司持续改善工作的组织,对持续改善的具体工作起主导和推进作用。负责结案项目的评审组织、奖励申请和资料归档。 第七条:各中心QCC 小组必须积极主导(或协助) 持续改善工作的进行 ,对改进成 果 进行 推广 、实施、并 作好反 馈 记 录 。 第三章 持续改善的范围 第八 条:持续改善的范围包 括 品质提升、技 术 改进、节 能 降 耗 、缩 短 交 期 及合理化 建议。 8.1 品质提升 是指 有关改进和完 善公司产品质量 管理体系 方面的办 法 。 8.2 技 术 改进 是对机 器 设 备 、工具、工艺 技 术 等方面所 作的改进和革 新 。 8.3 合理化 建议 是指 有关改进和完 善企业生产环境和运营管理等方面的办 法 和措 施,主要 划 分 为以 下 几 个 方面:  降 低 报废 、返 工和返 修 率、消 除 各种 浪 费  生产流 程  仓 储 物 流 方面的建议  降 低 能 耗 方面的建议;  提高劳 动生产率方面(设 备 、工艺 、技 能 、技 术 ) 的建议;  顾 客 反 馈 ,如 抱 怨 、投 诉 等。 第九 条:对于 发现 安 全、技 术 品质管理上有重 大 缺 陷 ,并 提出改进方案,从 而 避免 了 不 必要 的损 失 ,即 使 营运费 用增 加 ,亦 应 属 于 本范围。 第十条:不接受的改善范围 11.1 发牢骚、抱怨、诋毁、攻击他人等行为; 11.2 涉及个人隐私、道德评价问题; 11.3 涉及薪资调整、人事任命问题; 第四章:提案与评审程序 第十一条:提案与评审的具体程序 12.1 由提案人申请,或者领导指示立项。 12.2 提案人填...

1、当您付费下载文档后,您只拥有了使用权限,并不意味着购买了版权,文档只能用于自身使用,不得用于其他商业用途(如 [转卖]进行直接盈利或[编辑后售卖]进行间接盈利)。
2、本站所有内容均由合作方或网友上传,本站不对文档的完整性、权威性及其观点立场正确性做任何保证或承诺!文档内容仅供研究参考,付费前请自行鉴别。
3、如文档内容存在违规,或者侵犯商业秘密、侵犯著作权等,请点击“违规举报”。

碎片内容

持续改善管理制度(2013年版)

确认删除?
VIP
微信客服
  • 扫码咨询
会员Q群
  • 会员专属群点击这里加入QQ群
客服邮箱
回到顶部