电脑桌面
添加小米粒文库到电脑桌面
安装后可以在桌面快捷访问

排水沟或截水沟检验批质量验收记录表

排水沟或截水沟检验批质量验收记录表_第1页
1/22
排水沟或截水沟检验批质量验收记录表_第2页
2/22
排水沟或截水沟检验批质量验收记录表_第3页
3/22
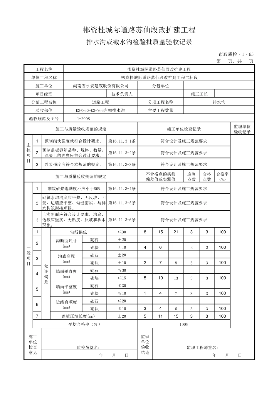
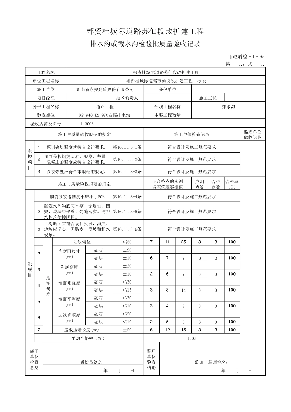
监理单位验收记录123应测点数合格点数合格率(%)1231砌石砌块砌石砌块砌石砌块砌石砌块砌石砌块7一般项目4墙面垂直度(mm)5边线直顺度(mm)墙面平整度(mm) 排水沟或截水沟检验批质量验收记录 第16.11.3-6条 土沟断面应符合设计要求,沟底、边坡应坚实,无贴皮、反坡和积水现象。砌筑水沟沟底应平整、无反坡、凹兜,边墙应平整、勾缝密实。与排水构筑衔接顺畅。6允许偏差沟底高程(mm) 年 月 日平均合格率(%) ≤30施工与质量验收规范的规定≤30 年 月 日≤10≤20≤10盖板压墙长度(mm)±20沟断面尺寸(mm)≤30±20第16.11.3-4条第16.11.3-5条≤15主要工程数量施工单位检查记录 不合格点的实测偏差值或实测值±10施工工长分项工程名称 单位工程名称技术负责人 排水沟工程项目经理分部工程名称工程名称白鹭湖农场危房改造配套五期工程 排水工程分包单位施工单位 湖北楚义市政工程有限公司主控项目 第16.11.3-2条第16.11.3-3条CJJ1-2008预制盖板钢筋品种、规格、数量,混凝土的强度应符合设计要求。砂浆强度应符合本规范的规定。施工与质量验收规范的规定轴线偏位砌筑砂浆饱满度不应小于80%预制砌块强度就符合设计要求。第 页,共 页施工单位检查意 见质检员 签 名:监理工程师 签 名:监理单位验收结 论23验收部位验收规范及 图 号 ±20±10第16.11.3-1条监 理 单 位验 收 记 录123应 测点 数合 格点 数合 格 率( %)12318152133100砌 石砌 块46933100砌 石砌 块27833100砌 石砌 块5101333100砌 石砌 块14733100砌 石砌 块3463310075111533100郴 资 桂 城 际 道 路 苏 仙 段 改 扩 建 工 程市 政 质 检 ﹣ 1﹣ 65第 页 , 共 页工 程 名 称郴 资 桂 城 际 道 路 苏 仙 段 改 扩 建 工 程排 水 沟 或 截 水 沟 检 验 批 质 量 验 收 记 录项 目 经 理技 术 负 责 人单 位 工 程 名 称郴 资 桂 城 际 道 路 苏 仙 段 改 扩 建 工 程 二 标 段施 工 单 位湖 南 省 永 安 建 筑 股 份 有 限 公 司分 包 单 位验 收 部 位K3+360-K3+766左 幅 排 水 沟主 要 工 程 数 量施 工 工 长分 部 工 程 名 称道 路 工 程分 项 工 程 名 称排 水 沟主控项目预 制 砌 块 强 度 就 符 合 设 计 要 求 。第 16.11.3-1条符 合 设 计 及 施 工 规 范 ...

1、当您付费下载文档后,您只拥有了使用权限,并不意味着购买了版权,文档只能用于自身使用,不得用于其他商业用途(如 [转卖]进行直接盈利或[编辑后售卖]进行间接盈利)。
2、本站所有内容均由合作方或网友上传,本站不对文档的完整性、权威性及其观点立场正确性做任何保证或承诺!文档内容仅供研究参考,付费前请自行鉴别。
3、如文档内容存在违规,或者侵犯商业秘密、侵犯著作权等,请点击“违规举报”。

碎片内容

排水沟或截水沟检验批质量验收记录表

小辰7+ 关注
实名认证
内容提供者

出售各种资料和文档

相关文档

确认删除?
VIP
微信客服
  • 扫码咨询
会员Q群
  • 会员专属群点击这里加入QQ群
客服邮箱
回到顶部