电脑桌面
添加小米粒文库到电脑桌面
安装后可以在桌面快捷访问

排水沟或截水沟检验批质量验收记录表资料

排水沟或截水沟检验批质量验收记录表资料_第1页
1/22
排水沟或截水沟检验批质量验收记录表资料_第2页
2/22
排水沟或截水沟检验批质量验收记录表资料_第3页
3/22
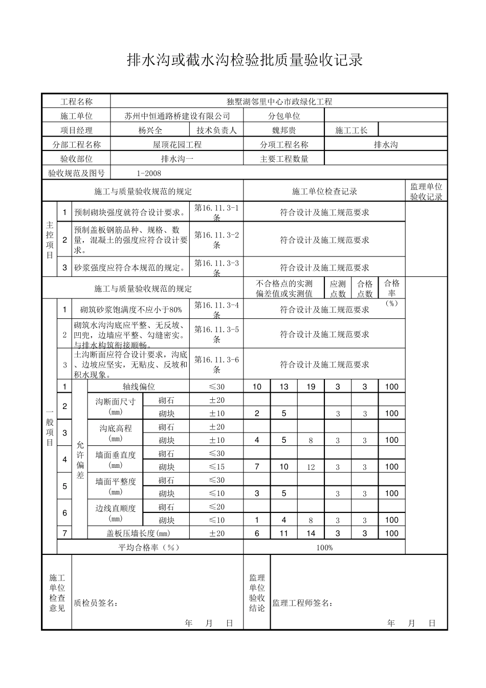
监理单位验收记录123应测点数合格点数合格率(%)123110131933100砌石砌块25733100砌石砌块45833100砌石砌块7101233100砌石砌块35933100砌石砌块1483310076111433100排水沟或截水沟检验批质量验收记录墙面平整度(mm)边线直顺度(mm)墙面垂直度(mm)沟底高程(mm)质检员签名: 年 月 日允许偏差23456施工单位检查意见主控项目一般项目100%监理单位验收结论监理工程师签名: 年 月 日≤10≤20≤10盖板压墙长度(mm)±20平均合格率(%)±10±20±10≤30≤15≤30土沟断面应符合设计要求,沟底、边坡应坚实,无贴皮、反坡和积水现象。第16.11.3-6条符合设计及施工规范要求轴线偏位≤30±20沟断面尺寸(mm)施工与质量验收规范的规定不合格点的实测偏差值或实测值砌筑砂浆饱满度不应小于80%第16.11.3-4条符合设计及施工规范要求砌筑水沟沟底应平整、无反坡、凹兜,边墙应平整、勾缝密实。与排水构筑衔接顺畅。第16.11.3-5条符合设计及施工规范要求预制盖板钢筋品种、规格、数量,混凝土的强度应符合设计要求。第16.11.3-2条符合设计及施工规范要求砂浆强度应符合本规范的规定。 第16.11.3-3条符合设计及施工规范要求验收规范及图号CJJ1-2008施工与质量验收规范的规定施工单位检查记录预制砌块强度就符合设计要求。 第16.11.3-1条符合设计及施工规范要求分部工程名称屋顶花园工程分项工程名称排水沟验收部位排水沟一主要工程数量项目经理杨兴全技术负责人魏邦贵施工工长工程名称独墅湖邻 里 中 心 市 政 绿 化 工程施工单位苏 州 中 恒 通 路 桥 建 设有 限 公 司分包 单位

1、当您付费下载文档后,您只拥有了使用权限,并不意味着购买了版权,文档只能用于自身使用,不得用于其他商业用途(如 [转卖]进行直接盈利或[编辑后售卖]进行间接盈利)。
2、本站所有内容均由合作方或网友上传,本站不对文档的完整性、权威性及其观点立场正确性做任何保证或承诺!文档内容仅供研究参考,付费前请自行鉴别。
3、如文档内容存在违规,或者侵犯商业秘密、侵犯著作权等,请点击“违规举报”。

碎片内容

排水沟或截水沟检验批质量验收记录表资料

小辰+ 关注
实名认证
内容提供者

出售各种文档和资料

相关文档

确认删除?
VIP
微信客服
  • 扫码咨询
会员Q群
  • 会员专属群点击这里加入QQ群
客服邮箱
回到顶部