电脑桌面
添加小米粒文库到电脑桌面
安装后可以在桌面快捷访问

提升钢丝绳安全系数的验算

提升钢丝绳安全系数的验算_第1页
1/99
提升钢丝绳安全系数的验算_第2页
2/99
提升钢丝绳安全系数的验算_第3页
3/99
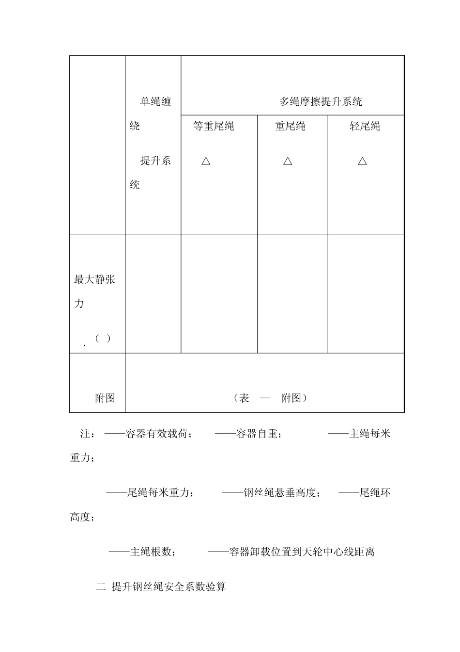
提升钢丝绳安全系数的验算 the checking computations for hoist steel cable 为了对提升钢丝绳安全系数进行验算,应该了解提升系统的有关参数,如容器自重Qz ,提升载荷Q,矿车自重Qc及钢丝绳的技术数据等。 一、提升容器自重或载荷重力的测定 the mesuration of hoist container deadweight and load gravity 用拉(压)或荷重传感器对提升容器、载荷称重,其原理是容器重力或载荷重力作用于传感器,使传感器产生应变,传感器应变使电桥输出电压(或电流)信号发生变化,电压(或电流)信号变化的大小与重力的大小成正比。根据所称重力大小来选择传感器的型号及量程,规格从几十牛到 1000干牛均有。传感器的使用方法按厂家说明。 (一)用拉力传感器 对容器或负荷称重时,可把传感器一端用绳环与连接装置连接,传感器另一端通过导链挂到罐梁上,传感器通电凋零后拉导链。当钢丝绳不受力时,拉力传感器的输出读数即是所称重力。其输出可以用直流毫伏表测量,也可用光线示波器记录,但应对光高进行标定。 (二)用压力或荷重传感器 采用这种方法时,应把容器提到井口水平以上一定高度停车,然后将井口用工字钢栅铺平,设法将传感器放置在工字钢栅上,传感器通电调零后,慢慢下放容器压在传感器上,并保持平衡,当提升钢丝绳稍松驰不受力时,传感器的输出即表示所称重力的数值。 返回 二、提升钢丝绳安全系数的验算 the checking computations for hoist steel cable 提升钢丝绳在正常工作中,除受到静张力的作用外,其内部还受有弯曲应力、扭转应力、接触应力等力的作用,多种复合应力的作用将大大降低钢丝绳的寿命。另外,磨损、腐蚀也是降低钢丝绳寿命,影响安全运行的因素。 由于诸多因素的影响,钢丝绳的寿命不能精确计算。为了保证安全可靠,对钢丝绳的选择验算,均采用安全系数法。即按钢丝绳的最大静张力并考虑一定的安全系数选择或验算钢丝绳。 (一)钢丝绳最大静张力的计算 钢丝绳的最大静张力可根据矿上的有关技术资料或根据上述称重法测出的有关数据进行计算。计算公式参见表 1—1。 表 l—1 提升钢丝绳最大静张力的计算 单绳缠绕 提升系统 多绳摩擦提升系统 等重尾绳 △=0 重尾绳 △<0 轻尾绳 △>0 最大静张力 Fj·m(N) 附图 (表 1—1 附图) 注:Q——容器有效载荷; Qz——容器自重; p——主绳每米重力; q——尾绳每米重力; Hc——钢丝绳悬垂高度; Hw——尾绳环高度; ...

1、当您付费下载文档后,您只拥有了使用权限,并不意味着购买了版权,文档只能用于自身使用,不得用于其他商业用途(如 [转卖]进行直接盈利或[编辑后售卖]进行间接盈利)。
2、本站所有内容均由合作方或网友上传,本站不对文档的完整性、权威性及其观点立场正确性做任何保证或承诺!文档内容仅供研究参考,付费前请自行鉴别。
3、如文档内容存在违规,或者侵犯商业秘密、侵犯著作权等,请点击“违规举报”。

碎片内容

提升钢丝绳安全系数的验算

小辰4+ 关注
实名认证
内容提供者

出售各种资料和文档

确认删除?
VIP
微信客服
  • 扫码咨询
会员Q群
  • 会员专属群点击这里加入QQ群
客服邮箱
回到顶部