电脑桌面
添加小米粒文库到电脑桌面
安装后可以在桌面快捷访问

摄像头视频采集系统的设计与实现

摄像头视频采集系统的设计与实现_第1页
1/6
摄像头视频采集系统的设计与实现_第2页
2/6
摄像头视频采集系统的设计与实现_第3页
3/6
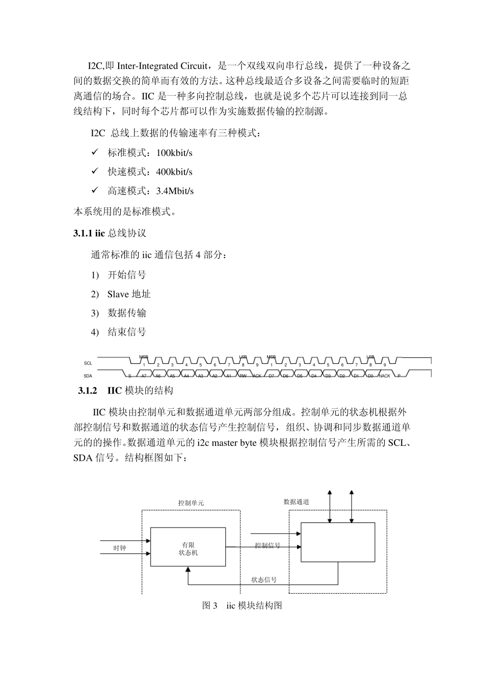
摄像头视频采集系统的设计与实现 徐宏亮 2012.07.27 系统采用AD9883a 芯片将摄像头视频信号数字化;然后利用FPGA 芯片进行信号处理,增加行列场有效信号;最后,采用ADV7123 芯片将数字信号转为模拟信号,在本地的显示器输出。 1. 系统总体设计 图1 所示为视频采集系统框图。 FPGA芯片ADV7123本地显示器(VGA信号)视频信号RGB(YUV)模拟信号Hsync,VsyncR [7:0]G [7:0]B [7:0]RGB模拟信号Hsync,VsyncPCLKPCLKR [7:0]G [7:0]B [7:0]IICHsync,Vsync,Href串口AD9883a图1 VGA 视频采集系统框图 1)VGA 输入模块。将RGB 模拟信号或YUV 信号及行同步信号(Hsync)、场同步信号(Vsync)输入给A/D 转换模块。 2)A/D 转换模块。首先根据行、场同步信号确定采样的行频和场频,接着由行频和内部寄存器确定像素同步时钟,然后通过配置AD9883 芯片内部的锁相环(PLL)产生同步时钟。该模块可将输入的VGA 模拟信号转换为8bit×3路的数字视频信号,并通过一系列寄存器调整图像的采样效果。 3) FPGA 转换控制模块。一方面 FPGA 通过I2C 总线向 AD9883a 的寄存器写入控制信息;另一方面根据输入的行场同步信号生成行场有效信号。 内部还有color bar,YUV2RGB, 串口三个模块。 4)D/A 输出显示模块。该模块采用ADV7123 芯片将8bit×3路 RGB数字信号还原为模拟信号,并结合行、场同步信号构成 VGA信号,供本地计算机显示输出。 2. A /D 转换模块 本系统的A/D 转换器采用AD9883a,该芯片专门用于采集模拟R,G,B 信号,将其数字化显示或作为中间转换器件使用。该芯片具有采样精度为8bit×3路通道,最高采样率为140MSPS/s,300MB 的模拟带宽,支持最高分辨率为SXGA(1280x1024),刷新率为75Hz 的视频信号。基于 AD9883a 的电路可为高清电视提供良好的接口,或作为高性能视频设备的前端扫描转换器,它的内部结构如图3 所示,主要包括 A/D 转换电路、时钟产生电路、同步信号产生电路、I2C 总线接口四个部分。 箝位箝位箝位A/D转换A/D转换A/D转换同步处理及时钟产生电源管理及串行寄存器参考RinGinBinR[7:0]G[7:0]B[7:0]REFYPASSA0SDASCLDATACKUSOUTSOGOUTVSOUTHSYNCCOASTCLAMPFILT 图 2 AD9883 的内部结构图 AD9883a 内部的寄存器通过 I2C 总线完全可编程,芯片按照寄存器设定的模式进行工作。如 AD9883 支持多种 VGA 格式,但不能自动检测实现自适应,需要通过 I2C 接口进行寄存器配置,...

1、当您付费下载文档后,您只拥有了使用权限,并不意味着购买了版权,文档只能用于自身使用,不得用于其他商业用途(如 [转卖]进行直接盈利或[编辑后售卖]进行间接盈利)。
2、本站所有内容均由合作方或网友上传,本站不对文档的完整性、权威性及其观点立场正确性做任何保证或承诺!文档内容仅供研究参考,付费前请自行鉴别。
3、如文档内容存在违规,或者侵犯商业秘密、侵犯著作权等,请点击“违规举报”。

碎片内容

摄像头视频采集系统的设计与实现

您可能关注的文档

确认删除?
VIP
微信客服
  • 扫码咨询
会员Q群
  • 会员专属群点击这里加入QQ群
客服邮箱
回到顶部