电脑桌面
添加小米粒文库到电脑桌面
安装后可以在桌面快捷访问

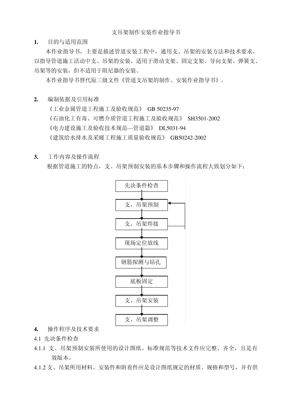
支吊架制作安装作业指导书

支吊架制作安装作业指导书_第1页
1/6
支吊架制作安装作业指导书_第2页
2/6
支吊架制作安装作业指导书_第3页
3/6
支吊架制作安装作业指导书 1 . 目的与适用范围 本作业指导书,主要是描述管道安装工程中,通用支、吊架的安装方法和技术要求,以指导管道施工活动中支、吊架的安装。适用于滑动支架、固定支架、导向支架、弹簧支、吊架等的安装,但不适用于阻尼器的安装。 本作业指导书替代原三级文件《管道支吊架的制作、安装作业指导书》。 2 . 编制依据及引用标准 《工业金属管道工程施工及验收规范》 GB 50235-97 《石油化工有毒、可燃介质管道工程施工及验收规范》 SH3501-2002 《电力建设施工及验收技术规范—管道篇》 DL5031-94 《建筑给水排水及采暖工程施工质量验收规范》 GB50242-2002 3 . 工作内容及操作流程 根据管道施工的特点,支、吊架预制安装的基本步骤和操作流程大致划分如下: 4 . 操作程序及技术要求 4.1 先决条件检查 4.1.1 支、吊架预制安装所使用的设计图纸、标准规范等技术文件应完整、齐全,且是有效版本。 4.1.2 支、吊架所用材料、安装件和附着件应是设计图纸规定的材质、规格和型号,并有供先决条件检查 支、吊架预制 支、吊架焊接 现场定位放线 钢筋探测与钻孔 底板固定 支、吊架安装 支、吊架调整 第 1 页 /共 6 页 货商提供的合格证和订货单位签署的验收合格证,且经外观检查合格,不合格者不得使用。 4.2 支、吊架预制 4.2.1 支、吊架预制所用的碳钢材料可以采用砂轮机切割、锯割或氧-乙炔切割,不锈钢材料可以用砂轮切割、锯割或等离子切割,所有切割的切口均需打磨平整。 4.2.2 支、吊架预制所用的槽钢、工字钢、H 钢、扁钢、角钢等材料,如有弯曲,应该调直,如果是扭曲或折弯的材料,扭曲和折弯部分应予切除。 4.2.3 支、吊架无论是单个部件或两个以上部件组成,每个部件不可拼接,必须拼接时,应该用连接板过渡,连接板的尺寸应能保证焊缝长度≥100m m 。 4.2.4 预制支、吊架的根部构件应留有调节余量,该余量应有标志,以便在安装现场按需要进行切割调整。 4.2.5 支、吊架预制加工完毕后,应及时进行手工除锈或喷砂除锈、并按设计要求涂刷底漆(不锈钢部件除外)。 4.2.6 所有的支、吊架预制完毕,应按设计要求或规范要求进行符合性检查和质量检查,确保预制的支、吊架正确无误。 4.2.7 支、吊架预制后应按设计文件的要求进行标识,设计无规定时,可自行统一编号标识。编号的目的是保证支、吊架在预制、储存、运输、现场安装等过程中具有的可查找性。支、吊...

1、当您付费下载文档后,您只拥有了使用权限,并不意味着购买了版权,文档只能用于自身使用,不得用于其他商业用途(如 [转卖]进行直接盈利或[编辑后售卖]进行间接盈利)。
2、本站所有内容均由合作方或网友上传,本站不对文档的完整性、权威性及其观点立场正确性做任何保证或承诺!文档内容仅供研究参考,付费前请自行鉴别。
3、如文档内容存在违规,或者侵犯商业秘密、侵犯著作权等,请点击“违规举报”。

碎片内容

支吊架制作安装作业指导书

小辰4+ 关注
实名认证
内容提供者

出售各种资料和文档

确认删除?
VIP
微信客服
  • 扫码咨询
会员Q群
  • 会员专属群点击这里加入QQ群
客服邮箱
回到顶部