电脑桌面
添加小米粒文库到电脑桌面
安装后可以在桌面快捷访问

2025年安全员考核管理办法

2025年安全员考核管理办法_第1页
1/4
2025年安全员考核管理办法_第2页
2/4
2025年安全员考核管理办法_第3页
3/4
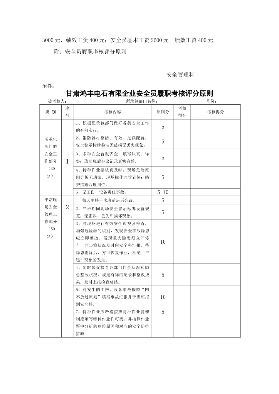
甘肃鸿丰电石有限企业专职安全员考核管理措施(试行稿) 为更好地贯彻执行国家安全生产方针、政策,切实做到“安全第一,防止为主”的思想,提高安全员履行自身工作职责的能力和责任心,加强对安全员的履职考核,以保证企业安全管理工作正常、有序开展。根据《中华人民共和国安全生产法》等安全面的有关法律法规,特制定本考核管理措施: 一、安全员职责 1、认真贯彻执行国家、省、市有关安全生产的方针、政策,以及法律法规,认真做好安全生产的监督和管理工作。 2、建立健全安全管理网络,做好安全生产基础性工作,定期参与安全工作例会,布置安全任务。不停加强责任心,提高自身业务技能。 3、每天进行现场巡查,督促处理安全生产中的问题,及时纠正违章现象,完善安全生产台账内容,遇有危及安全生产及人员生命安全的紧急状况,及时制止直到问题处理,并同步报有关领导做出对应处理。 4、参与制定安全应急救援预案及安全防备措施。 5、按计划进行安全生产教育及培训工作。 6、负责安全有关措施的申报、汇总、审查,做好安全交底工作,并督促有关人员自觉遵守劳动纪律与有关安全操作规程。7、服从企业第一安全负责人的工作安排,做好劳逸结合。8、指导和监督所承包部门的安全工作,包括消防器材的管理、安全生产台账、安全生产会议记录和其他安全工作。二、专职安全员考核管理措施1、完毕本月工作中的计划。包括每天进行现场安全检查,处理安全生产中存在的安全问题与隐患,及时纠正“三违”现象,并进行有效的处理与处理。与否有完整的安全检查记录、纠正违章状况记录与安全隐患与问题整改验收的记录登记等平常安全事务。2、各项应急措施与安全防备措施与否贯彻到位,其中包括标志标牌、警示牌、警示线等的清洁、设置与摆放与否合理规范。与否对人员及进场机械设备的安全状况(特种作业人员证件、机械设备的准入证、检测合格证等)进行有效的检查、监督与管理。3、与否按规定进行安全台帐登记与完善,并对重要的安全资料进行存档与保管。4、定期参与安全生产例会,有无完整的会议纪要。与否对员工与新进厂的人员进行安全教育与培训工作,安全宣传工作与否贯彻。5、参与制定安全生产应急救援预案,合适时间进行演习并贯彻。6、所承包部门的安全生产状况与否正常有序,安全生产档案与否齐全。7、劳动纪律按企业惩罚细则与原则考核。8、企业安全科对其履职状况进行考核评价打分。9、绩效考核工资的考核与发放:第一档:考核在 90 分以上...

1、当您付费下载文档后,您只拥有了使用权限,并不意味着购买了版权,文档只能用于自身使用,不得用于其他商业用途(如 [转卖]进行直接盈利或[编辑后售卖]进行间接盈利)。
2、本站所有内容均由合作方或网友上传,本站不对文档的完整性、权威性及其观点立场正确性做任何保证或承诺!文档内容仅供研究参考,付费前请自行鉴别。
3、如文档内容存在违规,或者侵犯商业秘密、侵犯著作权等,请点击“违规举报”。

碎片内容

2025年安全员考核管理办法

确认删除?
VIP
微信客服
  • 扫码咨询
会员Q群
  • 会员专属群点击这里加入QQ群
客服邮箱
回到顶部