电脑桌面
添加小米粒文库到电脑桌面
安装后可以在桌面快捷访问

详解集成吊顶安装作业流程全攻略

详解集成吊顶安装作业流程全攻略_第1页
1/20
详解集成吊顶安装作业流程全攻略_第2页
2/20
详解集成吊顶安装作业流程全攻略_第3页
3/20
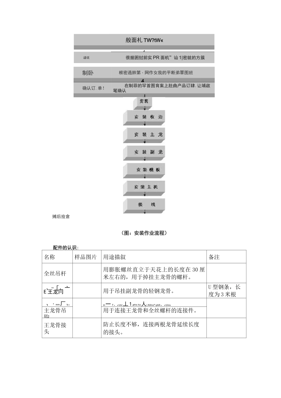
详解集成吊顶安装作业流程全攻略(全文)122012-09-2409:48:51我要分享集成吊顶就是根据家装需求为消费者量身订制的个性化的整体吊顶解决方将案照,明、换气、取暖等功能模块与吊顶完美结合,既独立又整体,便于合理排布安装位置。并且,集成吊顶采用开放式的安装方式,比传统吊顶更加耐用,集成吊顶的安装相对于传统吊顶也有很大区别,小编在这里就为大家详细介绍一下集成吊顶的正确安装流程。般面札 TW?tW«4谴氓很据囲挝前实 PR 面机”讪 1|密就的方簇制卧根密過肺第・网作女我的平断弟睪图班4确认订.单!在制菲的罕首图育案上肚曲产品订肆.让埔啟笔确认J摊后捡倉(图:安装作业流程)配件的认识:名称样品图片用途描叙备注全丝吊杆用膨胀螺丝直立于天花上的长度在 30 厘米左右的,用于掉挂主龙骨的螺杆。、-[、亠E 王龙冃用于吊挂副龙骨的轻钢龙骨。U 型钢条,长度为 3 米根、・mm.厂 th/-tm一 T、4-Uvr丄 1.4FH.Trt人/.AXmJ^-pAA、4-UvrH主龙骨吊钩用于连接王龙骨和全丝螺杆的连接件。王龙骨接头防止长度不够,连接两根龙骨延续长度的接头。副龙骨用于扣铝扣板的三角型的夹铁,两块铝扣板向上扣在里面。同时用于主机安装的托件副龙骨接头防止长度不够,连接两根副龙骨延续长度的接头。三角吊件用于副龙骨与主龙骨的连接件。收边条用于铝扣板和墙体验该缝隙和托住靠墙边铝扣板的合金三角型角铁。一般采用铝合金材料主龙骨支架灯管架支架安装必备工具:名称规格用途备注切割机用于切割龙骨,磨光机用于切割后材料毛边的磨平电锤用于墙体的打孔手枪钻用于龙骨等材料的打孔木锤用于平整扣板铁锤用于敲击铁钉三角尺用于边角料等斜边切割的测量墨斗用于墙体弹线剪刀用于材料细微的修剪扳手10 寸\8 寸用于旋紧螺帽老虎钳用于钳夹材料尖嘴钳用于钳夹材料卷尺用于测量长度透明水管10m用于墙体的水平测量麻花钻头直径 3.2mm用于材料打孔冲击钻头6mm\8mm\10mm用于墙体的打孔一字/十字螺丝刀大\小用于旋紧螺丝接线板用于电源的连接试电笔用于测试带电与否锯弓、锯条用于切割材料细微修整墙纸刀用于细微修整斜口钳用于钳夹材料塑料膨胀管6mm用于边角的固定铁管,螺丝膨胀 8mm用于主龙骨螺杆的固定木螺丝1.5 寸用于边角的固定单爪玻璃吸盘直径 118 毫米用于维护保养时扣板的取卸或双爪玻璃吸盘设计测量目的及内容:了解安装现场的具体情况。1、确认安装位置的准确的安装尺寸;就是房屋的安装面积。2、了解房屋及各种具体的结构的具体尺...

1、当您付费下载文档后,您只拥有了使用权限,并不意味着购买了版权,文档只能用于自身使用,不得用于其他商业用途(如 [转卖]进行直接盈利或[编辑后售卖]进行间接盈利)。
2、本站所有内容均由合作方或网友上传,本站不对文档的完整性、权威性及其观点立场正确性做任何保证或承诺!文档内容仅供研究参考,付费前请自行鉴别。
3、如文档内容存在违规,或者侵犯商业秘密、侵犯著作权等,请点击“违规举报”。

碎片内容

详解集成吊顶安装作业流程全攻略

您可能关注的文档

确认删除?
VIP
微信客服
  • 扫码咨询
会员Q群
  • 会员专属群点击这里加入QQ群
客服邮箱
回到顶部