电脑桌面
添加小米粒文库到电脑桌面
安装后可以在桌面快捷访问

洁净室净化空调设计方案

洁净室净化空调设计方案_第1页
1/10
洁净室净化空调设计方案_第2页
2/10
洁净室净化空调设计方案_第3页
3/10
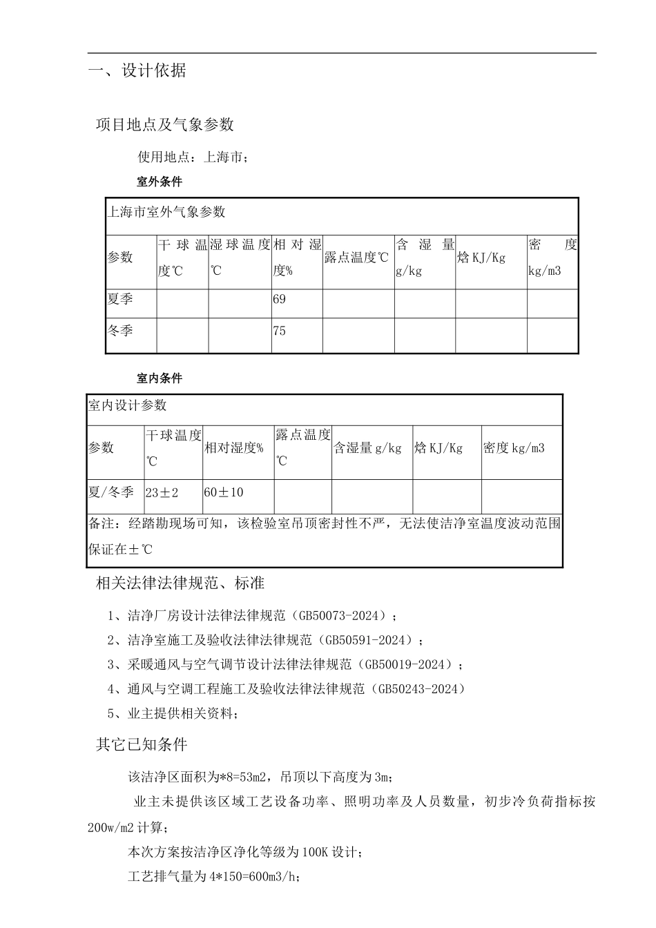
精品文档---下载后可任意编辑 洁净室空调设计方案2024 年 11 月 2 日目 录洁.........................................................................0净.........................................................................0精品文档---下载后可任意编辑室.........................................................................0空.........................................................................0调.........................................................................0设.........................................................................0计.........................................................................0方.........................................................................0案.........................................................................02024 年 11 月 2 日0目 录......................................................................1一、设计依据...............................................................0项目地点及气象参数0相关法律法律规范、标准0其它已知条件0二、系统分析及参数计算.....................................................2系统分析2空调箱相关参数计算2恒温恒湿净化空调箱设备选型表5主机选型6一、设计依据 项目地点及气象参数使用地点:上海市; 室外条件上海市室外气象参数参数干 球 温度℃湿 球 温 度℃相 对 湿度%露点温度℃含 湿 量g/kg焓 KJ/Kg密度kg/m3夏季69冬季75 室内条件室内设计参数参数干球温度℃相对湿度%露点温度℃含湿量 g/kg焓 KJ/Kg密度 kg/m3夏/冬季23±260±10备注:经踏勘现场可知,该检验室吊顶密封性不严,无法使洁净室温度波动范围保证在±℃ 相关法律法律规范、标准1、洁净厂房设计法律法律规范(GB50073-2024);2、洁净室施工及验收法律法律规范(GB50591-2024);3、采暖通风与空气调节设计法律法律规范(GB50019-2024);4、通风与空调工程施工及验收法律法律规范(GB50243-2024)5、业主提供相关资料; 其它已知条件 该洁净区面积为*8=53m2,吊顶以下高度为 3m; 业主未提供该区域工艺设备功率、照明功率及人员数量,初步冷负荷指标按200w/m2 计算; 本次方案按洁净区净化等级为 100K 设计; 工艺排气量为 4*150=600m3/h;精品文档...

1、当您付费下载文档后,您只拥有了使用权限,并不意味着购买了版权,文档只能用于自身使用,不得用于其他商业用途(如 [转卖]进行直接盈利或[编辑后售卖]进行间接盈利)。
2、本站所有内容均由合作方或网友上传,本站不对文档的完整性、权威性及其观点立场正确性做任何保证或承诺!文档内容仅供研究参考,付费前请自行鉴别。
3、如文档内容存在违规,或者侵犯商业秘密、侵犯著作权等,请点击“违规举报”。

碎片内容

洁净室净化空调设计方案

不二商店+ 关注
实名认证
内容提供者

我是你的不二选择

确认删除?
VIP
微信客服
  • 扫码咨询
会员Q群
  • 会员专属群点击这里加入QQ群
客服邮箱
回到顶部