电脑桌面
添加小米粒文库到电脑桌面
安装后可以在桌面快捷访问

电能质量在线监测装置专用技术规范

电能质量在线监测装置专用技术规范_第1页
1/4
电能质量在线监测装置专用技术规范_第2页
2/4
电能质量在线监测装置专用技术规范_第3页
3/4
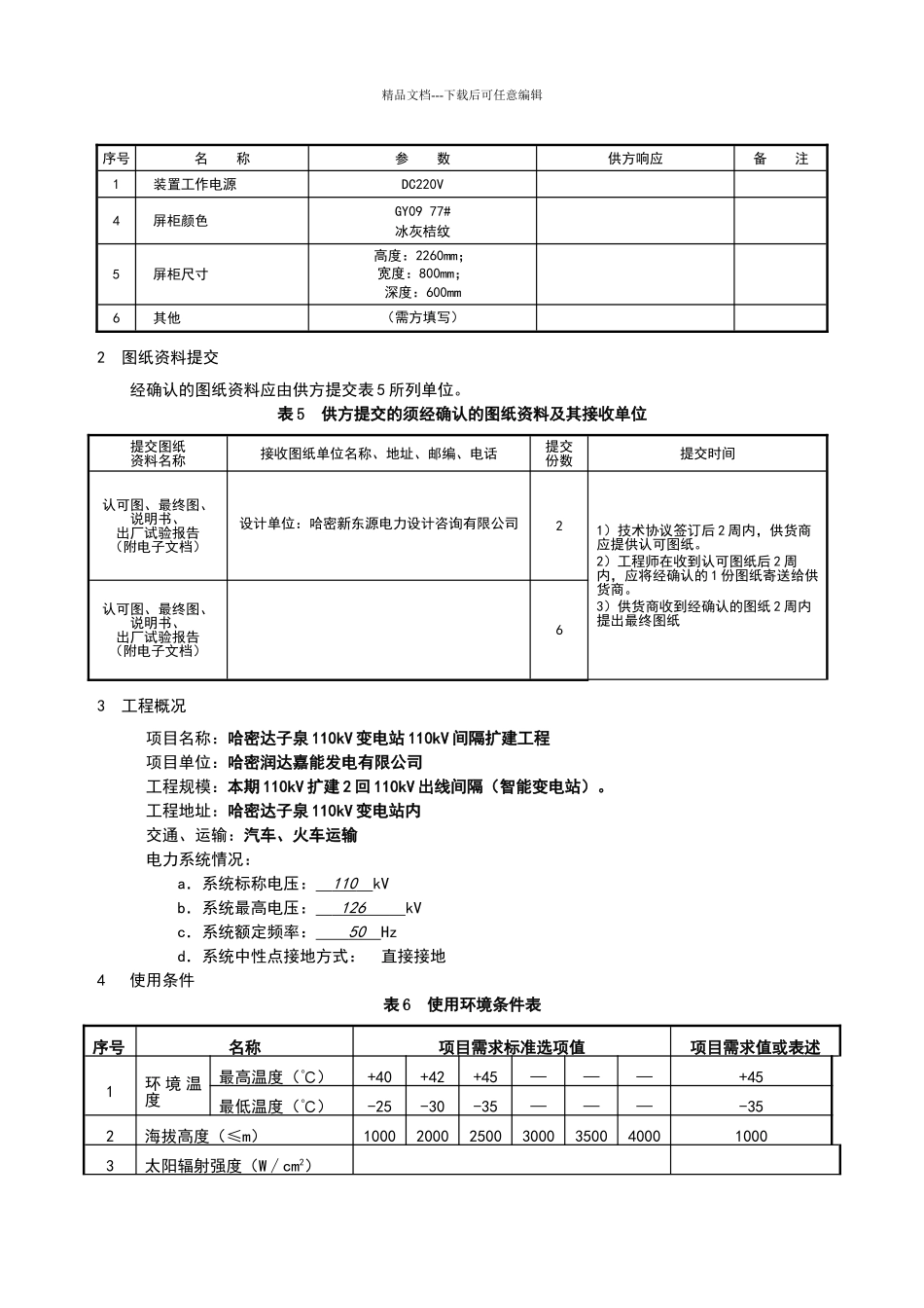
精品文档---下载后可任意编辑达子泉变 110kV 间隔扩建工程电能质量在线监测装置(技术法律法律规范专用部分)(编号:01)购买单位:哈密润达嘉能发电有限公司设计单位:哈密新东源电力设计咨询有限公司2024 年 08 月1 标准技术参数供方应认真逐项填写电能质量在线监测装置标准技术参数表(见表 1、表 2)中“供方保证值”,不能空格,也不能以“响应”两字代替,不允许改动需方要求值。如有差异,请填写表 9 供方技术偏差表。表 1 电能质量在线监测装置标准技术参数表序号参 数 名 称单位标 准 参 数 值需方需求值供方保证值1沟通电压回路过载能力额定电压的倍2沟通电流回路过载能力1.2IN,连续工作;2IN,1s3沟通电压回路功率损耗(每相)VA≤4沟通电流回路功率损耗(每相)VA≤(IN=1A),≤(IN=5A)5基波电压、电流误差≤%6电压偏差误差≤%7频率偏差误差Hz≤±8三相电压不平衡度误差≤%9三相电流不平衡度误差≤%10闪变误差≤5%11电压波动误差≤5%12谐波次数次≥15(需方填写)13存储容量MB(需方填写)14通信接口以太网端口至少 1 个,RS232/ RS485 接口至少 1 个(需方填写)本地维护接口以 太 网 端 口 1 个 或 RS232/RS485 接口 1 个(需方填写)15其他表 2 可选择的技术参数表序号名 称参 数供方响应备 注1装置工作电源DC220V2额定输入电流AC1A3额定输入电压AC100V精品文档---下载后可任意编辑序号名 称参 数供方响应备 注1装置工作电源DC220V4屏柜颜色GY09 77#冰灰桔纹5屏柜尺寸高度:2260mm;宽度:800mm;深度:600mm6其他(需方填写)2 图纸资料提交经确认的图纸资料应由供方提交表 5 所列单位。表 5 供方提交的须经确认的图纸资料及其接收单位提交图纸资料名称接收图纸单位名称、地址、邮编、电话提交份数提交时间认可图、最终图、说明书、出厂试验报告(附电子文档)设计单位:哈密新东源电力设计咨询有限公司21)技术协议签订后 2 周内,供货商应提供认可图纸。2)工程师在收到认可图纸后 2 周内,应将经确认的 1 份图纸寄送给供货商。3)供货商收到经确认的图纸 2 周内提出最终图纸认可图、最终图、说明书、出厂试验报告(附电子文档)63 工程概况 项目名称:哈密达子泉 110kV 变电站 110kV 间隔扩建工程 项目单位:哈密润达嘉能发电有限公司 工程规模:本期 110kV 扩建 2 回 110kV 出线间隔(智能变电站)。 工程地址:哈密达子泉 110kV 变电...

1、当您付费下载文档后,您只拥有了使用权限,并不意味着购买了版权,文档只能用于自身使用,不得用于其他商业用途(如 [转卖]进行直接盈利或[编辑后售卖]进行间接盈利)。
2、本站所有内容均由合作方或网友上传,本站不对文档的完整性、权威性及其观点立场正确性做任何保证或承诺!文档内容仅供研究参考,付费前请自行鉴别。
3、如文档内容存在违规,或者侵犯商业秘密、侵犯著作权等,请点击“违规举报”。

碎片内容

电能质量在线监测装置专用技术规范

您可能关注的文档

确认删除?
VIP
微信客服
  • 扫码咨询
会员Q群
  • 会员专属群点击这里加入QQ群
客服邮箱
回到顶部