电脑桌面
添加小米粒文库到电脑桌面
安装后可以在桌面快捷访问

改性塑料属性表

改性塑料属性表_第1页
1/28
改性塑料属性表_第2页
2/28
改性塑料属性表_第3页
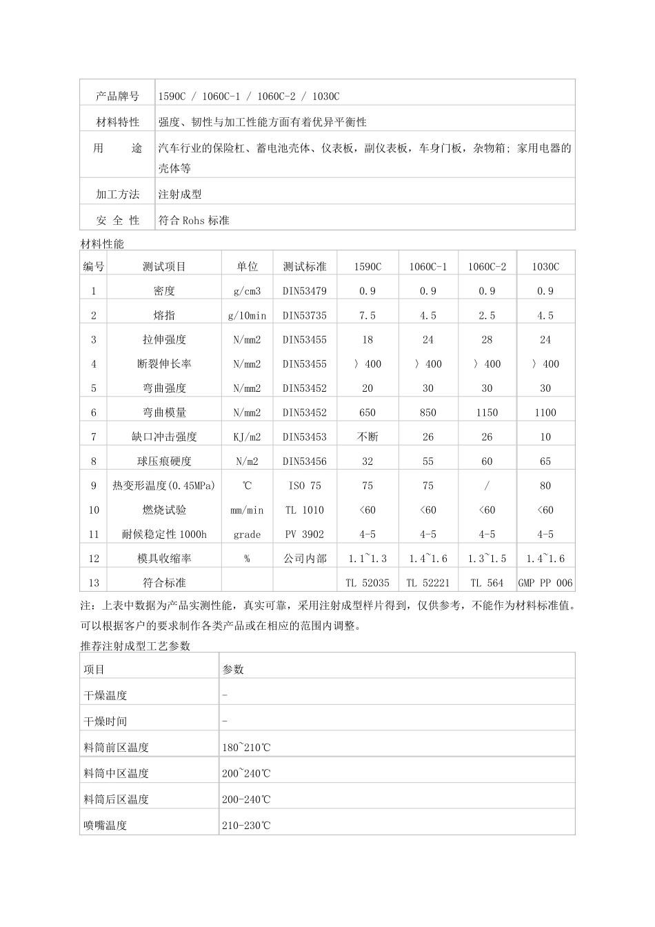
3/28
·PP 系列 PP 系列 PP1 汽车行业: 前后保险杠、仪表板、副仪表板、车身门板、杂物箱、车灯灯体、轮罩、蓄电池外壳、方向盘、转向轴护套等。 家用电器: 洗衣机内桶、底座、脱水桶、盖板、开关壳、电视机壳体、电风扇的电机罩、电冰箱的门胆等。 PP2 PP3 PP4 PP5 PP6 PP7 PP8 PP9 PP10 PP+EPDM PP+EPDM+T20 PP+EPDM+T30 PP+EPDM+T15+GF15 PP+GF40 透明 PP 一、改性 PP 系列: 改性 PP 系列材料系根据相关行业制品对材料的具体要求而制定的,在材料的强度、韧性与加工性能方面有着优异平衡性的系列材料,可以用注射、模压、挤出等方法成型,广泛应用于汽车、电器等行业。 产品特性 材料名称 改性 PP 产品牌号 1520H-1 / 1520H-2 / 1520H-3 / 1520H-4 / 1530C / 1020G20 / 1530G30 材料特性 强度、韧性与加工性能方面有着优异平衡性 用 途 汽车行业的保险杠、蓄电池壳体、仪表板,副仪表板,车身门板,杂物箱; 家用电器的壳体等 加工方法 注射成型 安 全 性 符合 Rohs 标准 材料性能 编号 测试项目 单位 测试标准 1520H-1 1520H-2 1520H-3 1520H-4 1530C 1020G20 1530G30 1 密度 g/cm3 DIN53479 0.9 0.9 0.9 0.9 0.9 1.05 1.1 2 熔指 g/10min DIN53735 8 8 8 6.5 8 4 10.2 3 拉伸强度 N/mm2 DIN53455 30 30 30 24 24 80 95 4 弯曲强度 N/mm2 DIN53452 40 40 40 35 30 105 115 5 弯曲模量 N/mm2 DIN53452 1350 1350 1350 1100 850 4200 5200 6 缺口冲击强度 KJ/m2 DIN53453 4.5 4.5 4.5 7.5 20 9.0 12 7 无缺口冲击强度 KJ/m2 DIN53453 不断 不断 不断 不断 不断 35 45 8 球压痕硬度 N/mm2 DIN53456 74 74 74 62 54 110 115 9 维卡软化温度(1Kg) ℃ DIN53460 150 150 150 148 135 158 158 10 燃烧试验 mm/min TL 1010 <60 <60 <60 <60 <60 <60 <60 11 耐候稳定性1000h grade PV 3902 4-5 4-5 4-5 4-5 4-5 4-5 4-5 12 模具收缩率 % 公司内部 1.6~1.8 1.6~1.8 1.6~1.8 1.6~1.8 1.6~1.8 0.6-1.0 0.4-0.7 13 符合大众 TL 标准 PP1 PP2 PP3 PP4 PP5 PP9 PP10 注:上表中数据为产品实测性能,真实可靠,采用注射成型样片得到,仅供参考,不能作为材料标准值。可以根据客户的要求制作各类产品或在相应的范围内调整。 推荐...

1、当您付费下载文档后,您只拥有了使用权限,并不意味着购买了版权,文档只能用于自身使用,不得用于其他商业用途(如 [转卖]进行直接盈利或[编辑后售卖]进行间接盈利)。
2、本站所有内容均由合作方或网友上传,本站不对文档的完整性、权威性及其观点立场正确性做任何保证或承诺!文档内容仅供研究参考,付费前请自行鉴别。
3、如文档内容存在违规,或者侵犯商业秘密、侵犯著作权等,请点击“违规举报”。

碎片内容

改性塑料属性表

确认删除?
VIP
微信客服
  • 扫码咨询
会员Q群
  • 会员专属群点击这里加入QQ群
客服邮箱
回到顶部