电脑桌面
添加小米粒文库到电脑桌面
安装后可以在桌面快捷访问

本田新奥德赛GPS专用机安装指南

本田新奥德赛GPS专用机安装指南_第1页
1/14
本田新奥德赛GPS专用机安装指南_第2页
2/14
本田新奥德赛GPS专用机安装指南_第3页
3/14
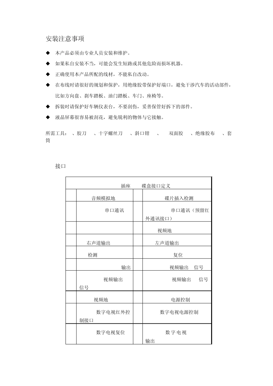
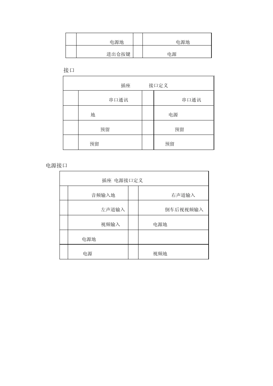
广本本田新奥德赛专用机 安装指南 温馨提示:使用本产品前请详细阅读安装指南 安装注意事项:  本产品必须由专业人员安装和维护。  如果私自安装不当,可能会发生短路或其他危险而损坏机器。  正确使用本产品所配的线材,不能私自改动。  在布线时请很好的规划和保护,用绝缘胶带保护好端口,避免干涉汽车的活动部件,比如方向盘、刹车踏板、油门踏板、车门、座椅等。  拆装时请保护好车辆仪表台,不要刮伤,妥善保管好拆下的部件。  液晶屏幕很容易被刮花,避免锐利的物体与它接触。 所需工具:1、胶刀 2、十字螺丝刀 3、斜口钳 4、3M双面胶 5、绝缘胶布 6、套筒 DVD接口 24PIN插座-DVD碟盒接口定义 1 AGND 音频模拟地 2 DISK-IN 碟片插入检测 3 DVD-TX DVD串口通讯 4 DVD-RX DVD串口通讯(预留红外通讯接口) 5 ACC 6 VGND 视频地 7 FR 右声道输出 8 FL 左声道输出 9 DVD检测 10 DVD-RES DVD复位 11 DVD-CVBS DVD-CVBS输出 12 DVD-Y DVD-视频输出 Y信号 13 DVD-PbDVD-视频输出 Pb信号 14 DVD-Pr DVD-视频输出 Pr信号 15 VGND 视频地 16 DVD-EN DVD电源控制 17 TV-IR 数字电视红外控制接口 18 TV-EN 数字电视电源控制 19 TV-RES 数字电视复位 20 TV-CVBS 数字电视 DVD-CVBS输出 CANBUS接口 8PIN插座-CANBUS接口定义 1 RX-CAN CAN串口通讯 2 TX-CAN CAN串口通讯 3 GND 地 4 BATT 电源 12V 5 TX-BACK 预留 6 RX-BACK预留 7 IO2预留 8 IO1预留 电源接口 10PIN插座-电源接口定义 1 AGND AUX音频输入地 2 AUX-R-IN AUX右声道输入 3 AUX-L-IN AUX左声道输入 4 BACK-CVBS 倒车后视视频输入 5 AUX-CVBS AUX视频输入 6 PGND 电源地 7 PGND电源地 8 ACC 9 BATT 电源 12V 10 VGND 视频地 21 DVD-PGND DVD电源地 22 DVD-PGND DVD电源地 23 DVD KEY DVD进出仓按键 24 BATT DVD 电源 12V 音视频输出接口 12PIN插座-音视频输出接口定义 1 OUT-R 音频输出(右声道) 2 CVBS-OUT1 后枕输出 3 AGND 音频地 4 VGND视频地 5 OUT-L音频输出(左声道) 6 CVBS-OUT2后枕输出 7 GND地 8 PK-SW 手杀检测 9 MIC+ +蓝牙麦克风 10 BACK-SW 倒车后视检测 11 MIC- -蓝牙麦克风 12 ILL 大灯检测 1、新奥德赛原车中控内饰图 2 如图拆卸方向盆下方装饰板的螺丝 3 ...

1、当您付费下载文档后,您只拥有了使用权限,并不意味着购买了版权,文档只能用于自身使用,不得用于其他商业用途(如 [转卖]进行直接盈利或[编辑后售卖]进行间接盈利)。
2、本站所有内容均由合作方或网友上传,本站不对文档的完整性、权威性及其观点立场正确性做任何保证或承诺!文档内容仅供研究参考,付费前请自行鉴别。
3、如文档内容存在违规,或者侵犯商业秘密、侵犯著作权等,请点击“违规举报”。

碎片内容

本田新奥德赛GPS专用机安装指南

确认删除?
VIP
微信客服
  • 扫码咨询
会员Q群
  • 会员专属群点击这里加入QQ群
客服邮箱
回到顶部