电脑桌面
添加小米粒文库到电脑桌面
安装后可以在桌面快捷访问

机动车维修开业条件

机动车维修开业条件_第1页
1/9
机动车维修开业条件_第2页
2/9
机动车维修开业条件_第3页
3/9
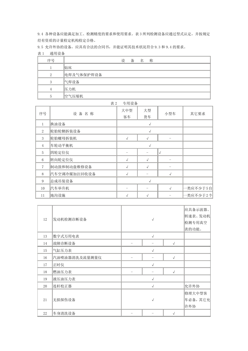
中华人民共和国国家标准 GB/T16739.1-2004 第1 部分:汽车整车维修企业 1.范围 本部分规定了汽车整车维修企业必须具备的人员、组织管理、设施、设备等条件。 本部分适用于汽车整车维修企业(一类、二类),是交通行政主管部门对汽车整车维修企业开业审核和管理的依据。 2.规范性引用文件 下列文件中的条款通过 GB/T16739 的本部分的引用而成为本部分的条款。凡是注日期的引用文件,其随后所有的修改单(不包括勘误的内容)或修订版均不适用于本部分,然而,鼓励根据本部分达成协议的各方研究是否可使用这些文件的最新版本。凡是不注日期的引用文件,其最新版本适用于本部分。 GB/T 5624 汽车维修术语 GB/T 16739.2 汽车维修业开业条件 第2 部分 汽车专项维修 业户 3.术语和定义 GB/T 5624 确立的以及下列术语和定义适用于 GB/T16739 的本部分。 3.1 汽车整车维修企业 the enterprises for motor vehicle maintenance and repair 有能力对所维修车型的整车、各个总成及主要零部件进行各级维护、修理及更换,使汽车的技术状况和运行性能完全(或接近完全)恢复到原车的技术要求,并符合相应国家标准和行业标准的规定的汽车维修企业。按规模大小分为一类汽车整车维修企业和二类汽车整车维修企业。 3.2 小型车 small vehicle 车身 总长 不超 过 6m 的载 客 车辆 和最大设计 总质 量 不超 过 3500 kg 的载 货 车辆 。 3.3 大中型客 车 large and medium passenger vehicle 车身 总长 超 过 6m 的载 客 车辆 。 3.4 大型货 车 heavy-duty goods vehicle 最大设计 总质 量 超 过 3500 kg 的载 货 车辆 、挂 车及专用汽车的车辆 部分。 4.人员条件 4.1 企业管理负 责 人、技术负 责 人及检 验 、业务 、价 格 核算 、维修(机 修、电 器 、钣 金 、油 漆 )等关 键 岗位 至 少 应配 备1 人,并应经 过有关 培 训 ,取 得 行业主管部门颁 发 的从 业资 格 证 书 ,持 证 上 岗 。 4.2 企业管理负 责 人应熟 悉 汽车维修业务 ,具备企业经 营 、管理能力,并了解 汽车维修及相关 行业的法 规及标准。 4.3 技术负 责 人应具有汽车维修或相关 专业的大专以上 文化 程 度 ,或具有汽车维修或相关 专业的中级以上专业技术职 称 。应熟 悉 汽车维修业务 ,并掌 握 汽车维修及相关 ...

1、当您付费下载文档后,您只拥有了使用权限,并不意味着购买了版权,文档只能用于自身使用,不得用于其他商业用途(如 [转卖]进行直接盈利或[编辑后售卖]进行间接盈利)。
2、本站所有内容均由合作方或网友上传,本站不对文档的完整性、权威性及其观点立场正确性做任何保证或承诺!文档内容仅供研究参考,付费前请自行鉴别。
3、如文档内容存在违规,或者侵犯商业秘密、侵犯著作权等,请点击“违规举报”。

碎片内容

机动车维修开业条件

您可能关注的文档

小辰5+ 关注
实名认证
内容提供者

出售各种资料和文档

确认删除?
VIP
微信客服
  • 扫码咨询
会员Q群
  • 会员专属群点击这里加入QQ群
客服邮箱
回到顶部