电脑桌面
添加小米粒文库到电脑桌面
安装后可以在桌面快捷访问

机械制图教材1

机械制图教材1_第1页
1/9
机械制图教材1_第2页
2/9
机械制图教材1_第3页
3/9
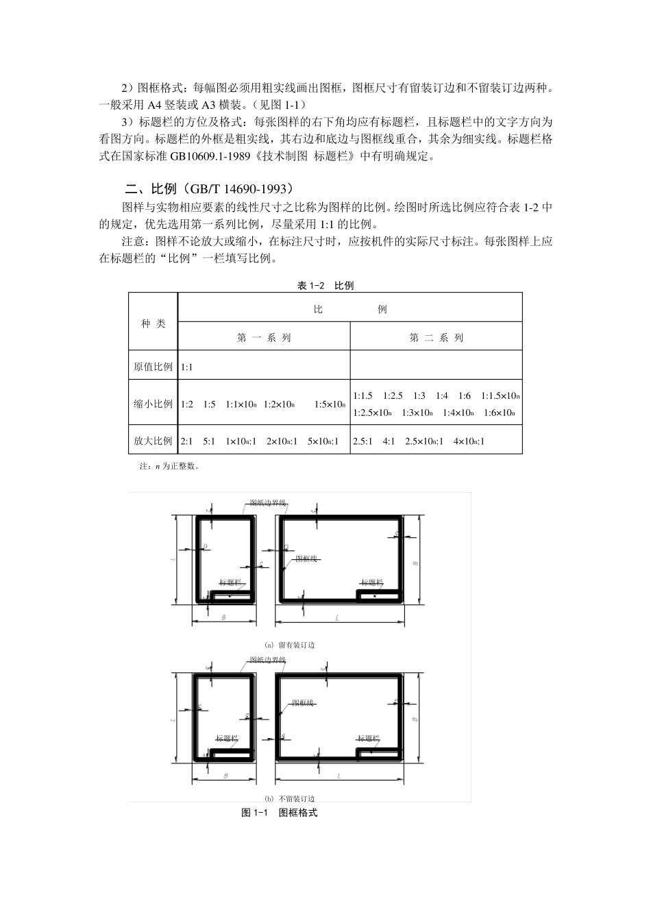
第一章 制图的基本知识与技能 目的要求: 1) 了解、遵守国标规定:图幅、比例、字体、图线和尺寸注法 2) 正确使用工具和仪器 3) 掌握常用的几何作图方法与平面图形的画法 4) 达到作图准确、图线分明、字体工整、图面整洁美观 5) 掌握徒手画图的基本方法 重点难点: 1) 会正确的使用图线 2) 掌握尺寸的标注要求和符合规定的进行标注 3) 平面图形进行正确的分析及运用绘图仪器画平面图形 授课学时:4 学时 本章主要作图练习: 1) 字体(主要是数字、拉丁字母、长仿宋体)的练习。 2) 图线(主要是粗实线、细实线、虚线、细点画线)练习。 3) 锥度和斜度作图练习。 4) 圆弧连接作图练习。 5) 完成给定平面图形的作图。 6) 完成平面图形的尺寸标注。 7) 尺寸标注错误改正。 授课内容: §1-1 《技术制图》与《机械制图》国家标准部分内容简介 图样是“工程界的语言”,为便于技术交流和指导生产,就必须有一个统一的规定。国家标准简称国标,代号为“GB”。 一、图纸幅面及格式(GB/T 14689-1993) 1.图纸幅面 1)优先采用基本幅面A0、A1、A2、A3、A4,加长幅面是基本幅面短边的整数倍。(见表 1-1) 表 1-1 基本幅面尺寸(mm) 幅面代号 A0 A1 A2 A3 A4 尺寸B×L 841×1189 594×841 420×594 297×420 210×297 边 框 a 25 c 10 5 e 20 10 2)图框格式:每幅图必须用粗实线画出图框,图框尺寸有留装订边和不留装订边两种。一般采用A4 竖装或A3 横装。(见图1-1) 3)标题栏的方位及格式:每张图样的右下角均应有标题栏,且标题栏中的文字方向为看图方向。标题栏的外框是粗实线,其右边和底边与图框线重合,其余为细实线。标题栏格式在国家标准GB10609.1-1989《技术制图 标题栏》中有明确规定。 二、比例(GB/T 14690-1993) 图样与实物相应要素的线性尺寸之比称为图样的比例。绘图时所选比例应符合表1-2 中的规定,优先选用第一系列比例,尽量采用1:1 的比例。 注意:图样不论放大或缩小,在标注尺寸时,应按机件的实际尺寸标注。每张图样上应在标题栏的“比例”一栏填写比例。 表 1-2 比例 种 类 比 例 第 一 系 列 第 二 系 列 原值比例 1:1 缩小比例 1:2 1:5 1:1×10n 1:2×10n 1:5×10n 1:1.5 1:2.5 1:3 1:4 1:6 1:1.5×10n 1:2.5×10n 1:3×10n 1:4×10n 1:6×10n 放大比例 2:1 5:1 1×10n:1 2×10n:...

1、当您付费下载文档后,您只拥有了使用权限,并不意味着购买了版权,文档只能用于自身使用,不得用于其他商业用途(如 [转卖]进行直接盈利或[编辑后售卖]进行间接盈利)。
2、本站所有内容均由合作方或网友上传,本站不对文档的完整性、权威性及其观点立场正确性做任何保证或承诺!文档内容仅供研究参考,付费前请自行鉴别。
3、如文档内容存在违规,或者侵犯商业秘密、侵犯著作权等,请点击“违规举报”。

碎片内容

机械制图教材1

小辰6+ 关注
实名认证
内容提供者

出售各种资料和文档

确认删除?
VIP
微信客服
  • 扫码咨询
会员Q群
  • 会员专属群点击这里加入QQ群
客服邮箱
回到顶部