电脑桌面
添加小米粒文库到电脑桌面
安装后可以在桌面快捷访问

机械加工行业编码规则

机械加工行业编码规则_第1页
1/7
机械加工行业编码规则_第2页
2/7
机械加工行业编码规则_第3页
3/7
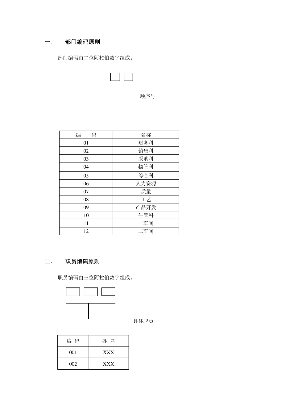
K/3 编码规范 丹东金蝶软件 二零一二年五月 文档控制 更改记录 日期 作者 版本 更改参考/备注 200 2012-5-10 刘长青 V1.0 新建 一、 部门编码原则 部门编码由二位阿拉伯数字组成。 顺序号 编 码 名称 01 财务科 02 销售科 03 采购科 04 物管科 05 综合科 06 人力资源 07 质量 08 工艺 09 产品开发 10 生管科 11 一车间 12 二车间 二、 职员编码原则 职员编码由三位阿拉伯数字组成。 具体职员 编 码 姓 名 001 X X X 002 X X X …. …. 三、 客户编码原则 客户编码由七位阿拉伯数字组成,共三级。第一级两位代表地区省级编码;第二级两位代表市级编码,第三级三位代表单位顺序号。 顺序号 市 省(直辖市忽略) 编 码 客户名称 21.06.001 辽宁丹东宽甸 X X X X 有限公司 X X X X X X ….. ….. 注:地区编码规则详见 行政区划代码 http://www.stats.gov.cn/tjbz/xzqhdm/ 四、 供应商编码原则 供应商编码由七位阿拉伯数字组成,共三级。第一级两位代表地区省级编码;第二级两位代表市级编码,第三级三位代表单位顺序号。 顺序号 市 省(直辖市忽略) 编 码 供应商名称 21.06.001 辽宁丹东宽甸X X X X 有限公司 X X X X X X ….. ….. 注:地区编码规则详见 行政区划代码 http://www.stats.gov.cn/tjbz/xzqhdm/ 五、仓库编码原则 仓库编码由四位阿拉伯数字组成,共二级。按顺序号编码。 仓库小类 仓库编号 编 码 仓库名称 01 原材料 01.01 主料 01.02 辅料 01.03 消耗品 01.04 焊材 02 产成品 03 半成品 04 外协 05 废品 06 办公用品 六、物料编码原则 1、 原材料编码 原材料编码,分为五级由十二位阿拉伯数字组成,第一级二位代表分类【原材料】;第二级两位代表【原材料小类】,第三级二位【材质类别】;第四级三位代表【材料名】;第五级三位代表【顺序号】。 例如:01.01.01.001.001 代表 【原材料】-【主料】-【钢材】-【槽钢】-【顺序号】 助记码:与原材料规格型号相同,可简化编写。 2、消耗品编码 【消耗品】材料分为五级由十二位阿拉伯数字组成。 第一级二位代表材料分类【原材料】;第二级二位代表【消耗品】;第三级二位代表【小类】;第四级三位代表【材料名】;第五级三位代表【顺序号】。 例如:01.03.01.001.001 代表 【原材料】【消耗品】【焊材】【电焊条】【顺序...

1、当您付费下载文档后,您只拥有了使用权限,并不意味着购买了版权,文档只能用于自身使用,不得用于其他商业用途(如 [转卖]进行直接盈利或[编辑后售卖]进行间接盈利)。
2、本站所有内容均由合作方或网友上传,本站不对文档的完整性、权威性及其观点立场正确性做任何保证或承诺!文档内容仅供研究参考,付费前请自行鉴别。
3、如文档内容存在违规,或者侵犯商业秘密、侵犯著作权等,请点击“违规举报”。

碎片内容

机械加工行业编码规则

确认删除?
VIP
微信客服
  • 扫码咨询
会员Q群
  • 会员专属群点击这里加入QQ群
客服邮箱
回到顶部