电脑桌面
添加小米粒文库到电脑桌面
安装后可以在桌面快捷访问

机械工程测试技术实验指导书

机械工程测试技术实验指导书_第1页
1/14
机械工程测试技术实验指导书_第2页
2/14
机械工程测试技术实验指导书_第3页
3/14
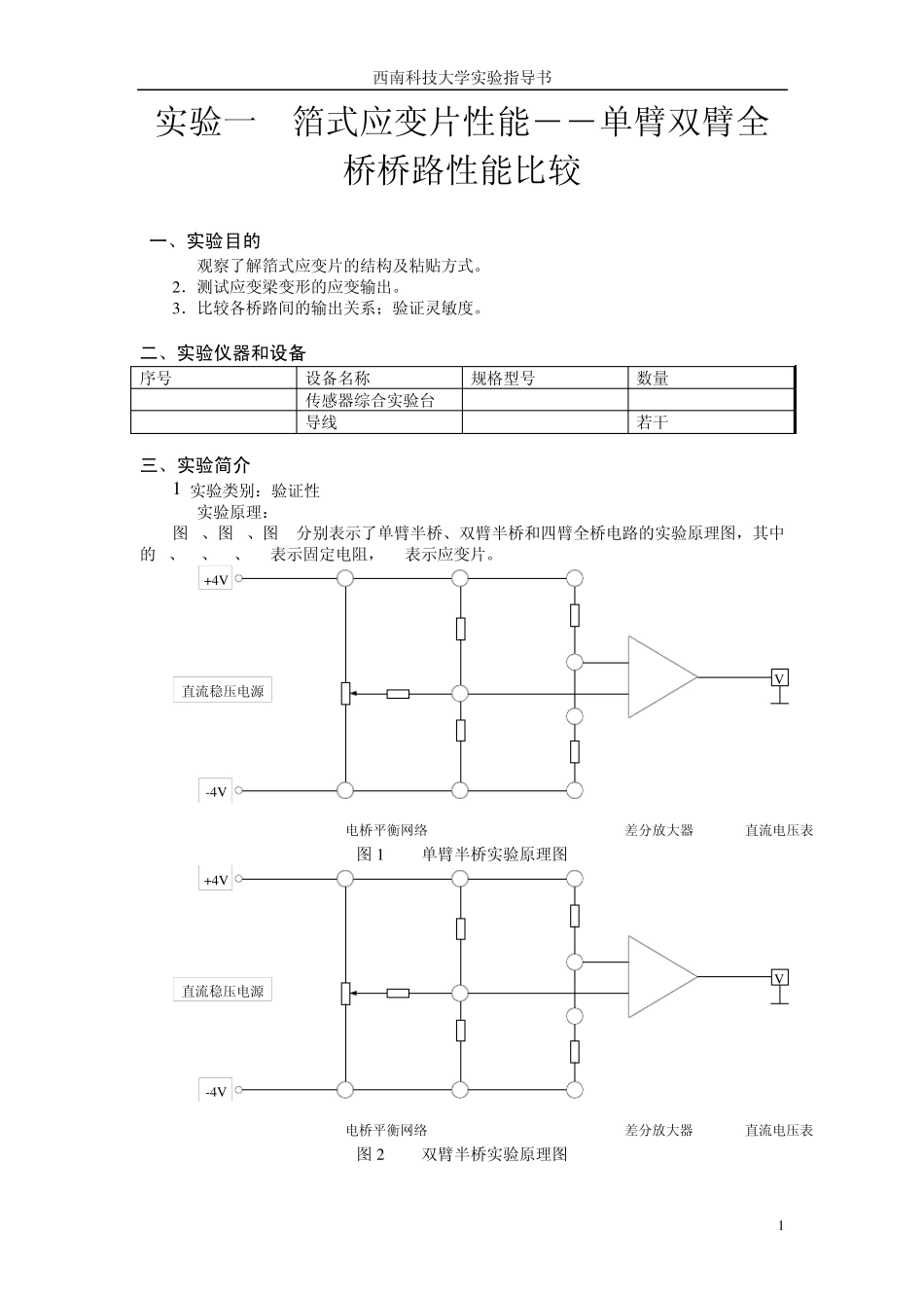
西南科技大学实验指导书 1 《机电工程测试技术》 实 验 指 导 书 主编 黄华川 西南科技大学制造科学与工程学院 2 0 0 6 年 1 1 月 制造科学与工程学院 目 录 实验一 箔式应变片性能――单臂双臂全桥桥路性能比较 ............................................................... 1 实验二 霍尔式传感器的直流激励特性 .............................................................................................. 4 实验三 电容式传感器特性 .................................................................................................................. 6 实验四 电子秤设计与制作 .................................................................................................................. 8 实验五 差动螺管式电感传感器的静态位移性能 .............................................................................. 9 实验六 热电偶的温度效应 ................................................................................................................ 1 1 附录 ........................................................................................................................ 错误!未定义书签。 西南科技大学实验指导书 1 实验一 箔式应变片性能――单臂双臂全桥桥路性能比较 一、实验目的 1. 观察了解箔式应变片的结构及粘贴方式。 2.测试应变梁变形的应变输出。 3.比较各桥路间的输出关系;验证灵敏度。 二、实验仪器和设备 序号 设备名称 规格型号 数量 1 传感器综合实验台 XXXX 4 2 导线 若干 三、实验简介 1.实验类别:验证性 2. 实验原理: 图 1、图 2、图 3分别表示了单臂半桥、双臂半桥和四臂全桥电路的实验原理图,其中的 R、R1、R2、R3表示固定电阻,Rx表示应变片。 41105382711RxR3R1R2W1R直流稳压电源电桥平衡网络差分放大器V直流电压表+-+4V-4V图 1 单臂半桥实验原理图 41105382711RxRxR1R2W1R直流稳压电源电桥平衡网络差分放大器V直流电压表+-+4V-4V图 2 双臂半桥实验原理图 制造科学与工程学院 41105382711RxRxRxRxW1R直流稳压电源电桥平衡网络差分放大器V直流电压表+-+4V-4V图3 四臂全桥实验原理图 3. 实验流程: 分别完成单臂半桥、双臂半桥和四臂全桥电路的...

1、当您付费下载文档后,您只拥有了使用权限,并不意味着购买了版权,文档只能用于自身使用,不得用于其他商业用途(如 [转卖]进行直接盈利或[编辑后售卖]进行间接盈利)。
2、本站所有内容均由合作方或网友上传,本站不对文档的完整性、权威性及其观点立场正确性做任何保证或承诺!文档内容仅供研究参考,付费前请自行鉴别。
3、如文档内容存在违规,或者侵犯商业秘密、侵犯著作权等,请点击“违规举报”。

碎片内容

机械工程测试技术实验指导书

小辰9+ 关注
实名认证
内容提供者

出售各种资料和文档

确认删除?
VIP
微信客服
  • 扫码咨询
会员Q群
  • 会员专属群点击这里加入QQ群
客服邮箱
回到顶部