电脑桌面
添加小米粒文库到电脑桌面
安装后可以在桌面快捷访问

素土挤密桩工艺性试验总结

素土挤密桩工艺性试验总结_第1页
1/9
素土挤密桩工艺性试验总结_第2页
2/9
素土挤密桩工艺性试验总结_第3页
3/9
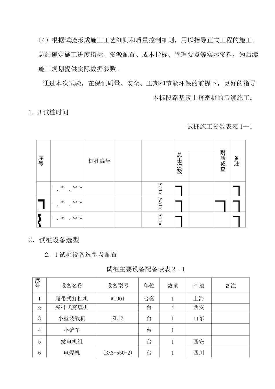
新建铁路 XX 至 XX 客运专线甘肃段 BLTJ-9 标素土挤密桩工艺性试验总结编制:复核:审核:中铁一局 XX 各专甘肃段项目经理部二 OXX 年六月1、试桩概况1.1 试验依据(1)*******段指导性施组。(2)新建******铁路客运专线工程***标段施工图纸。(3)国家、铁道部现行的铁路工程建设施工规范、验收标准、安全规则及施工指南等。(4)现场踏勘调查所获得的工程地质、水文地质、当地资源、交通状况及施工环境等调查资料。(5)《高速铁路路基工程施工技术指南》铁建设【2010】241 号(6)《铁路工程地基处理技术规程》(铁建设【2010】126 号)(TB10106-2010)(7)《高速铁路路基工程施工质量验收标准》(TB10751-2010)(8)《铁路给水排水工程施工质量验收标准》(TB10422-2011)(9)《铁路工程土工试验规程》(TB10102-2010)(10)《铁路工程基本作业施工安全技术规程》(TB10301-2009)(11)《铁路路基工程施工安全技术规程》(TB10302-2009)1. 2 试验目的(1)对施工机械、方案、施工参数的优选和确定,研究适合路基素土挤密桩基地层特点的成孔设备及夯填设备在该段地层施工的工效、施工参数,确定相应地层的施工设备类型及各种设备的搭配方式,筛选出最优的施工机具搭配方案。2)对设计参数的现场地质核对。(3)检验施工准备工作的周密性、严谨性。(4)根据试验形成施工工艺细则和质量控制细则,用以指导正式工程的施工。总结确定施工进度指标、资源配置、成本指标、管理要点等实际资料,为后续施工规划提供实际数据参数。通过本次试验,在保证质量、安全、工期和节能环保的前提下,更好的指导本标段路基素土挤密桩的后续施工。1. 3 试桩时间试桩施工参数表表 1--1序号桩孔编号耐质减查备注总击次数72、6、3o5a1x□□E72、6、3o5a1x□□□m72、6、3o5a1x□□2、试桩设备选型2. 1 试桩设备选型及配置试桩主要设备配备表表 2--1序号设备名称设备型号单位数量产地备注1履带式打桩机W1001台套1上海2夹杆式夯填机台4西安3小型装载机ZL12台1山东4小铲车台15发电机组台1西安6电焊机(BX3-550-2)台1四川7水泵台12.2 试桩布置原则及加固机理(1)试桩布置原则为复核地质资料及设备、工艺等是否适宜,保证素土挤密桩的质量,我部采用先打试桩以确定施工参数的方法。试桩共三根,采用正三角形布置,桩孔直径为 40cm,桩间距 90cm,桩长 10.5m。填料为素土,采用小型装载机铲上土后,倒入自动夯填机料斗中,通过输送皮带将土均匀输送到已打好的桩孔内,每次回填量...

1、当您付费下载文档后,您只拥有了使用权限,并不意味着购买了版权,文档只能用于自身使用,不得用于其他商业用途(如 [转卖]进行直接盈利或[编辑后售卖]进行间接盈利)。
2、本站所有内容均由合作方或网友上传,本站不对文档的完整性、权威性及其观点立场正确性做任何保证或承诺!文档内容仅供研究参考,付费前请自行鉴别。
3、如文档内容存在违规,或者侵犯商业秘密、侵犯著作权等,请点击“违规举报”。

碎片内容

素土挤密桩工艺性试验总结

您可能关注的文档

确认删除?
VIP
微信客服
  • 扫码咨询
会员Q群
  • 会员专属群点击这里加入QQ群
客服邮箱
回到顶部