电脑桌面
添加小米粒文库到电脑桌面
安装后可以在桌面快捷访问

经纬仪、全站仪、水准仪及其配套设施日常检定

经纬仪、全站仪、水准仪及其配套设施日常检定_第1页
1/24
经纬仪、全站仪、水准仪及其配套设施日常检定_第2页
2/24
经纬仪、全站仪、水准仪及其配套设施日常检定_第3页
3/24
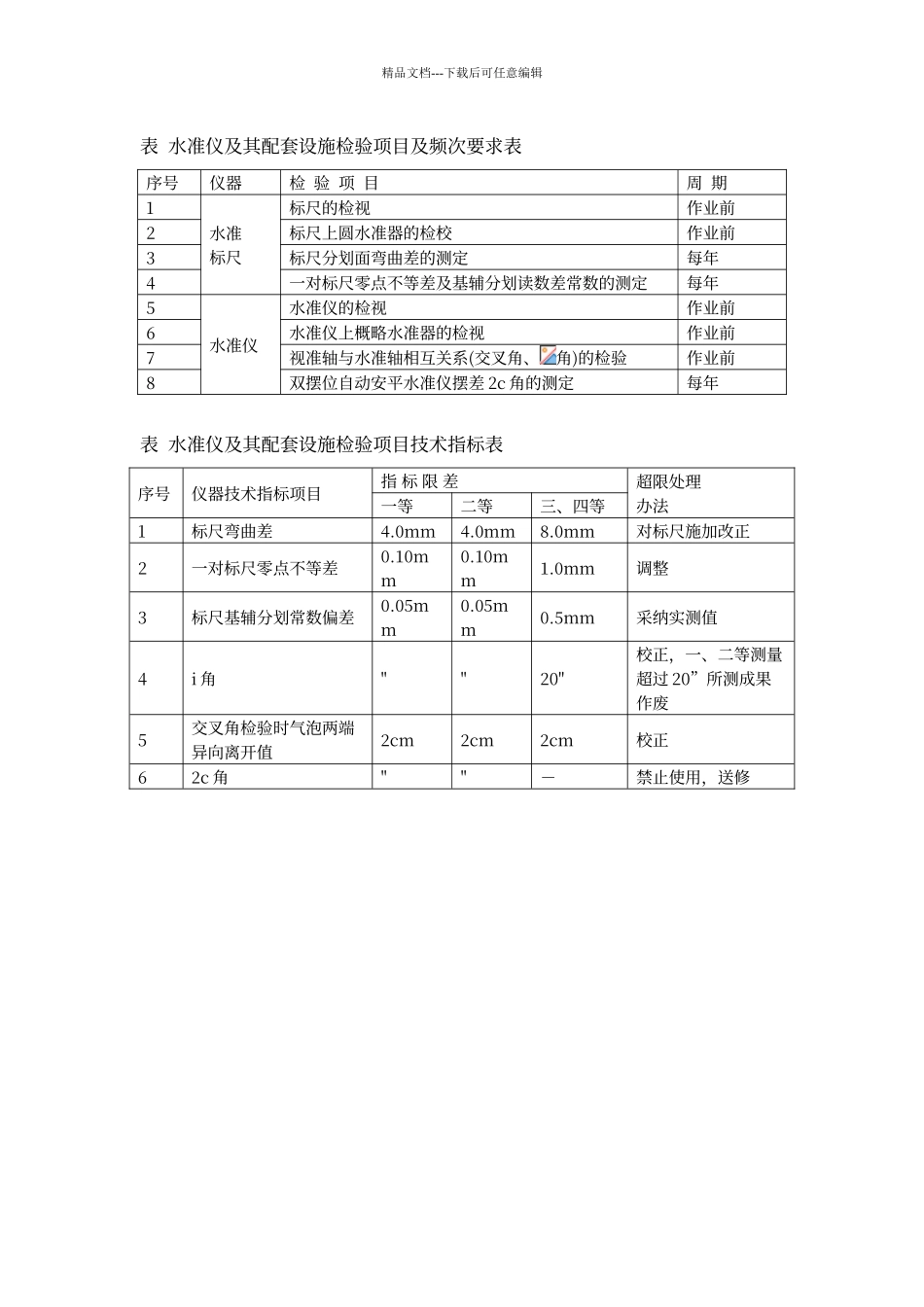
精品文档---下载后可任意编辑经纬仪、全站仪、水准仪及其配套设施除按规定对新仪器及定期进行全面送检外,还必须按表~进行定期自检或送检。如检查发现有外观变形、连接部位松动等情况,不得用于观测,需经过维修并检验合格后,才能投入使用。对检验后的仪器常数、水准标尺每米真长等改正数,应确认其为显著后,方可对测值进行改正。表中“作业前”是指该监测项目首次观测前、更换仪器观测前、长途运输或剧烈震动或碰撞后观测前、仪器送检或外借后观测前、距上次检验间隔较长时间观测前。表 光学经纬仪定期检验项目及频次要求表序号检 验 项 目周 期1外观及各部件相互作用作业前2望远镜十字分划板竖丝的铅垂性3水准器轴与竖轴的垂直度4视准轴与横轴的垂直度5横轴与竖轴的垂直度6竖盘指标差7光学对中器对中误差注 1:经纬仪配套活动觇牌应在每年进行一次检验(自检),首先应对觇牌的水准管轴与竖轴的垂直性、圆水准轴与竖轴的平行性等进行检校;活动觇牌零位、固定觇牌的图案中心轴与竖轴的重合性进行检验。注 2:测量仪器使用过程与该检验项目无关,则可不进行该项目检验,如不使用光学对中器则可不检验光学对中器对中误差、不进行距离观测则可不检验测距部分检验项目。表 光学经纬仪检验项目技术指标表序号仪器技术指标项目指标限差超限处理办法J1 级仪器J2 级仪器1水准器轴与竖轴的垂直度格格调整2视准轴误差 C6"8"调整3横轴误差 i10"15"送修4竖盘指标差 I12"16"送修→送修5光学对中器对中误差1mm1mm送修精品文档---下载后可任意编辑表 全站仪(测角部分)检验项目及频次要求表序号检 验 项 目周 期1外观及一般功能检查作业前2基础性调整与校准作业前3水准器轴与竖轴的垂直度作业前4望远镜十字分划板竖丝的铅垂性每年6照准误差 C、横轴误差 i、竖盘指标差 I作业前7ATR 准直差作业前8光学对中器视准轴与竖轴重合度每年注 1:测距时所用气象仪表包括通风温度表和空盒气压表应定期送有关气象部门检验,其中温度表每三年检验一次,气压表每年检验一次。空盒气压表检定的项目:(1)补充订正值的检定;(2)温度改正系数的检定;(3)刻度改正值的检定。通风温度表检定的项目:(1)通风器的检定;(2)温度表刻划的检定。注 2:全站仪配套目标棱镜应在每年进行一次检验(自检),首先应对目标棱镜的圆水准轴与竖轴的平行性进行检校;目标棱镜纵横向偏心,用于高程观测的目标棱镜还包括高程向偏心进行检验。表 全站仪(测角...

1、当您付费下载文档后,您只拥有了使用权限,并不意味着购买了版权,文档只能用于自身使用,不得用于其他商业用途(如 [转卖]进行直接盈利或[编辑后售卖]进行间接盈利)。
2、本站所有内容均由合作方或网友上传,本站不对文档的完整性、权威性及其观点立场正确性做任何保证或承诺!文档内容仅供研究参考,付费前请自行鉴别。
3、如文档内容存在违规,或者侵犯商业秘密、侵犯著作权等,请点击“违规举报”。

碎片内容

经纬仪、全站仪、水准仪及其配套设施日常检定

办公文档专营+ 关注
实名认证
内容提供者

大量办公文档,欢迎选择

确认删除?
VIP
微信客服
  • 扫码咨询
会员Q群
  • 会员专属群点击这里加入QQ群
客服邮箱
回到顶部