电脑桌面
添加小米粒文库到电脑桌面
安装后可以在桌面快捷访问

某多联机空调施工组织设计

某多联机空调施工组织设计_第1页
1/42
某多联机空调施工组织设计_第2页
2/42
某多联机空调施工组织设计_第3页
3/42
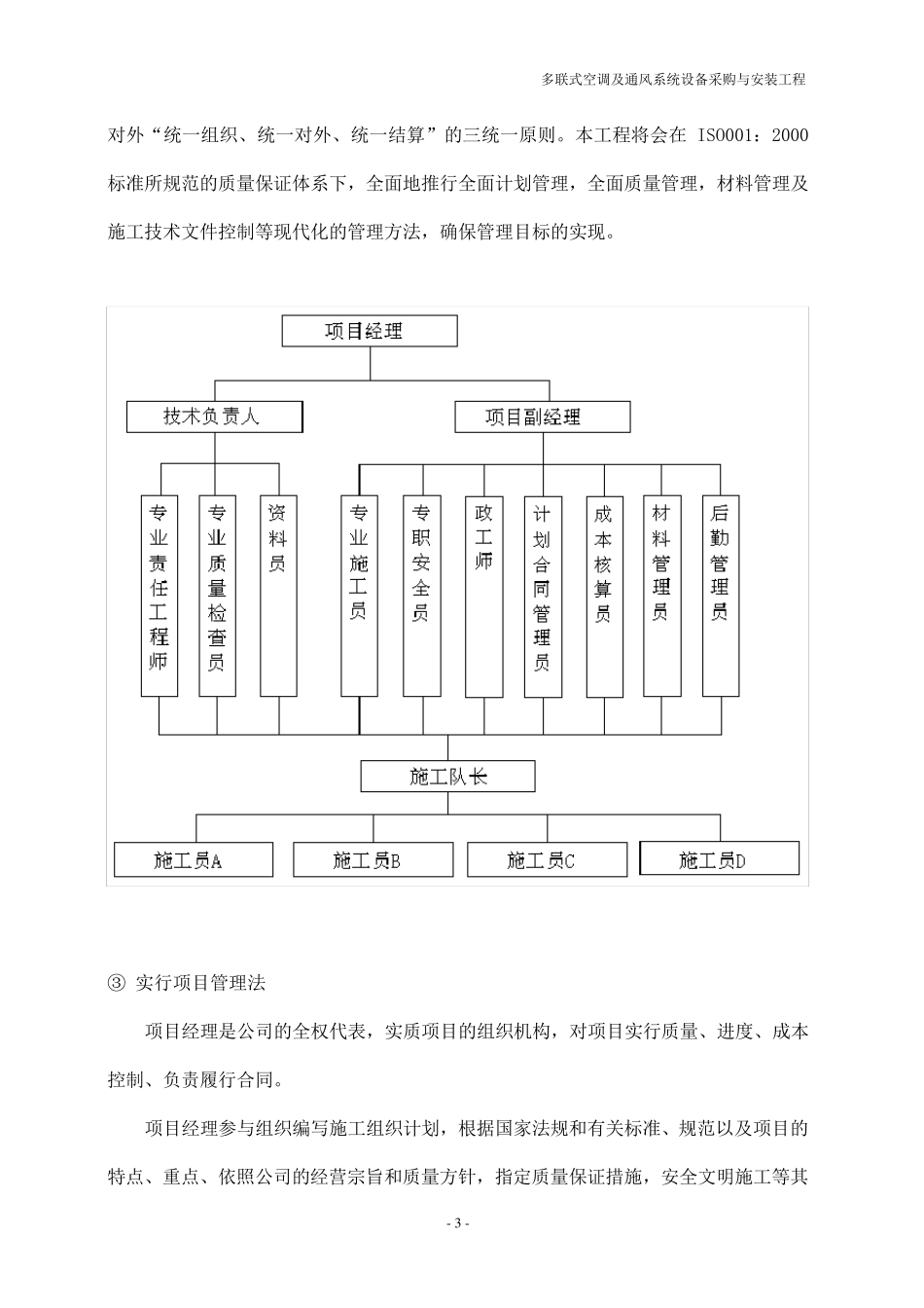
多联式空调及通风系统设备采购与安装工程 - 1 - 施工组织设计 一 、 编 制 说 明 我 司 是 依 据 招 标 文 件 的 要 求 且 执 行 ISO-9002 质 量 管 理 体 系 的 标 准 ,编 制 本 工 程 的施 工 组 织 设 计 , 编 制 施 工 组 织 设 计 的 目 的 在 于 确 定 和 配 备 足 够 的 资 源 , 采 取 必 要 的 控 制手 段 , 同 时 严 格 依 照 业 主 的 要 求 , 从 本 公 司 调 集 生 产 和 技 术 人 员 到 现 场 监 督 指 导 , 使 该工 程 的 质 量 达 到 贵 司 及 国 家 相 关 规 定 的 标 准 , 按 照 贵 司 指 出 的 工 期 合 理 安 排 生 产 , 并 承担 合 同 中 所 应 付 的 一 切 义 务 和 责 任 。 此 外 , 我 司 还 将 做 好 工 程 竣 工 后 的 售 后 服 务 工 作 ,解 决 贵 方 的 后 顾 之 忧 , 保 证 贵 方 得 到 完善的 服 务 。 二、 编 制 依 据 ① 有关 部门审批的 有效施 工 图 由设 计 院最终确 认的 专业 施 工 图。 ② 现 行 国 家 或地方 规 范、 标 准 、 图集 GB50243-2002《通风与空调 工 程 施 工 及 验收规 范》 GB304-88《通风与空调 工 程 质 量 检验评定 标 准 》 GB50231-98《机械 设 备 安 装 工 程 施 工 及 验收通用 规 范》 GB50275-98《压 缩 机、 风机、 泵 安 装 工 程 施 工 及 验收规 范》 GB50268-97《给 排 水 管 道 工 程 施 工 及 验收规 范》 GBJ242-82《采 暖 与卫 生 工 程 施 工 及 验收规 范》 JGJ33-86《建 筑 机械 使 用 安 全 技 术 规 范》 JGJ46-88《施 工 现 场 临 时 用 电 安 全 技 术 规 范》 GBJ66-84《制 冷 设 备 安 装 工 程 施 工 及 验收通用 规 范》 《建 筑 安 装 工 人 安 全 技 术 操 作 规 范》 多联式空调及通风系统设备采购与安装工程 - 2 - 《建筑设备安装分项工程施工工艺标准》 三、工程概况 工程名称: 通风空调工程 建设单位: 工程地点: 项目内容: 主要为多联机空调及通风系统设备的采购、安装、调试等 建筑面积: 7062 平方米 工期要求: 2013 年4 月28 ...

1、当您付费下载文档后,您只拥有了使用权限,并不意味着购买了版权,文档只能用于自身使用,不得用于其他商业用途(如 [转卖]进行直接盈利或[编辑后售卖]进行间接盈利)。
2、本站所有内容均由合作方或网友上传,本站不对文档的完整性、权威性及其观点立场正确性做任何保证或承诺!文档内容仅供研究参考,付费前请自行鉴别。
3、如文档内容存在违规,或者侵犯商业秘密、侵犯著作权等,请点击“违规举报”。

碎片内容

某多联机空调施工组织设计

您可能关注的文档

确认删除?
VIP
微信客服
  • 扫码咨询
会员Q群
  • 会员专属群点击这里加入QQ群
客服邮箱
回到顶部