电脑桌面
添加小米粒文库到电脑桌面
安装后可以在桌面快捷访问

某玻璃厂余热发电项目

某玻璃厂余热发电项目_第1页
1/9
某玻璃厂余热发电项目_第2页
2/9
某玻璃厂余热发电项目_第3页
3/9
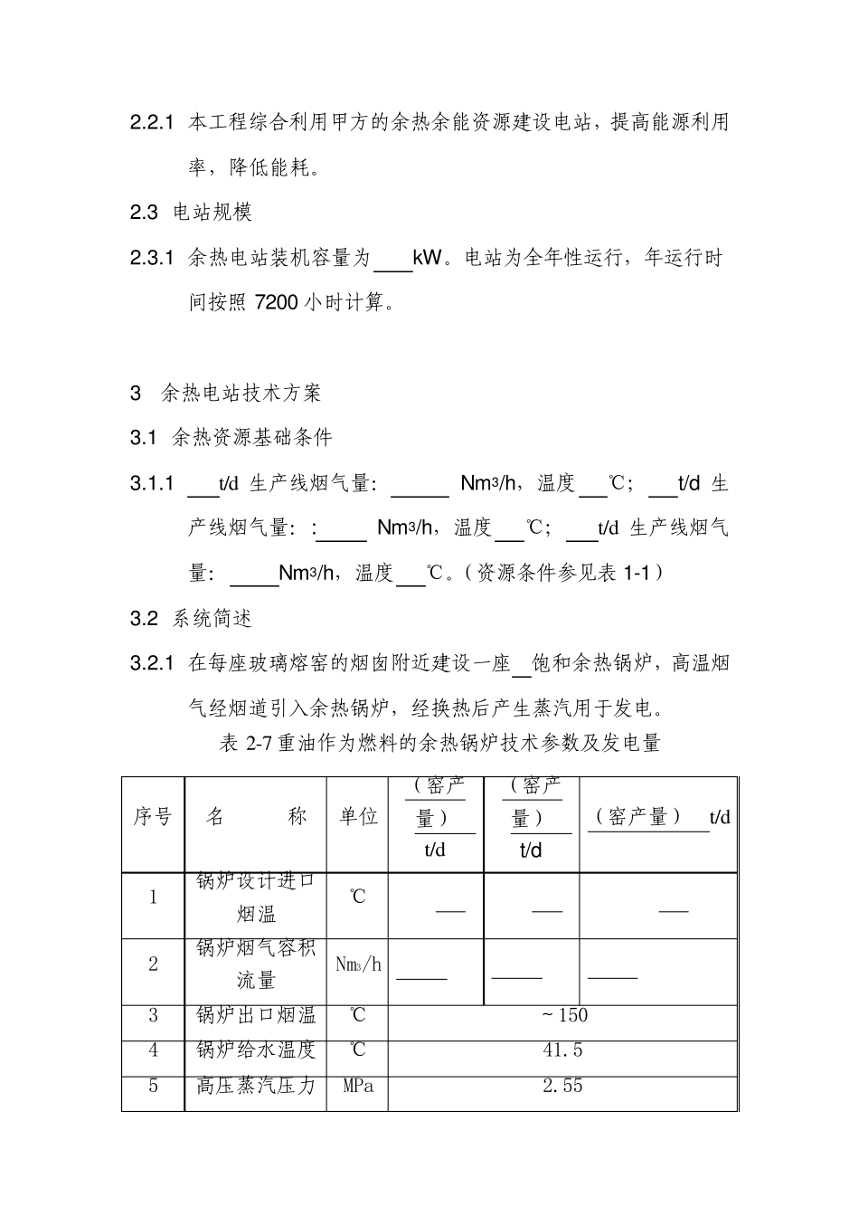
某 玻 璃 厂 余 热 发 电 项 目 技 术 方 案 1 编制依据 1.1 甲方提供的资料。 1.1.1 甲方余热资源情况 表1-1 余热资源情况 项目 单位 t/d t/d t/d 烟气量 Nm3/h 烟气温度 ℃ 1.2 编制单位 1.2.1 北京仟亿达科技有限公司 2 企业概况、电站性质及规模 2.1 企业概况 该企业共有 条玻璃窑生产线,均使用 作为燃料,在每座玻璃窑的烟囱附近建设一座 余热锅炉,高温烟气经烟道引入余热锅炉,经换热后产生蒸汽用于发电。余热锅炉 ~150℃排烟经引风机、烟囱排入大气。玻璃窑原有的烟道保留,电站运行时作为旁路。 2.1.1 2.2 电站性质 2.2.1 本工程综合利用甲方的余热余能资源建设电站,提高能源利用率,降低能耗。 2.3 电站规模 2.3.1 余热电站装机容量为 kW。电站为全年性运行,年运行时间按照7200 小时计算。 3 余热电站技术方案 3.1 余热资源基础条件 3.1.1 t/d 生产线烟气量: Nm3/h,温度 ℃; t/d 生产线烟气量:: Nm3/h,温度 ℃; t/d 生产线烟气量: Nm3/h,温度 ℃。(资源条件参见表 1-1) 3.2 系统简述 3.2.1 在每座玻璃熔窑的烟囱附近建设一座 饱和余热锅炉,高温烟气经烟道引入余热锅炉,经换热后产生蒸汽用于发电。 表 2-7 重油作为燃料的余热锅炉技术参数及发电量 序号 名 称 单位 (窑产量) t/d (窑产量) t/d (窑产量) t/d 1 锅炉设计进口烟温 ℃ 2 锅炉烟气容积流量 Nm3/h 3 锅炉出口烟温 ℃ ~150 4 锅炉给水温度 ℃ 41.5 5 高压蒸汽压力 MPa 2.55 序号 名 称 单位 (窑产量) t/d (窑产量) t/d (窑产量) t/d 6 高压蒸汽温度 ℃ 320 7 高压蒸汽产量 t/h 9.8 8 低压蒸汽压力 MPa 0.4 9 低压蒸汽温度 ℃ 150 10 低压蒸汽产量 t/h 3 12 合计发电量 kw 5000 3.2.2 双压饱和余热锅炉~ 150℃排烟排空。 3.2.3 双压饱和余热锅炉共产 MPa 的中压饱和蒸汽 t/h, 0.4MPa 的低压饱和蒸汽3t/h,中压饱和蒸汽经饱和蒸汽管网送至汽轮发电机组发电,低压饱和蒸汽作为补汽引入汽轮机发电。 3.2.4 蒸汽在汽轮机中膨胀作功后排入凝汽器凝结成水。凝结水经凝结水泵增压到除氧器除氧,除氧后的水再通过锅炉给水泵增压 送至余热锅炉。 3.2.5 本余热电站需配备供水能力为: t/h 的循环冷却水系统。 3.3 余热电站热力系统流程简图如图1 所示。 4 余热电站建设内容、范围 4....

1、当您付费下载文档后,您只拥有了使用权限,并不意味着购买了版权,文档只能用于自身使用,不得用于其他商业用途(如 [转卖]进行直接盈利或[编辑后售卖]进行间接盈利)。
2、本站所有内容均由合作方或网友上传,本站不对文档的完整性、权威性及其观点立场正确性做任何保证或承诺!文档内容仅供研究参考,付费前请自行鉴别。
3、如文档内容存在违规,或者侵犯商业秘密、侵犯著作权等,请点击“违规举报”。

碎片内容

某玻璃厂余热发电项目

小辰9+ 关注
实名认证
内容提供者

出售各种资料和文档

确认删除?
VIP
微信客服
  • 扫码咨询
会员Q群
  • 会员专属群点击这里加入QQ群
客服邮箱
回到顶部