电脑桌面
添加小米粒文库到电脑桌面
安装后可以在桌面快捷访问

样板标识牌)

样板标识牌)_第1页
1/33
样板标识牌)_第2页
2/33
样板标识牌)_第3页
3/33
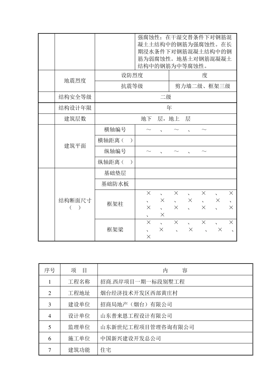
序号 项 目 内 容 1 工程名称 招商.西岸项目一期一标段工程62、63#楼 2 工程地址 烟台经济技术开发区西部黄庄村 3 建设单位 招商局地产(烟台)有限公司 4 设计单位 山东普来恩工程设计有限公司 5 监理单位 山东新世纪工程项目管理咨询有限公司 6 施工单位 中国新兴建设开发总公司 7 建筑功能 办公 8 工程规模 总建筑面积9307.62×2㎡ 9 层数 地下一层,地上九层 10 建筑高度 30.3m (从室外地面到屋面面层) 11 耐火等级 地上Ⅱ级、地下Ⅰ级 12 防水等级 地下室Ⅱ级,一道钢筋混凝土结构自防水,设计抗渗等级 P8,(4+3厚)SBS聚酯胎Ⅱ型柔性防水卷材 屋面Ⅰ级,两道 3 厚 SBS 聚酯胎国标Ⅱ型柔性防水卷材 13 砌体工程 -5.300m以下采用 M7.5水泥砂浆砌筑MU20蒸压灰砂砖 -5.300m以上采用 Mb5混合砂浆砌筑A5.0加气混凝土砌块 序号 项 目 内 容 1 建筑面积 (m2) 总建筑面积 9307.62×2㎡ 2 结构形式 基础结构形式 桩基承台和筏板基础 上部结构体系 框架剪力墙结构 3 土质、水位 持力层 细砂 地基承载力 160KPa 地下水位 抗浮设防水位2.65m 地下水质 场区无地下水,场区土对混凝土结构具强腐蚀性;在干湿交替条件下对钢筋混凝土土结构中的钢筋为强腐蚀性。在长期浸水条件下对钢筋混凝土结构中的钢筋为弱腐蚀性。地基土对钢筋混凝凝土结构中的钢筋为中等腐蚀性。 4 地震烈度 设防烈度 7度 抗震等级 剪力墙二级、框架三级 5 结构安全等级 二级 6 结构设计年限 50年 7 建筑层数 地下1层,地上9层 10 建筑平面 横轴编号 a-1~a-7、b-1~b-7、c-1~c-5 横轴距离(mm) 6300 纵轴编号 a-A~a-H、b-A~b-E、c-A~c-G 纵轴距离(mm) 6300 11 结构断面尺寸(mm) 基础垫层 150 基础防水板 300 框架柱 600×700、600×600、500×500、400×400、500×800、400×900、400×600、500×400、650×600、400×600、500×550、650×600 框架梁 200×500、200×400、200×600、300×650、300×1000、350×1200、200×700、200×1200 序号 项 目 内 容 1 工程名称 招商.西岸项目一期一标段别墅工程 2 工程地址 烟台经济技术开发区西部黄庄村 3 建设单位 招商局地产(烟台)有限公司 4 设计单位 山东普来恩工程设计有限公司 5 监理单位 山东新世纪工程项目管理咨询有限公司 6 施工单位 中国新兴建设开发总公司 7 建筑功...

1、当您付费下载文档后,您只拥有了使用权限,并不意味着购买了版权,文档只能用于自身使用,不得用于其他商业用途(如 [转卖]进行直接盈利或[编辑后售卖]进行间接盈利)。
2、本站所有内容均由合作方或网友上传,本站不对文档的完整性、权威性及其观点立场正确性做任何保证或承诺!文档内容仅供研究参考,付费前请自行鉴别。
3、如文档内容存在违规,或者侵犯商业秘密、侵犯著作权等,请点击“违规举报”。

碎片内容

样板标识牌)

确认删除?
VIP
微信客服
  • 扫码咨询
会员Q群
  • 会员专属群点击这里加入QQ群
客服邮箱
回到顶部