电脑桌面
添加小米粒文库到电脑桌面
安装后可以在桌面快捷访问

桥式起重机主梁制造工艺与焊接工艺

桥式起重机主梁制造工艺与焊接工艺_第1页
1/17
桥式起重机主梁制造工艺与焊接工艺_第2页
2/17
桥式起重机主梁制造工艺与焊接工艺_第3页
3/17
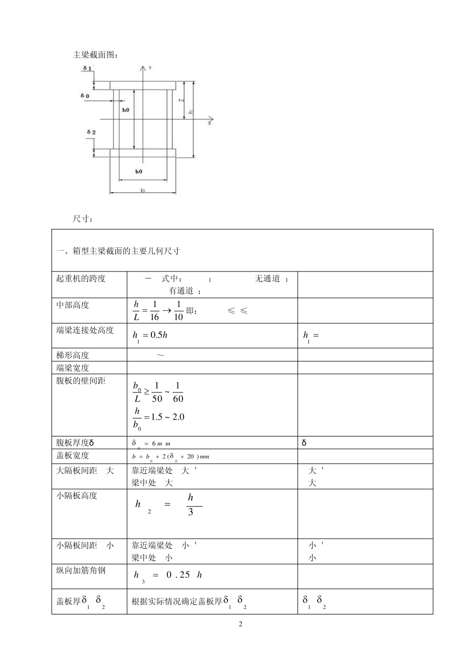
0 桥式起重机主梁制造工艺与焊接工艺 设计报告 团队成员:.................. ................................ 专业班级: ............... 指导教师: .................... 1 1 前言 桥式起重机是横架于车间、仓库和料场上空进行物料吊运的起重设备。由于它的两端坐落在高大的水泥柱或者金属支架上,形状似桥。桥式起重机的桥架沿铺设在两侧高架上的轨道纵向运行,可以充分利用桥架下面的空间吊运物料,不受地面设备的阻碍。在室内外工矿企业、钢铁化工、铁路交通、港口码头以及物流周转等部门和场所均得到广泛的运用,是使用范围最广、数量最多的一种起重机械。 本文主要介绍了跨度 21m,起重量 50t的通用桥式起重机箱型梁的设计生产过程。所选用的钢材为Q345。 2桥梁的总体结构 主梁为双梁模型,结构简图如下: 主梁 主梁是桥式起重机桥架中主要受力元件,由左右两块腹板,上下两块盖板以及若干大、小隔板及加强筋板组成。 主要技术要求有: 主梁上拱度:当受载后,可抵消按主梁刚度条件产生的下挠变形,避免承载小车爬坡。 主梁旁变:在制造桥架时,走台侧焊后有拉深残余应力,当运输及使用过程中残余应力释放后,导致两主梁向内旁弯;而且主梁在水平惯性载荷作用下,按刚度条件允许有一定侧向弯曲,两者叠加会造成大弯曲变形。 腹板波浪变形:受压区07.0,受拉区02.1,规定较低的波浪变形对于提高起重机的稳定性和寿命是有利的。 上盖板水平度2 5 0/bc ,腹板垂直度2 5 0/0hh ,b 为盖板宽度,h 0 为上下盖板之间的高度。 端梁 端梁是桥式起重机桥架组成部分之一,一般采用箱型结构,并在水平面内与主梁刚性连接,端梁按受载情况可分下述两类: (1 )、端梁受有主梁的最大支承压力,即端梁上作用有垂直载荷。 (2 )、端梁没有垂直载荷,端梁只起联系主梁的作用。 3 主梁的尺寸及校核 2 主梁截面图: 尺寸: 一、箱型主梁截面的主要几何尺寸 起重机的跨度L L=S-b式中:S=21m;b=1500mm(无通道); b=2000mm(有通道); L=19.5m 中部高度h 101161 Lh即:1212mm≤h≤1950mm h=1300mm 端梁连接处高度h1 hh5.01  1h650mm 梯形高度C C=(0.1~0.2)L C=2.925m 端梁宽度C0 C0=288.5mm C0=288.5mm 腹板的壁间距 b0 0.2~5.1601~50100bhLb b0=800mm 腹板厚度δ 0 m m60  δ 0=6mm 盖板宽度b m mbb)20(200 b=852mm 大隔板间距 a...

1、当您付费下载文档后,您只拥有了使用权限,并不意味着购买了版权,文档只能用于自身使用,不得用于其他商业用途(如 [转卖]进行直接盈利或[编辑后售卖]进行间接盈利)。
2、本站所有内容均由合作方或网友上传,本站不对文档的完整性、权威性及其观点立场正确性做任何保证或承诺!文档内容仅供研究参考,付费前请自行鉴别。
3、如文档内容存在违规,或者侵犯商业秘密、侵犯著作权等,请点击“违规举报”。

碎片内容

桥式起重机主梁制造工艺与焊接工艺

您可能关注的文档

确认删除?
VIP
微信客服
  • 扫码咨询
会员Q群
  • 会员专属群点击这里加入QQ群
客服邮箱
回到顶部