电脑桌面
添加小米粒文库到电脑桌面
安装后可以在桌面快捷访问

桥式起重机安全操作规程完整

桥式起重机安全操作规程完整_第1页
1/6
桥式起重机安全操作规程完整_第2页
2/6
桥式起重机安全操作规程完整_第3页
3/6
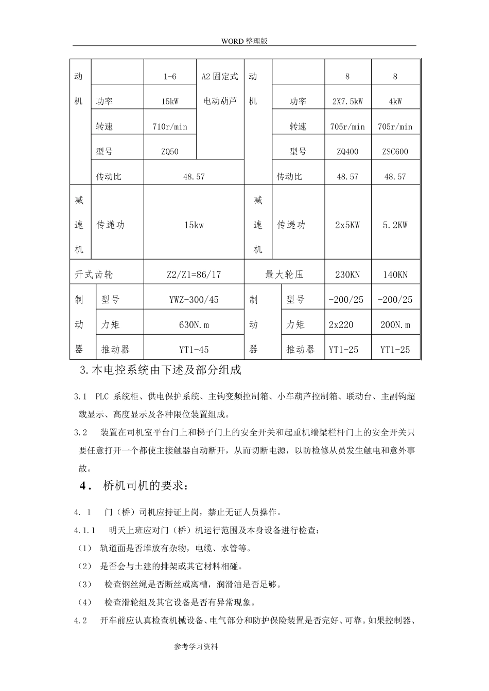
W ORD 整理版 参考学习资料 起重机安全操作规程 1.总则: 慢速双梁电动桥式起重机,依靠延厂房轨道方向纵向移动,小车的沿桥架横向移动和吊钩的升降运动来进行工作。 整台起重机由桥架、小车(装有起升机构和运行机构),大车运行机构和电气设备四大部分组成。 起升机构、小车运行机构和大车运行机构是起重机的三大工作机构,它们备有单独的电动机,进行各自的驱动。 本机属于慢速、双梁、电动、吊钩桥式起重机。适用于本公司机组及辅助设备维修及一般用途之用,采用操纵室电控操纵。 2.起重机的基本参数: 名称 参数 主起升机构 名称 参数 行走机构 大车 小车 主钩 副钩 额定力 400KN 100KN 轨距 16000 3100 起升速度 0.1-1.8 7m/min 行走速度 27 1-12.1 起升高度 30m 36m 轮距 4800 2290 工作级别 M3 M3 工作级别 M3 M3 工作电源 三相交流 380V 50Hz 钢丝绳 结构 6X(19)-20-185 缓冲行程 130mm 100mm 支数 8 4 路轨 P43 P38 工作拉力 5000kg 2500kg 车轮直径 ф600 ф420 卷筒直径 ф800 车轮轴承 7220 7220 电型号 YZPBF250MCCD.10-36电 型号 YZR160L-YZR160M1-W ORD 整理版 参考学习资料 动机 1-6 A2 固定式电动葫芦 动 机 8 8 功率 15kW 功率 2X7.5kW 4kW 转速 710r/min 转速 705r/min 705r/min 型号 ZQ50 型号 ZQ400 ZSC600 传动比 48.57 传动比 48.57 48.57 减速 机 传递功 15kw 减速 机 传递功 2x5KW 5.2KW 开式齿轮 Z2/Z1=86/17 最大轮压 230KN 140KN 制动器 型号 YWZ-300/45 制 动 器 型号 -200/25 -200/25 力矩 630N.m 力矩 2x220 200N.m 推动器 YT1-45 推动器 YT1-25 YT1-25 3.本电控系统由下述及部分组成 3.1 PLC 系统柜、供电保护系统、主钩变频控制箱、小车葫芦控制箱、联动台、主副钩超载显示、高度显示及各种限位装置组成。 3.2 装置在司机室平台门上和梯子门上的安全开关和起重机端梁栏杆门上的安全开关只要任意打开一个都使主接触器自动断开,从而切断电源,以防检修从员发生触电和意外事故。 4 . 桥机司机的要求: 4. 1 门(桥)司机应持证上岗,禁止无证人员操作。 4.1.1 明天上班应对门(桥)机运行范围及本身设备进行检查: (1) 轨道面是否堆放有杂物,电缆、水管等。 (2) 是否会与土建的排架或其它材料相碰。 (3) 检查钢丝绳是否断丝或离槽,润...

1、当您付费下载文档后,您只拥有了使用权限,并不意味着购买了版权,文档只能用于自身使用,不得用于其他商业用途(如 [转卖]进行直接盈利或[编辑后售卖]进行间接盈利)。
2、本站所有内容均由合作方或网友上传,本站不对文档的完整性、权威性及其观点立场正确性做任何保证或承诺!文档内容仅供研究参考,付费前请自行鉴别。
3、如文档内容存在违规,或者侵犯商业秘密、侵犯著作权等,请点击“违规举报”。

碎片内容

桥式起重机安全操作规程完整

确认删除?
VIP
微信客服
  • 扫码咨询
会员Q群
  • 会员专属群点击这里加入QQ群
客服邮箱
回到顶部