电脑桌面
添加小米粒文库到电脑桌面
安装后可以在桌面快捷访问

桥梁立柱资料砼隐蔽工程检查验收记录

桥梁立柱资料砼隐蔽工程检查验收记录_第1页
1/13
桥梁立柱资料砼隐蔽工程检查验收记录_第2页
2/13
桥梁立柱资料砼隐蔽工程检查验收记录_第3页
3/13
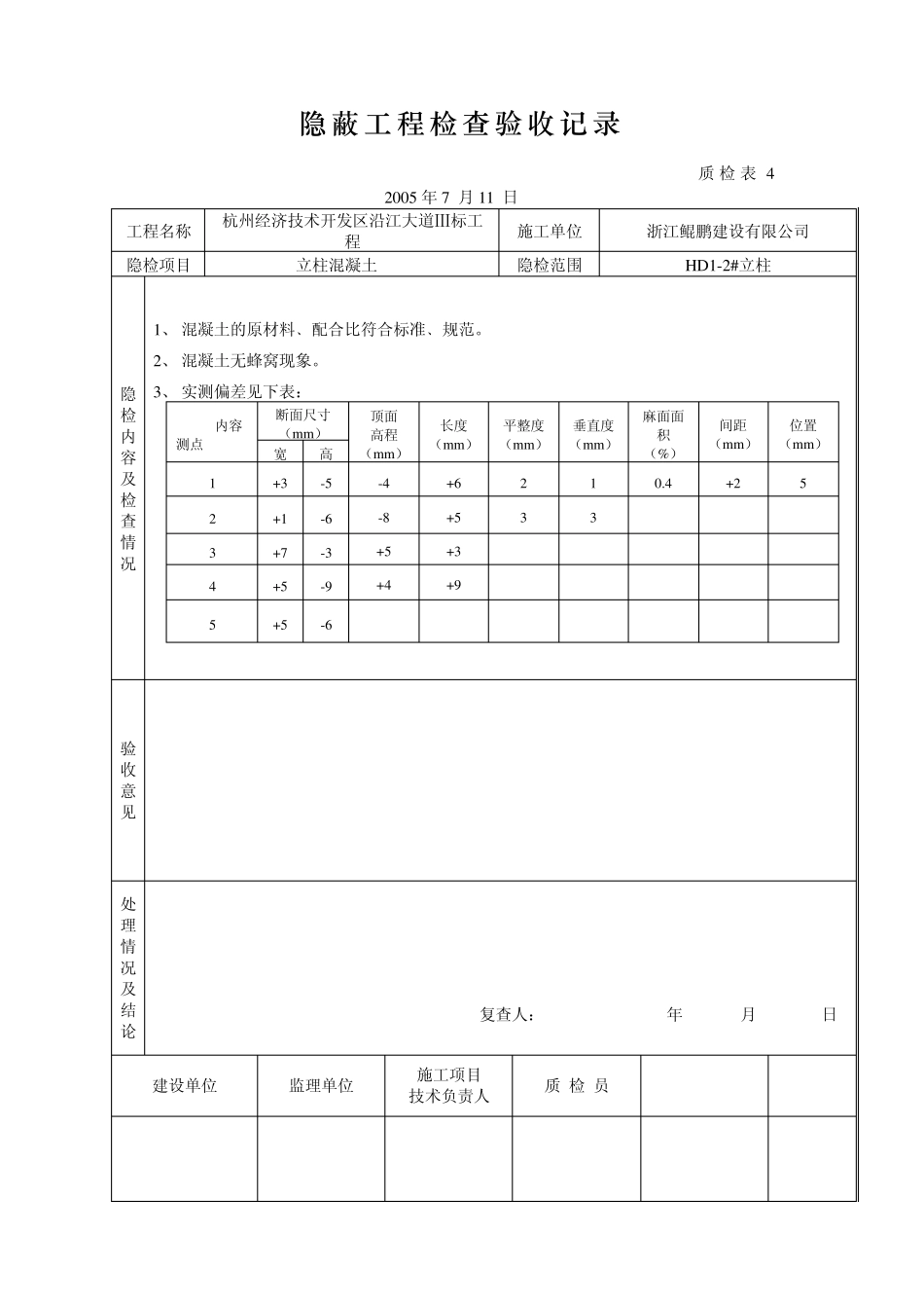
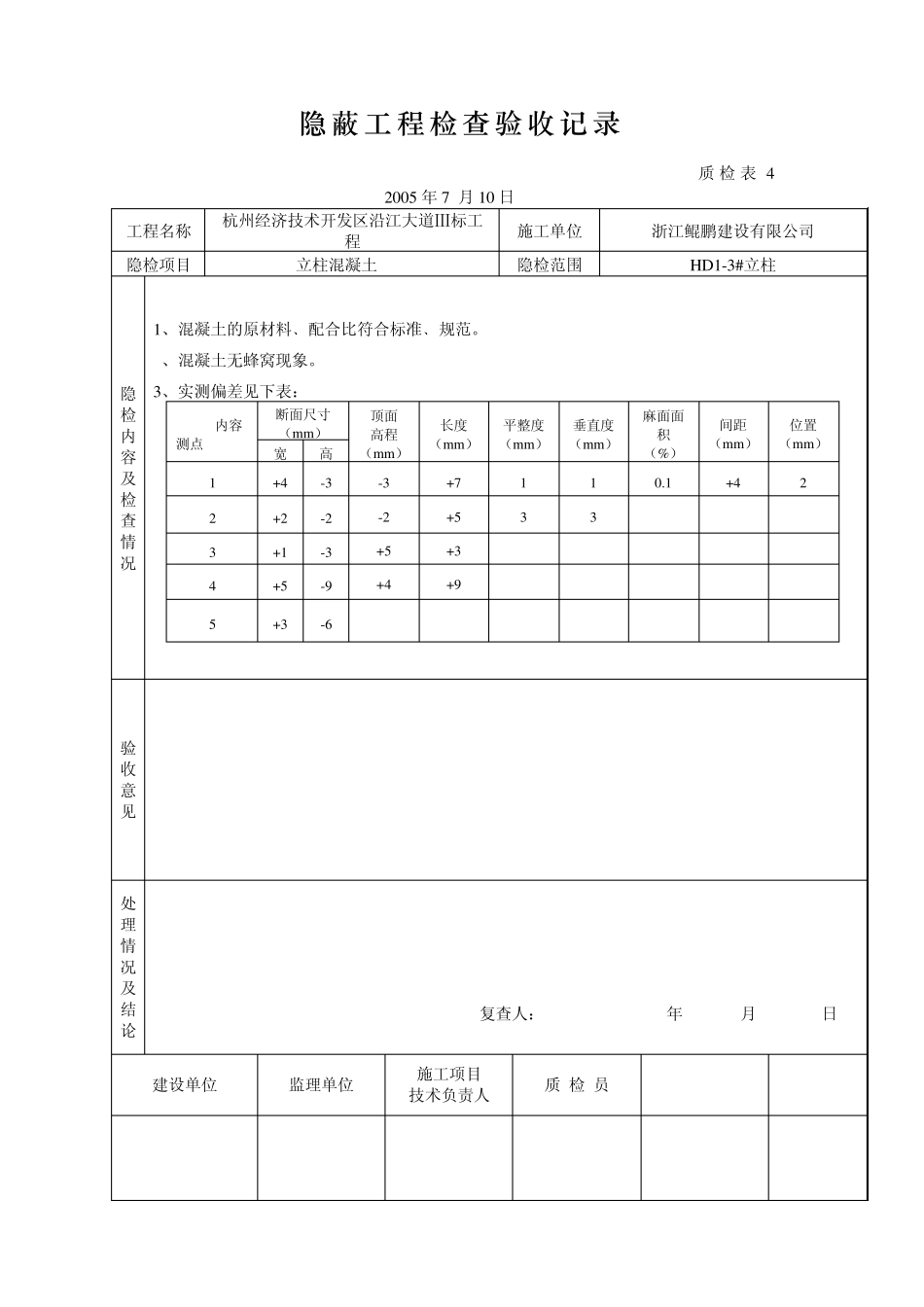
隐蔽工程检查验收记录 质检表4 年 月 日 工程名称 海盐枣园东路延伸段盐平港桥 施工单位 杭州萧宏建设集团有限公司 隐检项目 立柱混凝土 隐检范围 2#墩 立柱 隐检内容及检查情况 1、 混凝土的原材料﹑配合比符合标准﹑规范。 2、 混凝土无蜂窝现象。 3、 实测偏差见下表: 内容 测点 断面尺寸(m m ) 顶面 高程 (m m ) 长度 (m m ) 平整度 (m m ) 垂直度 (m m ) 麻面面积 (%) 间距 (m m ) 位置 (m m ) 宽 高 1 2 3 4 5 验 收 意 见 处 理 情 况 及 结 论 复查人: 年 月 日 建设单位 监理单位 施工项目 技术负责人 质 检 员 隐 蔽 工 程 检 查 验 收 记 录 质检表4 2005 年7 月11 日 工程名称 杭州经济技术开发区沿江大道Ⅲ标工 程 施工单位 浙江鲲鹏建设有限公司 隐检项目 立柱混凝土 隐检范围 HD1-2#立柱 隐检内容及检查情况 1、 混凝土的原材料﹑配合比符合标准﹑规范。 2、 混凝土无蜂窝现象。 3、 实测偏差见下表: 内容 测点 断面尺寸(mm) 顶面 高程 (mm) 长度 (mm) 平整度 (mm) 垂直度 (mm) 麻面面积 (%) 间距 (mm) 位置 (mm) 宽 高 1 +3 -5 -4 +6 2 1 0.4 +2 5 2 +1 -6 -8 +5 3 3 3 +7 -3 +5 +3 4 +5 -9 +4 +9 5 +5 -6 验 收 意 见 处 理 情 况 及 结 论 复查人: 年 月 日 建设单位 监理单位 施工项目 技术负责人 质 检 员 隐 蔽 工 程 检 查 验 收 记 录 质检表4 2005 年7 月10 日 工程名称 杭州经济技术开发区沿江大道Ⅲ标工 程 施工单位 浙江鲲鹏建设有限公司 隐检项目 立柱混凝土 隐检范围 HD1-3#立柱 隐检内容及检查情况 1、混凝土的原材料﹑配合比符合标准﹑规范。 2、混凝土无蜂窝现象。 3、实测偏差见下表: 内容 测点 断面尺寸(mm) 顶面 高程 (mm) 长度 (mm) 平整度 (mm) 垂直度 (mm) 麻面面积 (%) 间距 (mm) 位置 (mm) 宽 高 1 +4 -3 -3 +7 1 1 0.1 +4 2 2 +2 -2 -2 +5 3 3 3 +1 -3 +5 +3 4 +5 -9 +4 +9 5 +3 -6 验 收 意 见 处 理 情 况 及 结 论 复查人: 年 月 日 建设单位 监理单位 施工项目 技术负责人 质 检 员 隐 蔽 工 程 检 查 验 收 记 录 质检表4 ...

1、当您付费下载文档后,您只拥有了使用权限,并不意味着购买了版权,文档只能用于自身使用,不得用于其他商业用途(如 [转卖]进行直接盈利或[编辑后售卖]进行间接盈利)。
2、本站所有内容均由合作方或网友上传,本站不对文档的完整性、权威性及其观点立场正确性做任何保证或承诺!文档内容仅供研究参考,付费前请自行鉴别。
3、如文档内容存在违规,或者侵犯商业秘密、侵犯著作权等,请点击“违规举报”。

碎片内容

桥梁立柱资料砼隐蔽工程检查验收记录

您可能关注的文档

确认删除?
VIP
微信客服
  • 扫码咨询
会员Q群
  • 会员专属群点击这里加入QQ群
客服邮箱
回到顶部