电脑桌面
添加小米粒文库到电脑桌面
安装后可以在桌面快捷访问

桩基(地基)检测工作程序

桩基(地基)检测工作程序_第1页
1/7
桩基(地基)检测工作程序_第2页
2/7
桩基(地基)检测工作程序_第3页
3/7
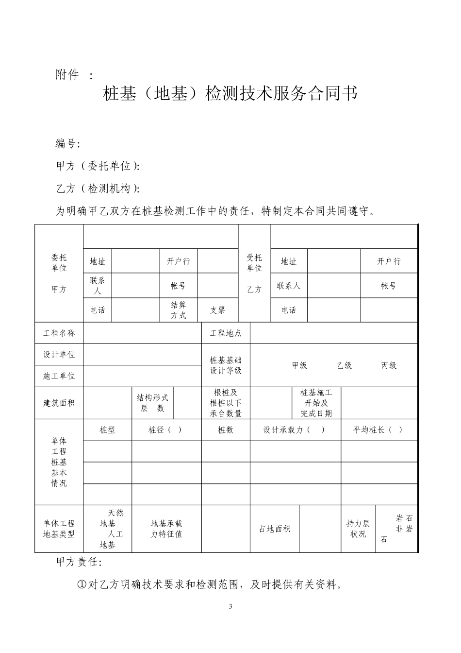
1 附件: 桩基(地基)检测工作程序 一、检测合同备案。所有桩基(地基)工程施工完成后,工程建设单位必须委托法定检测机构对桩基(地基)工程施工质量进行检测,不得将一个检测类别的检测项目拆分或二次委托其他检测机构进行检测。 桩基(地基)工程检测前,检测机构须与工程建设单位签订正式的《桩基(地基)检测技术服务合同》(附1)。 检测机构应于签订《桩基(地基)检测技术服务合同》后 3个工作日内,持《桩基(地基)检测技术服务合同》向所在地质监机构和市质监机构分别备案。 二、检测方案备案。签订《桩基(地基)检测技术服务合同》后,建设(监理)单位应召集设计、施工单位和检测机构共同研究确定《桩基(地基)检测方案》(附2),形成会议纪要。检测方案应包括检测桩的数量、桩位图、钻芯孔数、静载吨位等内容。工程项目质监工程师应对桩基(地基)检测方案进行监督检查。 桩基(地基)检测方案确定后,检测机构应于正式检测前 2个工作内日内将桩基(地基)检测方案上报市质监机构。同时由建设单位电话告知项目质监工程师开展现场检测工作的具体时间,以便于工程项目质监工程师对现场检测进行监督检查。 三、现场检测。检测机构必须严格按国家有关法律法规规定和工程建设技术标准进行检测。从事现场检测操作的人员应为本检测机构持有省主管部门核发《检测人员管理手册》并已在我市备案的人员。检测设备应与检测机构在市质监机构备案的设备相 2 符,其中静载试验设备应采集具有黑匣子功能的自动采集加荷系统。监理单位应对检测过程实施旁站监理并做好旁站监理记录。建设、施工和监理单位应做好现场检测签证工作。工程项目质监工程师应对检测情况进行监督,并在桩基(地基)检测完成后填写《桩基(地基)检测监督记录》(附 3),作为监督档案必备资料归档。 四、检测报告编制。检测报告应采用规范统一格式。检测报告签字人员应与检测机构在市质监机构备案的人员相符。检测报告的编写、校核、审核不得一个人兼任多项职责。检测报告应按要求加盖计量认证印章(CMA章)和省主管部门核发且在有效期内的检测专用章。 五、检测报告备案。桩基(地基)工程检测报告完成后,检测机构应及时到市质监机构进行备案,并在现场检测完成后 5个工作日(钻芯检测7个工作日)内签发检测报告。检测机构办理检测报告备案时应出示《桩基(地基)检测技术服务合同》和正式发票。市质监机构通过网上公布检测报告备案情况。 七、扩大检测及验证检测。对于初次检测发现...

1、当您付费下载文档后,您只拥有了使用权限,并不意味着购买了版权,文档只能用于自身使用,不得用于其他商业用途(如 [转卖]进行直接盈利或[编辑后售卖]进行间接盈利)。
2、本站所有内容均由合作方或网友上传,本站不对文档的完整性、权威性及其观点立场正确性做任何保证或承诺!文档内容仅供研究参考,付费前请自行鉴别。
3、如文档内容存在违规,或者侵犯商业秘密、侵犯著作权等,请点击“违规举报”。

碎片内容

桩基(地基)检测工作程序

您可能关注的文档

小辰8+ 关注
实名认证
内容提供者

出售各种资料和文档

确认删除?
VIP
微信客服
  • 扫码咨询
会员Q群
  • 会员专属群点击这里加入QQ群
客服邮箱
回到顶部