电脑桌面
添加小米粒文库到电脑桌面
安装后可以在桌面快捷访问

桩基施工危险源辨识

桩基施工危险源辨识_第1页
1/6
桩基施工危险源辨识_第2页
2/6
桩基施工危险源辨识_第3页
3/6
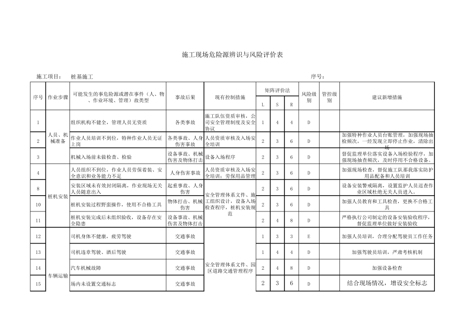
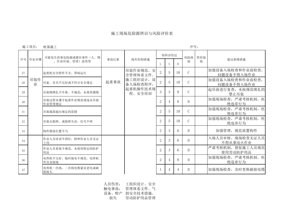
桩基施工LSR1组织机构不健全,管理人员无资质各类事故施工队伍资质审核,公司安全管理制度及安全协议144D2作业人员培训不到位,特种作业人员无证上岗各类事故、人身伤害事故人员资质审核及入场安全培训236D加强特种作业人员台账管理,加强现场抽检频次,一经发现立即停止作业,清除出场3机械入场前未做检查、检验设备事故、机械伤害及物体打击 设备入场程序236D督促监理单位落实设备入场检验程序,加强现场抽查频次,及时停用不合格设备。4人员组织不到位,作业人员劳保着装、安全意识和业务能力不足人身伤害事故人员资质审核及入场安全培训;劳保用品管理236D加强现场检查,督促施工队那我落实防护用品配备和人员培训8安装区域未有效封闭隔离,作业现场无关人员随意出入起重事故、人身伤害236D设备安装警戒隔离,设置监护人员巡查作业区域杜绝无关人员进入。10桩机安装过程野蛮操作,使用不合格工具物体打击、机械伤害236D加强人员教育和工具检查,更换不合格工具11桩机安装完成后未组织验收,设备存在安全隐患设备事故、机械伤害及物体打击248D严格执行公司制定的设备安装验收程序,督促监理单位做好安装验收12司机身体不健康,疲劳驾驶交通事故133E加强人员培训,合理分配驾驶员工作任务13司机违章驾驶、酒后驾驶交通事故144D加强驾驶员培训,严肃考核机制14汽车机械故障交通事故248D加强设备检查15场内未设置交通标志交通事故236D结合现场情况,增设安全标志建议新增措施施工现场危险源辨识与风险评价表现有控制措施安全管理体系文件、施工组织设计,设备入场检查程序,桩机安装规范安全管理体系文件、园区道路交通管理程序可能发生的事危险源或潜在事件(人、物、作业环境、管理)故类型人员、机械准备桩机安装车辆运输施工项目:序号:矩阵评价法序号作业步骤事故后果风险级别管控级别桩基施工LSR建议新增措施施工现场危险源辨识与风险评价表现有控制措施可能发生的事危险源或潜在事件(人、物、作业环境、管理)故类型施工项目:序号:矩阵评价法序号作业步骤事故后果风险级别管控级别16超负荷运输、物料放置不当交通事故、物体打击、高处坠物248D加强驾驶员培训,严肃考核机制17物料装卸不规范,违章吊装起重事故、人身伤害危险作业管理程序,吊装作业管理制度;236D加强现场检查,杜绝三违作业18机械设备带故障使用机械伤害248D加强设备检查,及时修复设备故障19操作者未使用安全防护用品机械伤害224D严肃考核机制,督促施工人员规范使用...

1、当您付费下载文档后,您只拥有了使用权限,并不意味着购买了版权,文档只能用于自身使用,不得用于其他商业用途(如 [转卖]进行直接盈利或[编辑后售卖]进行间接盈利)。
2、本站所有内容均由合作方或网友上传,本站不对文档的完整性、权威性及其观点立场正确性做任何保证或承诺!文档内容仅供研究参考,付费前请自行鉴别。
3、如文档内容存在违规,或者侵犯商业秘密、侵犯著作权等,请点击“违规举报”。

碎片内容

桩基施工危险源辨识

您可能关注的文档

确认删除?
VIP
微信客服
  • 扫码咨询
会员Q群
  • 会员专属群点击这里加入QQ群
客服邮箱
回到顶部