电脑桌面
添加小米粒文库到电脑桌面
安装后可以在桌面快捷访问

桩基础课程设计计算书

桩基础课程设计计算书_第1页
1/8
桩基础课程设计计算书_第2页
2/8
桩基础课程设计计算书_第3页
3/8
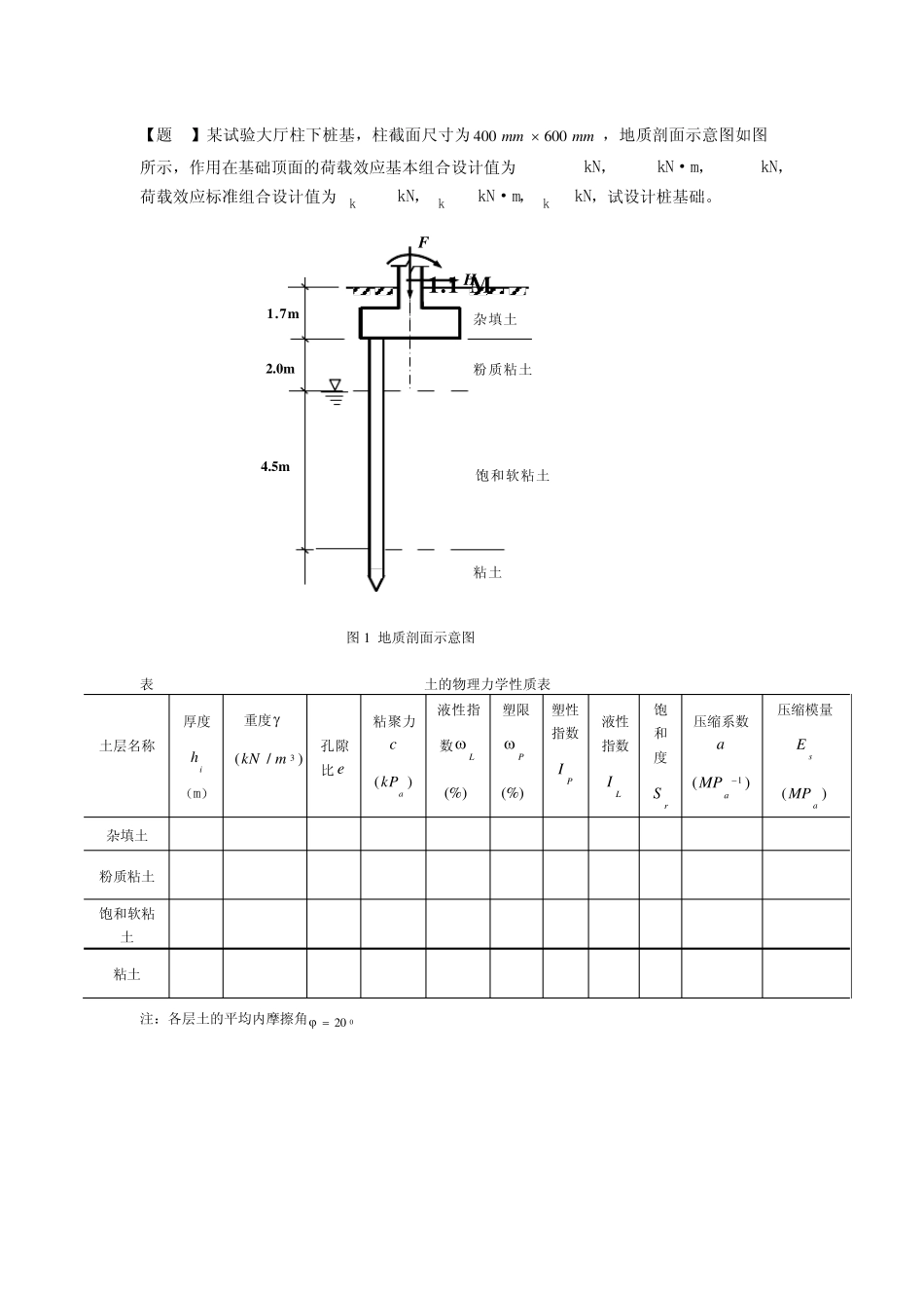
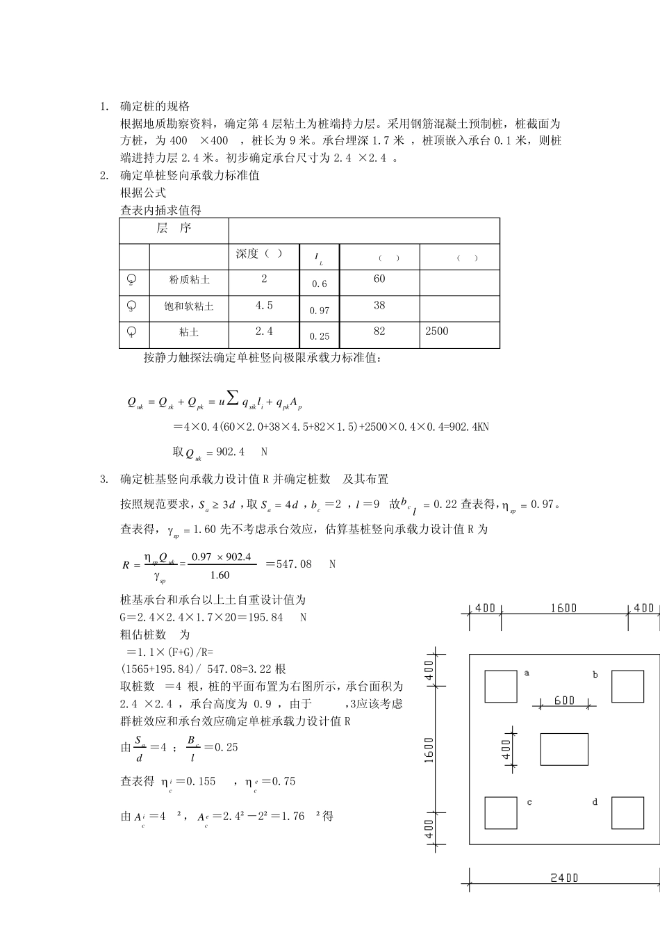
【题1】某试验大厅柱下桩基,柱截面尺寸为mmmm6 0 04 0 0,地质剖面示意图如图1所示,作用在基础顶面的荷载效应基本组合设计值为F = 2035kN,M=330kN·m,H = 55kN,荷载效应标准组合设计值为Fk=1565kN,Mk=254kN·m,Hk=42kN,试设计桩基础。 表 1 土的物理力学性质表 土层名称 厚度ih(m) 重度 )/(3mkN 孔隙比 e 粘聚力c )(akP 液性指数L (%) 塑限P (%) 塑性指数 PI 液性指数LI 饱和度rS 压缩系数a )(1aMP 压缩模量sE)(aMP 杂填土 1.7 16.0 粉质粘土 2.0 19.0 0.8 10 31 19 12 0.6 0.89 8.5 饱和软粘土 4.5 18.4 1.1 8 42.6 24.1 18.5 0.97 1.0 0.95 粘土 >8.0 21.7 0.5 15 32.5 12.5 20 0.25 0.98 13.0 注:各层土的平均内摩擦角02 0 F 1.1 MH 杂填土 粉质粘土 饱和软粘土 粘土 1.7m 4.5m 2.0m 图1 地质剖面示意图 1. 确定桩的规格 根据地质勘察资料,确定第4 层粘土为桩端持力层。采用钢筋混凝土预制桩,桩截面为方桩,为400mm×400mm,桩长为9 米。承台埋深1.7 米 ,桩顶嵌入承台0.1 米,则桩端进持力层2.4 米。初步确定承台尺寸为2.4m×2.4m。 2. 确定单桩竖向承载力标准值Q 根据公式 查表内插求值得 层 序 深度(m) LI qsik(kPa) qpk(kPa) ○2 粉质粘土 2 0.6 60 ○3 饱和软粘土 4.5 0.97 38 ○4 粘土 2.4 0.25 82 2500 按静力触探法确定单桩竖向极限承载力标准值: ppkisikpkskukAqlquQQQ =4×0.4(60×2.0+38×4.5+82×1.5)+2500×0.4×0.4=902.4KN 取ukQ902.4 kN 3. 确定桩基竖向承载力设计值R 并确定桩数n及其布置 按照规范要求,dS a3,取dS a4,cb =2m,l =9m故lb c0.22 查表得,sp0.97。查表得,sp1.60 先不考虑承台效应,估算基桩竖向承载力设计值R 为 spukspQR=1 .6 09 0 2 .40 .9 7  =547.08 kN 桩基承台和承台以上土自重设计值为 G=2.4×2.4×1.7×20=195.84 kN 粗估桩数n为 n=1.1×(F+G)/R= (1565+195.84)/ 547.08=3.22 根 取桩数n=4 根,桩的平面布置为右图所示,承台面积为2.4m×2.4m,承台高度为 0.9m,由于n > 3,应该考虑群桩效应和承台效应确定单桩承载力设计值R 由dS a =4 ;lB c =0.25 查表得 ic =0.155 ,ec =0.75 由icA =4 m²,ecA =2.4²- 2²=1.76 m...

1、当您付费下载文档后,您只拥有了使用权限,并不意味着购买了版权,文档只能用于自身使用,不得用于其他商业用途(如 [转卖]进行直接盈利或[编辑后售卖]进行间接盈利)。
2、本站所有内容均由合作方或网友上传,本站不对文档的完整性、权威性及其观点立场正确性做任何保证或承诺!文档内容仅供研究参考,付费前请自行鉴别。
3、如文档内容存在违规,或者侵犯商业秘密、侵犯著作权等,请点击“违规举报”。

碎片内容

桩基础课程设计计算书

小辰9+ 关注
实名认证
内容提供者

出售各种资料和文档

确认删除?
VIP
微信客服
  • 扫码咨询
会员Q群
  • 会员专属群点击这里加入QQ群
客服邮箱
回到顶部