电脑桌面
添加小米粒文库到电脑桌面
安装后可以在桌面快捷访问

梯形钢屋架设计计算书

梯形钢屋架设计计算书_第1页
1/21
梯形钢屋架设计计算书_第2页
2/21
梯形钢屋架设计计算书_第3页
3/21
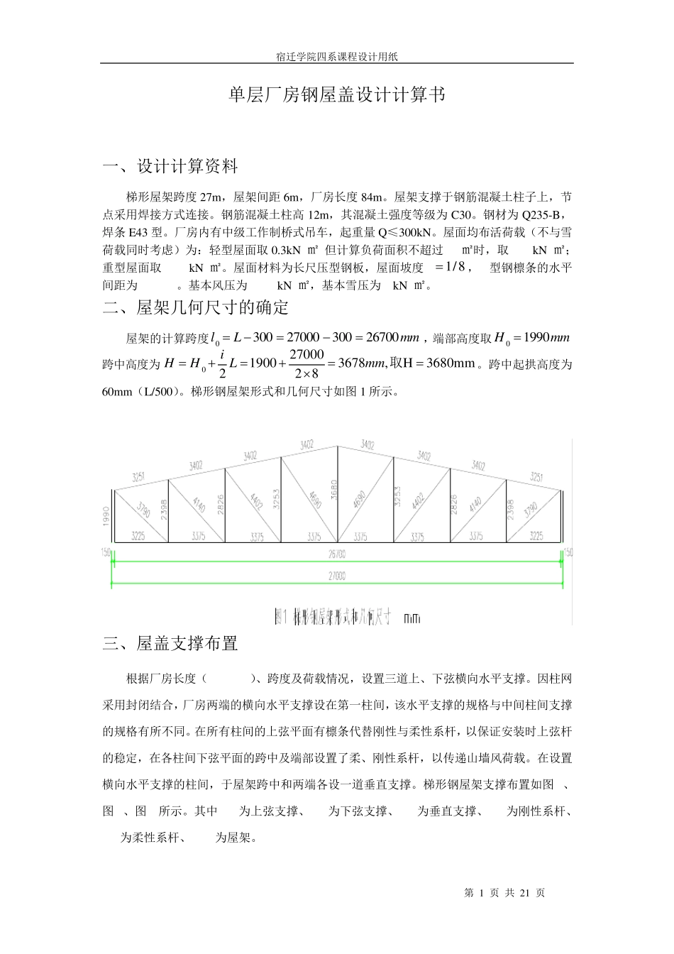
宿迁学院四系课程设计用纸 第 1 页 共 21 页 单层厂房钢屋盖设计计算书 一、设计计算资料 梯形屋架跨度27m ,屋架间距6m ,厂房长度84m 。屋架支撑于钢筋混凝土柱子上,节点采用焊接方式连接。钢筋混凝土柱高12m ,其混凝土强度等级为C30。钢材为Q235-B,焊条E43 型。厂房内有中级工作制桥式吊车,起重量Q≤300kN。屋面均布活荷载(不与雪荷载同时考虑)为:轻型屋面取 0.3kN/㎡,但计算负荷面积不超过 60㎡时,取 0.5 kN/㎡;重型屋面取 0.5 kN/㎡。屋面材料为长尺压型钢板,屋面坡度i8/1,H型钢檩条的水平间距为3.375m。基本风压为0.75 kN/㎡,基本雪压为0 kN/㎡。 二、屋架几何尺寸的确定 屋架的计算跨度m mLl26700300270003000,端部高度取m mH19900 跨中高度为m m3680H,36788227000190020取m mLiHH。跨中起拱高度为60m m (L/500)。梯形钢屋架形式和几何尺寸如图 1 所示。 三、屋盖支撑布置 根据厂房长度(84m>60m)、跨度及荷载情况,设置三道上、下弦横向水平支撑。因柱网采用封闭结合,厂房两端的横向水平支撑设在第一柱间,该水平支撑的规格与中间柱间支撑的规格有所不同。在所有柱间的上弦平面有檩条代替刚性与柔性系杆,以保证安装时上弦杆的稳定,在各柱间下弦平面的跨中及端部设置了柔、刚性系杆,以传递山墙风荷载。在设置横向水平支撑的柱间,于屋架跨中和两端各设一道垂直支撑。梯形钢屋架支撑布置如图 2、图 3、图 4所示。其中SC#为上弦支撑、XC#为下弦支撑、CC#为垂直支撑、GG#为刚性系杆、RG#为柔性系杆、GWJ#为屋架。 宿迁学院四系课程设计用纸 第 2 页 共 2 1 页 宿迁学院四系课程设计用纸 第 3 页 共 21 页 四、荷载计算 1 、永久荷载(水平投影面) 压型钢板 151.086515.0kN/㎡ 檩条(0.5kN/m) 0.148 kN/㎡ 屋架及支撑自重 0.01L=0.27kN/㎡ 合计 0.569kN/㎡ 2 、可变荷载(水平投影面) 因屋架受荷水平投影面积超过 60 ㎡,故屋面均布活荷载为 0.30 kN/㎡,无雪荷载。故取屋面均布活荷载为可变荷载。 3、风荷载 风压高度变化系数为 1.056,屋面迎风面的体型系数为-0.6,背风面为-0.5,所以负风压标准值(垂直于屋面)为: 迎风面:475.075.0056.16.00.11wkN/㎡ 背风面:396.075.0056.15.00.12wkN/㎡ 对轻型钢屋架,当风荷载较大时,风吸力可能大于屋面永久荷载,此时屋架弦...

1、当您付费下载文档后,您只拥有了使用权限,并不意味着购买了版权,文档只能用于自身使用,不得用于其他商业用途(如 [转卖]进行直接盈利或[编辑后售卖]进行间接盈利)。
2、本站所有内容均由合作方或网友上传,本站不对文档的完整性、权威性及其观点立场正确性做任何保证或承诺!文档内容仅供研究参考,付费前请自行鉴别。
3、如文档内容存在违规,或者侵犯商业秘密、侵犯著作权等,请点击“违规举报”。

碎片内容

梯形钢屋架设计计算书

确认删除?
VIP
微信客服
  • 扫码咨询
会员Q群
  • 会员专属群点击这里加入QQ群
客服邮箱
回到顶部