电脑桌面
添加小米粒文库到电脑桌面
安装后可以在桌面快捷访问

模具企业绩效考核

模具企业绩效考核_第1页
1/7
模具企业绩效考核_第2页
2/7
模具企业绩效考核_第3页
3/7
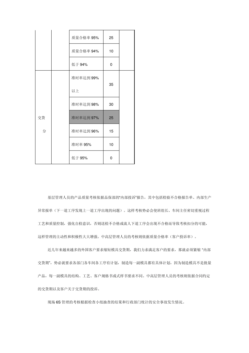
浅谈模具制造企业的绩效考核 l、引言 最近几年,绩效考核已成为企业人力资源管理中最为重要也最为头痛的一项工作,企业的经营者和管理者也都希望通过考核减轻管理担子、提高管理成效、调动工作激情,但是真正做的很好的也微乎其微。若干企业在开展绩效考核的初期都有两面极端的现象发生,一方面如获至宝,期望以此奏效;另一方面如雷轰顶,恐怕少了薪水或丢了饭碗。好多企业的考核工作刚开始开展得如火如荼,但最终在人力资源部门的哀叹和员工的抱怨声中偃旗息鼓了。而模具制造企业更有其特殊性,不是批量产品制造型企业,考核的操作性和指标设定上就难上加难,我们通过为期两年的不断探索和改进,初步建立了一套考核机制和办法,本文略做介绍。 2、理解和宣导考核的出发点 我们所理解的考核是为了激励和鞭策,不是为了减扣员工的薪资和福利。通过考核,体现工作绩效的好坏有基本客观公正的评价,让员工有比较,横向和纵向比较,也就是本部门和跨部门同等职位的比较;有触动,通过比较而动心,无论是上进之心、惭愧之心,还是悔恨之心,或者哪怕是抱怨嫉妒之心,动心就有我们工作改进的空间;有目标,让被考核的员工明白要改进哪些方面,明白工作的指标。同时,让管理者有关注点,明白部属哪些方面需要关心、指导或纠正,让老板们明白需要给予什么、收获什么。这项工作,需要人力资源部门长期不间断地、正式或非正式地与员工沟通传达,反复多次地宣导这样的理念,让员工丢弃疑虑、抵触等情绪而逐步接纳、理解和支持。不可能一次动员会或一纸指令文件就一下子解决所有问题,不少企业的领导或人事部门的经理急于求成,指望考核工作一旦启动就是一剂灵丹妙药,药到病除,其实欲速则不达。 3、考核的落脚点 考核的最终结果落脚何处?考核必须要与员工的切身利益挂钩,例如晋升、深造、薪资等。有很多企业将工资分割成几部分:基本工资、工龄工资、岗位补贴、固定加班补贴、住房补贴、考核工资(绩效奖金)等,那么绩效考核兑现的一部分应该占总收入的多大比例?我们总结认为针对不同的岗位、不同的层次设定在总工资的 10%~30%之间比较适宜:基层班组长 10%~15%,中层管理人员、技术人员等 15%~20%,高层管理人员、高级工程师等 25%~30%。如果比例过高:第一,会让员工失去信心,丧失斗志;第二,很多人不能接受,成为招聘人才的障碍;第三,可能会导致内部人才流失,故而得不偿失。 4考核标准的设置、内外部投诉跟踪、层别考核 时下比...

1、当您付费下载文档后,您只拥有了使用权限,并不意味着购买了版权,文档只能用于自身使用,不得用于其他商业用途(如 [转卖]进行直接盈利或[编辑后售卖]进行间接盈利)。
2、本站所有内容均由合作方或网友上传,本站不对文档的完整性、权威性及其观点立场正确性做任何保证或承诺!文档内容仅供研究参考,付费前请自行鉴别。
3、如文档内容存在违规,或者侵犯商业秘密、侵犯著作权等,请点击“违规举报”。

碎片内容

模具企业绩效考核

您可能关注的文档

确认删除?
VIP
微信客服
  • 扫码咨询
会员Q群
  • 会员专属群点击这里加入QQ群
客服邮箱
回到顶部